ZHCSIL2C July   2018  – March 2022 UCC24624

PRODUCTION DATA  

  1. 特性
  2. 应用
  3. 说明
  4. Revision History
  5. 说明(续)
  6. Pin Configuration and Functions
    1.     Pin Functions
  7. Specifications
    1. 7.1 Absolute Maximum Ratings
    2. 7.2 ESD Ratings
    3. 7.3 Recommended Operating Conditions
    4. 7.4 Thermal Information
    5. 7.5 Electrical Characteristics
    6. 7.6 Timing Requirements
    7. 7.7 Typical Characteristics
  8. Detailed Description
    1. 8.1 Overview
    2. 8.2 Functional Block Diagram
    3. 8.3 Feature Description
      1. 8.3.1 Power Management
      2. 8.3.2 Synchronous Rectifier Control
      3. 8.3.3 Turn-off Threshold Adjustment
      4. 8.3.4 Noise Immunity
        1. 8.3.4.1 On-Time Blanking
        2. 8.3.4.2 Off-Time Blanking
        3. 8.3.4.3 Two-Channel Interlock
        4. 8.3.4.4 SR Turn-on Re-arm
        5. 8.3.4.5 Adaptive Turn-on Delay
      5. 8.3.5 Gate Voltage Clamping
      6. 8.3.6 Standby Mode
    4. 8.4 Device Functional Modes
      1. 8.4.1 UVLO Mode
      2. 8.4.2 Standby Mode
      3. 8.4.3 Run Mode
  9. Application and Implementation
    1. 9.1 Application Information
    2. 9.2 Typical Application
      1. 9.2.1 Design Requirements
      2. 9.2.2 Detailed Design Procedure
        1. 9.2.2.1 MOSFET Selection
        2. 9.2.2.2 Snubber Design
      3. 9.2.3 Application Curves
  10. 10Power Supply Recommendations
  11. 11Layout
    1. 11.1 Layout Guidelines
    2. 11.2 Layout Example
  12. 12Device and Documentation Support
    1. 12.1 Device Support
      1. 12.1.1 Development Support
        1. 12.1.1.1 Custom Design With WEBENCH® Tools
    2. 12.2 Receiving Notification of Documentation Updates
    3. 12.3 Community Resources
    4. 12.4 Trademarks

封装选项

机械数据 (封装 | 引脚)
散热焊盘机械数据 (封装 | 引脚)
订购信息

说明

UCC24624 高性能同步整流器 (SR) 控制器专用于 LLC 谐振转换器,以便使用 SR MOSFET 替代有损耗二极管输出整流器并提高整体系统效率。

UCC24624 SR 控制器使用漏源极电压检测方法来实现对 SR MOSFET 的开关控制。实现了比例栅极驱动器,以延长 SR 导通时间并最大限度地缩短体二极管导通时间。为了补偿由 SR MOSFET 寄生电感导致的偏移电压,UCC24624 实现了可调节正向关断阈值,以适应不同的 SR MOSFET 封装。UCC24624 具有内置的 475ns 导通时间消隐和固定的 650ns 关断时间消隐功能,以避免 SR 错误导通和关断。UCC24624 还集成了双通道互锁功能,可防止两个 SR 同时导通。该器件具有 230V 电压检测引脚和 28V 绝对最大 VDD 额定值,可直接用于输出电压高达 24.75V 的转换器。内部钳位允许控制器通过在 VDD 上添加外部电流限制电阻器来轻松支持 36V 输出电压。

器件信息
器件型号封装封装尺寸(标称值)
UCC24624SOIC (8)4.90mm × 3.91mm

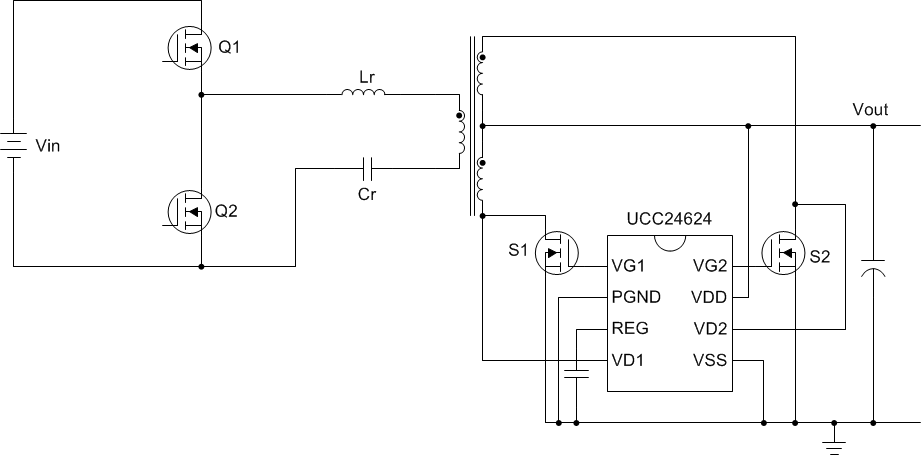
GUID-29294042-6F4C-4177-80E2-36F73F1FA1DE-low.gif典型应用原理图