ZHCSRY3A april   2023  – august 2023 UCC14131-Q1

PRODUCTION DATA  

  1.   1
  2. 特性
  3. 应用
  4. 说明
  5. 修订历史记录
  6. 器件比较
  7. 引脚配置和功能
  8. 规格
    1. 7.1 绝对最大额定值
    2. 7.2 ESD 等级
    3. 7.3 建议运行条件
    4. 7.4 热性能信息
    5. 7.5 绝缘规格
    6. 7.6 电气特性
    7. 7.7 安全限值
  9. 安全相关认证
  10. 绝缘特性
  11. 10典型特性
  12. 11详细说明
    1. 11.1 概述
    2. 11.2 功能方框图
    3. 11.3 特性说明
      1. 11.3.1 功率级运行
        1. 11.3.1.1 VDD-VEE 电压调节
        2. 11.3.1.2 COM-VEE 电压调节
        3. 11.3.1.3 功率处理能力
      2. 11.3.2 输出电压软启动
      3. 11.3.3 ENA 和 PG
      4. 11.3.4 保护功能
        1. 11.3.4.1 输入欠压锁定
        2. 11.3.4.2 输入过压锁定
        3. 11.3.4.3 输出欠压保护
        4. 11.3.4.4 输出过压保护
        5. 11.3.4.5 过功率保护
        6. 11.3.4.6 过热保护
    4. 11.4 器件功能模式
  13. 12应用和实施
    1. 12.1 应用信息
    2. 12.2 典型应用
      1. 12.2.1 设计要求
      2. 12.2.2 详细设计过程
        1. 12.2.2.1 电容器选型
        2. 12.2.2.2 单个 RLIM 电阻器选型
        3. 12.2.2.3 RDR 电路元件选型
        4. 12.2.2.4 反馈电阻器选型
    3. 12.3 系统示例
    4. 12.4 电源相关建议
    5. 12.5 布局
      1. 12.5.1 布局指南
      2. 12.5.2 布局示例
  14. 13器件和文档支持
    1. 13.1 文档支持
      1. 13.1.1 相关文档
    2. 13.2 接收文档更新通知
    3. 13.3 支持资源
    4. 13.4 商标
    5. 13.5 静电放电警告
    6. 13.6 术语表
  15. 14机械、封装和可订购信息
  16. 15卷带封装信息

封装选项

机械数据 (封装 | 引脚)
散热焊盘机械数据 (封装 | 引脚)
订购信息

反馈电阻器选型

VVDD-VEE 调节

VVDD-VEE 输出电压通过使用反馈电阻分压器进行检测来调节,其中 VDD 到 VEE 之间连接了一个电阻器 (RFBVDD_VDD) 且 COM 到 VEE 之间连接了一个电阻器 (RFBVDD_VEE),从而使得 FBVDD = 2.5V

使用 0.1% 电阻器可以获得超高精度。外部电阻分压器将有助于消除电阻器的温度系数的影响。我们可以将电阻器 RFBVDD_VEE 设置为 10kΩ,然使用以下公式计算电阻器 RFBVDD_VDD 的值。

方程式 19. RFBVDD_VDD=VVDD-VEE-VFBVEE×RFBVDD_VEEVFBVDD

必须在 FBVDD 到 VEE 之间连接一个 330pF 陶瓷电容 CFBVDD,以滤除高频开关噪声。该电容器应与 RFBVDD_VEE 电阻器并联。

VVCOM-VEE 调节

同样,在双路输出应用中,可以通过使用电阻分压器检测输出电压来调节 VCOM-VEE 电压;但是,根据所需调节电压是大于 2.5V、等于 2.5V 还是小于 2.5V,有三种不同的反馈电阻器配置。在所有三种配置中,必须在 FBVEE 和 VEE 之间连接一个 330pF 陶瓷电容器来滤除高频开关噪声。

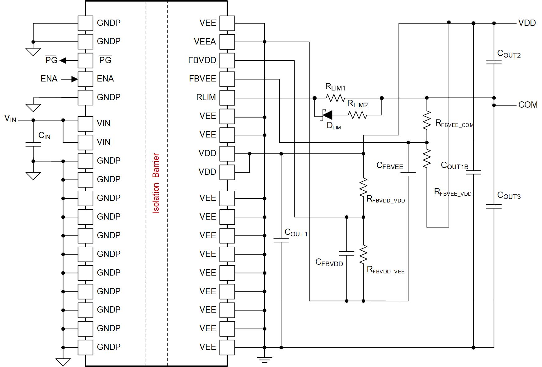
VVCOM-VEE > 2.5V:当 VCOM-VEE 调节电压大于 2.5V 时,电阻器 RFBVEE_COM 和 RFBVEE_VEE 在 COM 和 VEE 之间按下图所示连接(配置为 VCOM_VEE 调节 > 2.5V 的双路输出应用原理图)。令 RFBVEE_COM = 10kΩ,我们可以使用以下公式计算 RFBVEE_VEE

方程式 20. R F B V E E _ C O M = V C O M - V E E - V F B V E E × R F B V E E _ V E E V F B V E E

在 FBVEE 和 VEE 之间连接一个 330pF 陶瓷电容 CFBVEE,以滤除高频开关噪声。

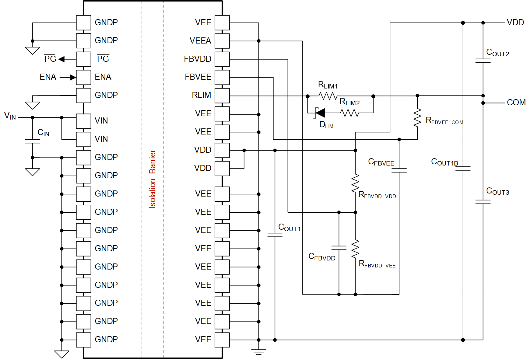
VVCOM-VEE = 2.5V:当 VCOM-VEE 调节电压等于 2.5V 时,只需在 COM 和 FBVEE 之间连接一个电阻器 RFBVEE_COM,如下图所示(配置为 VCOM_VEE 调节 = 2.5V 时的双路输出应用原理图)。选择 RFBVEE_COM = 10kΩ。这将使用 FBVEE 和 VEE 之间连接的 330pF 电容器 CFBVEE 来设置高频滤波器的转角频率。

VVCOM-VEE < 2.5V:当 VCOM-VEE 调节电压小于 2.5V 时,电阻器 RFBVEE_COM 和 RFBVEE_VDD 在 VDD 和 COM 之间按下图所示连接(配置为 VCOM_VEE 调节 > 2.5V 的双路输出应用原理图)。令 RFBVEE_COM = 10kΩ,我们可以使用以下公式计算 RFBVEE_VDD

方程式 21. R F B V E E _ C O M = V F B V E E - V C O M - V E E × R F B V E E _ V D D V V D D - V E E - V F B V E E

在 FBVEE 和 VEE 之间连接一个 330pF 陶瓷电容 CFBVEE,以滤除高频开关噪声。

GUID-20230818-SS0I-0KR4-8GDJ-HWWTHD8D0RVP-low.jpg图 12-8 配置为 VCOM_VEE 调节 > 2.5V 时的双路输出应用原理图
GUID-20230818-SS0I-CHNK-2BL5-F7S91PHWZVG8-low.png图 12-9 配置为 VCOM_VEE 调节 = 2.5V 时的双路输出应用原理图
GUID-20230818-SS0I-SVM3-PVHR-SN7MPTB7BQQG-low.jpg图 12-10 配置为 VCOM_VEE 调节 < 2.5V 时的双路输出应用原理图