ZHCSRY3A april   2023  – august 2023 UCC14131-Q1

PRODUCTION DATA  

  1.   1
  2. 特性
  3. 应用
  4. 说明
  5. 修订历史记录
  6. 器件比较
  7. 引脚配置和功能
  8. 规格
    1. 7.1 绝对最大额定值
    2. 7.2 ESD 等级
    3. 7.3 建议运行条件
    4. 7.4 热性能信息
    5. 7.5 绝缘规格
    6. 7.6 电气特性
    7. 7.7 安全限值
  9. 安全相关认证
  10. 绝缘特性
  11. 10典型特性
  12. 11详细说明
    1. 11.1 概述
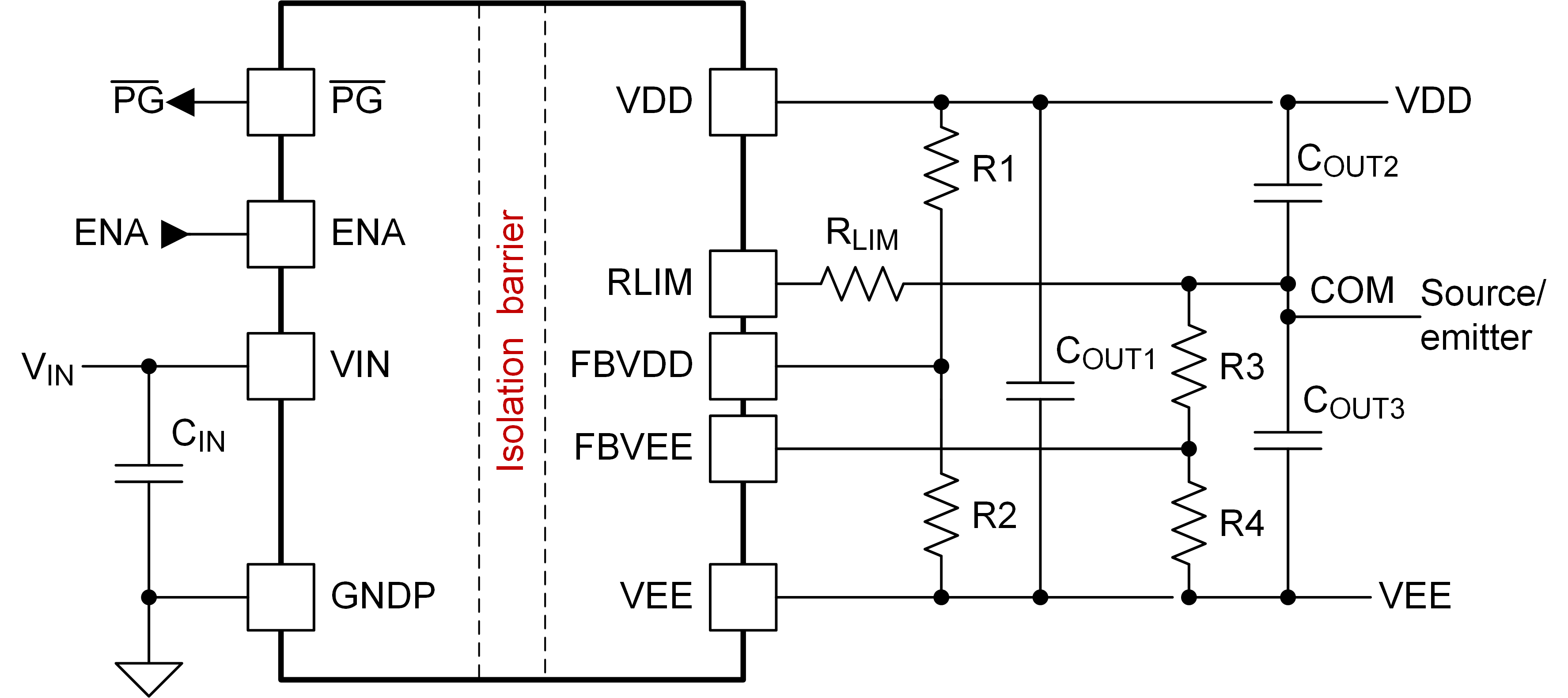
    2. 11.2 功能方框图
    3. 11.3 特性说明
      1. 11.3.1 功率级运行
        1. 11.3.1.1 VDD-VEE 电压调节
        2. 11.3.1.2 COM-VEE 电压调节
        3. 11.3.1.3 功率处理能力
      2. 11.3.2 输出电压软启动
      3. 11.3.3 ENA 和 PG
      4. 11.3.4 保护功能
        1. 11.3.4.1 输入欠压锁定
        2. 11.3.4.2 输入过压锁定
        3. 11.3.4.3 输出欠压保护
        4. 11.3.4.4 输出过压保护
        5. 11.3.4.5 过功率保护
        6. 11.3.4.6 过热保护
    4. 11.4 器件功能模式
  13. 12应用和实施
    1. 12.1 应用信息
    2. 12.2 典型应用
      1. 12.2.1 设计要求
      2. 12.2.2 详细设计过程
        1. 12.2.2.1 电容器选型
        2. 12.2.2.2 单个 RLIM 电阻器选型
        3. 12.2.2.3 RDR 电路元件选型
        4. 12.2.2.4 反馈电阻器选型
    3. 12.3 系统示例
    4. 12.4 电源相关建议
    5. 12.5 布局
      1. 12.5.1 布局指南
      2. 12.5.2 布局示例
  14. 13器件和文档支持
    1. 13.1 文档支持
      1. 13.1.1 相关文档
    2. 13.2 接收文档更新通知
    3. 13.3 支持资源
    4. 13.4 商标
    5. 13.5 静电放电警告
    6. 13.6 术语表
  15. 14机械、封装和可订购信息
  16. 15卷带封装信息

封装选项

机械数据 (封装 | 引脚)
散热焊盘机械数据 (封装 | 引脚)
订购信息

说明

UCC14131-Q1 是一款符合汽车标准的高隔离电压直流/直流电源模块,旨在为 GaN、IGBT、SiC 或 Si 栅极驱动器供电。UCC14131-Q1 集成了具有专有架构的变压器和直流/直流控制器,可实现高效率和超低的发射。该器件可通过 12V 稳压输入提供隔离式 12V 输出,用于驱动 GaN 和 Si MOSFET,以及通过 15V 稳压输入提供隔离式 15V 或 18V 输出,以便偏置 SiC MOSFET 或 IGBT 的驱动器电路。高精度可提供更好的通道增强,从而实现更高的系统效率,而又不会对功率器件栅极造成过应力。

UCC14131-Q1 可以高效提供高达 1.5W(典型值)的隔离输出功率。该模块需要非常少的外部元件,并且具有片上器件保护功能,可提供额外的特性,例如输入欠压锁定、过压锁定、输出电压电源正常比较器、过热关断、软启动超时、可调隔离式正负输出电压、使能引脚和开漏输出电源正常引脚。

封装信息
可订购器件型号(1) 封装 封装尺寸(标称值)
UCC14131QDWNRQ1 DWN(SSOP,36) 12.83mm x 7.5mm
如需了解所有可用封装,请参阅数据表末尾的可订购产品附录。
GUID-20210914-SS0I-LDM0-2DT0-H3892VGBGQR7-low.gif简化版应用
GUID-20230828-SS0I-LFV8-DJPV-VZVVP825VMW8-low.png典型上电序列