ZHCSIO4D February 2005 – June 2025 TS5A3167
PRODUCTION DATA
请参考 PDF 数据表获取器件具体的封装图。
图 6-1 导通状态电阻 (ron)
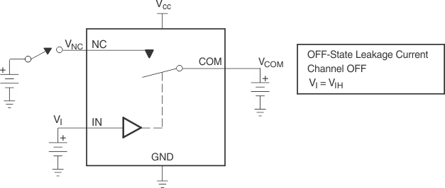
图 6-2 关断状态泄漏电流(ICOM(OFF)、INC(OFF)、ICOM(PWROFF)、INC(PWROFF))
图 6-3 导通状态泄漏电流(ICOM(ON)、INC(ON))
图 6-4 电容(CI、CCOM(OFF)、CCOM(ON)、CNC(OFF)、CNC(ON))
图 6-6 带宽 (BW)
图 6-7 关断隔离 (OISO)

| 符号 | 说明 |
|---|---|
| VCOM | COM 处的电压 |
| VNC | NC 处的电压 |
| ron | 通道导通时 COM 和 NC 端口之间的电阻 |
| rpeak | 指定电压范围内的峰值导通状态电阻 |
| ron(flat) | 在指定条件范围内通道中 ron 的最大值和最小值之间的差值 |
| INC(OFF) | 在极糟糕的输入和输出条件下,相应通道(NC 至 COM)处于关断状态时 在 NC 端口测得的泄漏电流 |
| INC(PWROFF) | 断电条件下、VCC = 0 时在 NC 端口上测得的泄漏电流 |
| ICOM(OFF) | 在最坏的输入输出条件下,在对应通道(COM 到 NC)处于关断状态时,在 COM 端口测得的泄漏电流 |
| ICOM(PWROFF) | 断电条件下、VCC = 0 时在 COM 端口上测得的泄漏电流 |
| INC(ON) | 相应通道(NC 到 COM)处于导通状态且输出 (COM) 处于开路状态时,在 NC 端口测得的泄漏电流 |
| ICOM(ON) | 相应通道(COM 到 NC)处于导通状态且输出 (NC) 处于开路状态时,在 COM 端口测得的泄漏电流 |
| VIH | 控制输入 (IN) 逻辑高电平的最小输入电压 |
| VIL | 控制输入 (IN) 逻辑低电平的最大输入电压 |
| VI | 控制输入 (IN) 处的电压 |
| IIH、IIL | 控制输入 (IN) 处测得的泄漏电流 |
| tON | 开关导通时间。此参数在规定条件范围下,开关导通时,通过数字控制 (IN) 信号和模拟输出(COM 或 NC)信号之间的传播延迟测量得出。 |
| tOFF | 开关关断时间。此参数在规定条件范围下,开关关断时,通过数字控制 (IN) 信号和模拟输出(COM 或 NC)信号之间的传播延迟测量得出。 |
| QC | 电荷注入是衡量控制 (IN) 输入端干扰信号耦合到模拟(NC 或 COM)输出端的一种测量指标。电荷注入以库仑 (C) 为单位,可通过控制输入切换时引起的总电荷来测量。电荷注入,QC = CL × ΔVCOM,CL 是负载电容,ΔVCOM 是模拟输出电压的变化。 |
| CNC(OFF) | 相应通道(NC 到 COM)关断时 NC 端口的电容 |
| CCOM(OFF) | 相应通道(COM 到 NC)关断时 COM 端口的电容 |
| CNC(ON) | 相应通道(NC 到 COM)导通时 NC 端口的电容 |
| CCOM(ON) | 相应通道(COM 到 NC)导通时 COM 端口的电容 |
| CI | 控制输入 (IN) 的电容 |
| OISO | 开关的关断隔离是关断状态开关阻抗的度量。该参数是在特定频率下测量的(单位为 dB),测量条件为相应通道(NC 到 COM)处于关断状态。 |
| BW | 开关带宽。这是导通通道增益比直流增益低 -3dB 时的频率。 |
| THD | 总谐波失真用于描述由模拟开关导致的信号失真。该参数定义为二次、三次及更高次谐波分量的均方根 (RMS) 值与基波绝对幅度的比值。 |
| ICC | 控制 (IN) 引脚处于 VCC 或 GND 状态时的静态电源电流 |