ZHCSJI3H March   2007  – August 2022 TS3A24159

PRODUCTION DATA  

  1. 特性
  2. 应用
  3. 说明
  4. Revision History
  5. Pin Configuration and Functions
  6. Specifications
    1. 6.1  Absolute Maximum Ratings
    2. 6.2  ESD Ratings
    3. 6.3  Recommended Operating Conditions
    4. 6.4  Thermal Information
    5. 6.5  Electrical Characteristics for 3-V Supply
    6. 6.6  Electrical Characteristics for 2.5-V Supply
    7. 6.7  Electrical Characteristics for 1.8-V Supply
    8. 6.8  Switching Characteristics for a 3-V Supply
    9. 6.9  Switching Characteristics for a 2.5-V Supply
    10. 6.10 Switching Characteristics for a 1.8-V Supply
    11. 6.11 Typical Characteristics
  7. Parameter Measurement Information
  8. Detailed Description
    1. 8.1 Overview
    2. 8.2 Functional Block Diagram
    3. 8.3 Feature Description
    4. 8.4 Device Functional Modes
  9. Application and Implementation
    1. 9.1 Application Information
    2. 9.2 Typical Application
      1. 9.2.1 Design Requirements
      2. 9.2.2 Detailed Design Procedure
      3. 9.2.3 Application Curve
  10. 10Power Supply Recommendations
  11. 11Layout
    1. 11.1 Layout Guidelines
    2. 11.2 Layout Example
  12. 12Device and Documentation Support
    1. 12.1 Documentation Support
      1. 12.1.1 Related Documentation
    2. 12.2 接收文档更新通知
    3. 12.3 支持资源
    4. 12.4 Trademarks
    5. 12.5 Electrostatic Discharge Caution
    6. 12.6 术语表
  13. 13Mechanical, Packaging, and Orderable Information

封装选项

机械数据 (封装 | 引脚)
散热焊盘机械数据 (封装 | 引脚)
订购信息

Parameter Measurement Information

GUID-014D10D0-F9F0-4DA9-BA74-5F02F311DB08-low.gif Figure 7-1 ON-State Resistance
GUID-294B81C2-1C42-4373-A91B-EAFB18491BD2-low.gif Figure 7-2 OFF-State Leakage Current (INC(OFF), INC(PWROFF), INO(OFF), INO(PWROFF), ICOM(OFF), ICOM(PWROFF))
GUID-EA4F2BF2-B697-449A-ADC4-089BED333D77-low.gif Figure 7-3 ON-State Leakage Current (ICOM(ON), INC(ON), INO(ON))
GUID-C6B517D9-8E8B-404C-B1DF-9EA833E55CFB-low.gif Figure 7-4 Capacitance CI, CNC(OFF), CNO(OFF), CNC(ON), CNO(ON))
GUID-BB753706-5A02-4F94-A573-C06A2D2E6721-low.gif
All input pulses are supplied by generators having the following characteristics: PRR ≤ 10 MHz, ZO = 50 Ω, tr < 5 ns, tf < 5 ns.
CL includes probe and jig capacitance.
Figure 7-5 Turn-On (tON) and Turn-Off Time (tOFF)
GUID-90CDDD00-230C-4EA8-BAAC-46F6C3E79BAC-low.gif
All input pulses are supplied by generators having the following characteristics: PRR ≤ 10 MHz, ZO = 50 Ω, tr < 5 ns, tf < 5 ns.
CL includes probe and jig capacitance.
Figure 7-6 Break-Before-Make Time (tBBM)
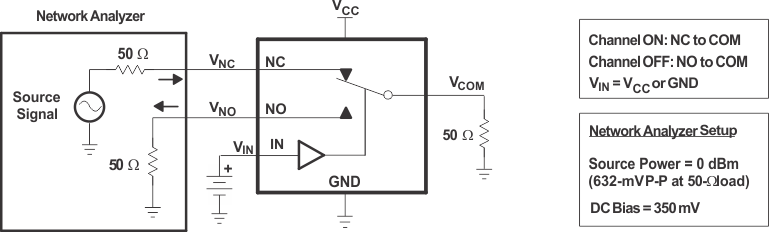
GUID-879056FF-CAD6-4DA8-B3C1-C496F276DA18-low.gif Figure 7-7 Bandwidth (BW)
GUID-F50AE977-36AD-4AAA-A7B1-7AA9C0EA43F3-low.gif Figure 7-8 OFF Isolation (OISO)
GUID-8382E856-F80C-4366-AD1A-0644AD277019-low.gif Figure 7-9 Crosstalk (XTALK)
GUID-8B77D538-8871-4163-A3EC-631A892F00E6-low.gif
All input pulses are supplied by generators having the following characteristics: PRR ≤ 10 MHz, ZO = 50 Ω, tr < 5 ns, tf < 5 ns.
CL includes probe and jig capacitance.
Figure 7-10 Charge Injection (QC)
GUID-E6965BD5-B0F3-4A2A-A45C-865CAC84C3C8-low.gif
CL includes probe and jig capacitance.
Figure 7-11 Total Harmonic Distortion (THD)