ZHCSO02C July   2007  – December 2024 TRSF3221E

PRODUCTION DATA  

  1.   1
  2. 特性
  3. 应用
  4. 说明
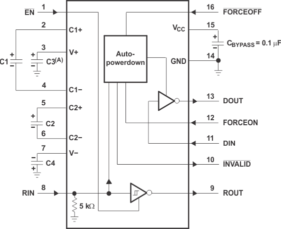
  5. Pin Configuration and Functions
  6. Specifications
    1. 5.1  Absolute Maximum Ratings
    2. 5.2  ESD Ratings
    3. 5.3  ESD Ratings, IEC Specifications
    4. 5.4  Recommended Operating Conditions
    5. 5.5  Thermal Resistance Characteristics
    6. 5.6  Electrical Characteristics
    7. 5.7  Electrical Characteristics, Driver
    8. 5.8  Switching Characteristics, Driver
    9. 5.9  Electrical Characteristics, Receiver
    10. 5.10 Switching Characteristics, Receiver
    11. 5.11 Electrical Characteristics, Auto-Powerdown
    12. 5.12 Switching Characteristics, Auto-Powerdown
    13. 5.13 Typical Characteristics
  7. Parameter Measurement Information
  8. Detailed Description
    1. 7.1 Overview
    2. 7.2 Functional Block Diagram
    3. 7.3 Feature Description
    4. 7.4 Device Functional Modes
  9. Application and Implementation
    1. 8.1 Application Information
      1. 8.1.1 Typical Application
        1. 8.1.1.1 Design Requirements
        2. 8.1.1.2 Detailed Design Procedure
      2. 8.1.2 Application Performance Plot
    2. 8.2 Power Supply Recommendations
    3. 8.3 Layout
      1. 8.3.1 Layout Guidelines
      2. 8.3.2 Layout Example
  10. Device and Documentation Support
    1. 9.1 接收文档更新通知
    2. 9.2 支持资源
    3. 9.3 商标
    4. 9.4 静电放电警告
    5. 9.5 术语表
  11. 10Revision History
  12. 11Mechanical, Packaging, and Orderable Information

封装选项

机械数据 (封装 | 引脚)
散热焊盘机械数据 (封装 | 引脚)
订购信息

Typical Application

ROUT and DIN connect to UART or general purpose logic lines. FORCEON and FORCEOFFmay be connected general purpose logic lines or tied to ground or VCC. INVALID may be connected to a general purpose logic line or left unconnected. RIN and DOUT lines connect to a RS-232 connector or cable. DIN, FORCEON, and FORCEOFF inputs must not be left unconnected.

TRSF3221E Typical Operating Circuit and Capacitor
                                                  Values
C3 can be connected to VCC or GND.
Resistor values shown are nominal.
Nonpolarized ceramic capacitors are acceptable. If polarized tantalum or electrolytic capacitors are used, they must be connected as shown.
Figure 8-1 Typical Operating Circuit and Capacitor Values
Table 8-1 VCC vs Capacitor Values
VCC C1 C2, C3, C4
3.3V ± 0.3V 0.1µF 0.1µF
5V ± 0.5V 0.047µF 0.33µF
3V to 5.5V 0.1µF 0.47µF