ZHCSUS9D June   2007  – February 2024 TRS232E

PRODUCTION DATA  

  1.   1
  2. 特性
  3. 应用
  4. 说明
  5. Pin Configuration and Functions
  6. Specifications
    1. 5.1 Absolute Maximum Ratings
    2. 5.2 ESD Ratings
    3. 5.3 Recommended Operating Conditions
    4. 5.4 Thermal Information
    5. 5.5 Electrical Characteristics
    6. 5.6 Driver Section: Electrical Characteristics
    7. 5.7 Switching Characteristics
    8. 5.8 Receiver Section: Electrical Characteristics
    9. 5.9 Switching Characteristics
  7. Parameter Measurement Information
  8. Detailed Description
    1. 7.1 Device Functional Modes
  9. Application and Implementation
    1. 8.1 Application Information
  10. Device Documentation and Support
    1. 9.1 接收文档更新通知
    2. 9.2 支持资源
    3. 9.3 商标
    4. 9.4 静电放电警告
    5. 9.5 术语表
  11. 10Revision History
  12. 11Mechanical, Packaging, and Orderable Information

封装选项

机械数据 (封装 | 引脚)
散热焊盘机械数据 (封装 | 引脚)
订购信息

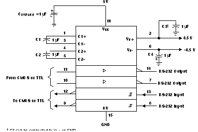
Application Information

GUID-7E331099-9603-42FE-B8F8-65A00A6D2D21-low.gif
Resistor values shown are nominal.
Nonpolarized ceramic capacitors are acceptable. If polarized tantalum or electrolytic capacitors are used, they should be connected as shown. In addition to the 1μF capacitors shown, the TRS202E can operate with 0.1μF capacitors.
Figure 8-1 Typical Operating Circuit