ZHCS835G March   2012  – October 2023 TPS7A7200

PRODUCTION DATA  

  1.   1
  2. 特性
  3. 应用
  4. 说明
  5. Pin Configurations
  6. Specifications
    1. 5.1 Absolute Maximum Ratings
    2. 5.2 ESD Ratings
    3. 5.3 Recommended Operating Conditions
    4. 5.4 Thermal Information
    5. 5.5 Electrical Characteristics
    6. 5.6 Typical Characteristics
  7. Detailed Description
    1. 6.1 Overview
    2. 6.2 Functional Block Diagram
    3. 6.3 Feature Description
      1. 6.3.1 User-Configurable Output Voltage
      2. 6.3.2 Traditional Adjustable Configuration
      3. 6.3.3 Undervoltage Lockout (UVLO)
      4. 6.3.4 Soft-Start
      5. 6.3.5 Current Limit
      6. 6.3.6 Enable
      7. 6.3.7 Power-Good
    4. 6.4 Device Functional Modes
      1. 6.4.1 Normal Operation
      2. 6.4.2 Dropout Operation
      3. 6.4.3 Disabled
  8. Application and Implementation
    1. 7.1 Application Information
    2. 7.2 Typical Application
      1. 7.2.1 Design Requirements
      2. 7.2.2 Detailed Design Procedure
        1. 7.2.2.1 ANY-OUT Programmable Output Voltage
        2. 7.2.2.2 Traditional Adjustable Output Voltage
        3. 7.2.2.3 Input Capacitor Requirements
        4. 7.2.2.4 Output Capacitor Requirements
      3. 7.2.3 Application Curves
    3. 7.3 Power Supply Recommendations
    4. 7.4 Layout
      1. 7.4.1 Layout Guidelines
        1. 7.4.1.1 Thermal Considerations
        2. 7.4.1.2 Power Dissipation
        3. 7.4.1.3 Estimating Junction Temperature
      2. 7.4.2 Layout Example
  9. Device And Documentation Support
    1. 8.1 Documentation Support
      1. 8.1.1 Related Documentation
    2. 8.2 接收文档更新通知
    3. 8.3 支持资源
    4. 8.4 Trademarks
    5. 8.5 静电放电警告
    6. 8.6 术语表
  10. Revision History
  11. 10Mechanical, Packaging, And Orderable Information

封装选项

机械数据 (封装 | 引脚)
散热焊盘机械数据 (封装 | 引脚)
订购信息

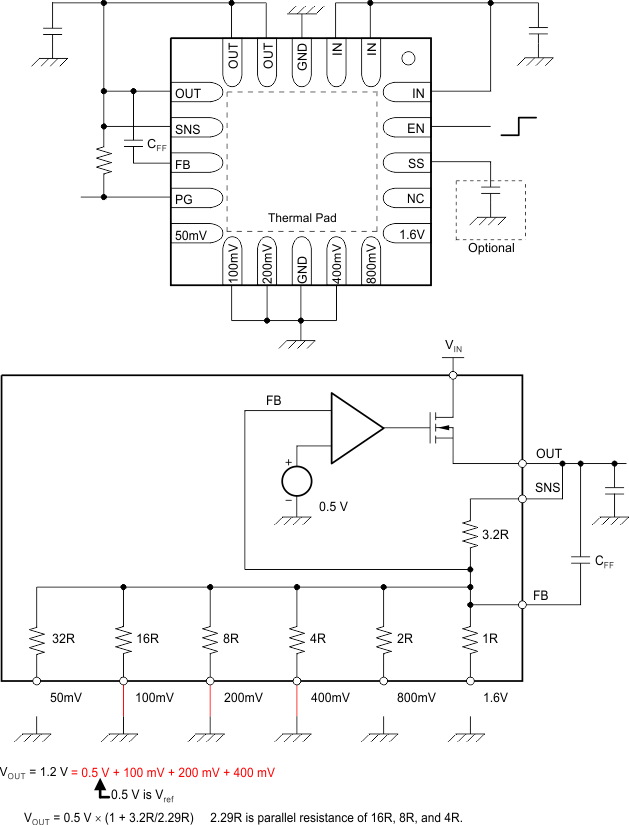
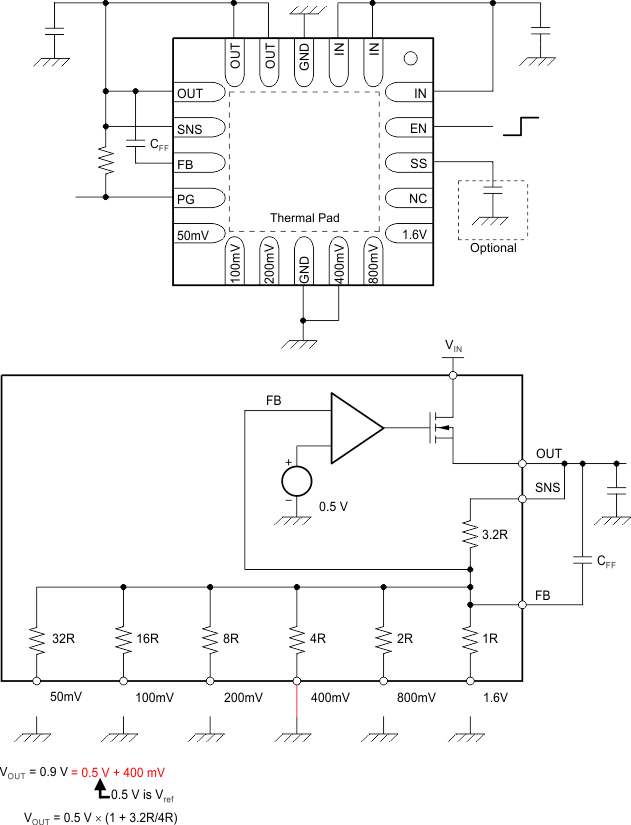
User-Configurable Output Voltage

Unlike traditional LDO devices, the TPS7A7200 comes with only one orderable part number. There is no adjustable or fixed output voltage option. The output voltage of the TPS7A7200 is selectable in accordance with the names given to the output voltage setting pins: 50 mV, 100 mV, 200 mV, 400 mV, 800 mV, and 1.6 V. For each pin connected to the ground, the output voltage setting increases by the value associated with that pin name, starting from the value of the reference voltage of 0.5 V. Floating the pins has no effect on the output voltage. Figure 6-1 through Figure 6-6 show examples of how to program the output voltages.

 

GUID-3F5781F6-FF4A-4C97-8F23-F7881D5F7928-low.gifFigure 6-1 0.9-V Configuration
GUID-AAF917F0-8FD7-402D-B07A-7C80F13D99E4-low.gifFigure 6-2 1.2-V Configuration
GUID-C0ACEAFC-3BBC-45D7-B171-807CB6BACBCD-low.gifFigure 6-3 1.8-V Configuration
GUID-EB698D47-A301-47D9-9909-66F4ACCED0D6-low.gifFigure 6-4 2.5-V Configuration
GUID-D2484F5C-3C3A-400C-A0D4-33BB5A900F38-low.gifFigure 6-5 3.3-V Configuration
GUID-181B19D7-7B37-4498-B04E-17C05C3FCEC3-low.gifFigure 6-6 3.5-V Configuration

See Table 6-1 for a full list of target output voltages and corresponding pin settings. The voltage setting pins have a binary weight; therefore, the output voltage can be programmed to any value from 0.9 V to 3.5 V in 50-mV steps.

Figure 5-11 and Figure 5-12 illustrate this output voltage programming performance.

 

Note:

Any output voltage setting that is not listed in Table 6-1 is not covered in the Electrical Characteristics . For output voltages greater than 3.5 V, use a traditional adjustable configuration (see the Traditional Adjustable ConfigurationTraditional Adjustable ConfigurationTraditional Adjustable Configuration section).

Table 6-1 User Configurable Output Voltage Setting
VOUT(TARGET)
(V)
50 mV 100 mV 200 mV 400 mV 800 mV 1.6 V
0.9 open open open GND open open
0.95 GND open open GND open open
1 open GND open GND open open
1.05 GND GND open GND open open
1.1 open open GND GND open open
1.15 GND open GND GND open open
1.2 open GND GND GND open open
1.25 GND GND GND GND open open
1.3 open open open open GND open
1.35 GND open open open GND open
1.4 open GND open open GND open
1.45 GND GND open open GND open
1.5 open open GND open GND open
1.55 GND open GND open GND open
1.6 open GND GND open GND open
1.65 GND GND GND open GND open
1.7 open open open GND GND open
1.75 GND open open GND GND open
1.8 open GND open GND GND open
1.85 GND GND open GND GND open
1.9 open open GND GND GND open
1.95 GND open GND GND GND open
2 open GND GND GND GND open
2.05 GND GND GND GND GND open
2.1 open open open open open GND
2.15 GND open open open open GND
2.2 open GND open open open GND
2.25 GND GND open open open GND
2.3 open open GND open open GND
2.35 GND open GND open open GND
2.4 open GND GND open open GND
2.45 GND GND GND open open GND
2.5 open open open GND open GND
2.55 GND open open GND open GND
2.6 open GND open GND open GND
2.65 GND GND open GND open GND
2.7 open open GND GND open GND
2.75 GND open GND GND open GND
2.8 open GND GND GND open GND
2.85 GND GND GND GND open GND
2.9 open open open open GND GND
2.95 GND open open open GND GND
3 open GND open open GND GND
3.05 GND GND open open GND GND
3.1 open open GND open GND GND
3.15 GND open GND open GND GND
3.2 open GND GND open GND GND
3.25 GND GND GND open GND GND
3.3 open open open GND GND GND
3.35 GND open open GND GND GND
3.4 open GND open GND GND GND
3.45 GND GND open GND GND GND
3.5 open open GND GND GND GND