ZHCSNA2 October   2021 TPS563212

PRODUCTION DATA  

  1. 特性
  2. 应用
  3. 说明
  4. Revision History
  5. Pin Configuration and Functions
  6. Specifications
    1. 6.1 Absolute Maximum Ratings
    2. 6.2 ESD Ratings
    3. 6.3 Recommended Operating Conditions
    4. 6.4 Thermal Information
    5. 6.5 Electrical Characteristics
    6. 6.6 Typical Characteristics
  7. Detailed Description
    1. 7.1 Overview
    2. 7.2 Functional Block Diagram
    3. 7.3 Feature Description
      1. 7.3.1 Advanced Emulated Current Mode Control
      2. 7.3.2 Mode Selection and PG/SS Pin Function Configuration
      3. 7.3.3 Power Good (PG)
      4. 7.3.4 Soft Start and Pre-Biased Soft Start
      5. 7.3.5 Output Discharge Through PG/SS Pin
      6. 7.3.6 Precise Enable and Adjusting Undervoltage Lockout
      7. 7.3.7 Overcurrent Limit and Undervoltage Protection
      8. 7.3.8 Overvoltage Protection
      9. 7.3.9 Thermal Shutdown
    4. 7.4 Device Functional Modes
      1. 7.4.1 Shutdown Mode
      2. 7.4.2 Active Mode
      3. 7.4.3 FCCM Operation
      4. 7.4.4 CCM Operation
      5. 7.4.5 DCM Operation and Eco-mode Operation
      6. 7.4.6 On-Time Extension for Large Duty Cycle Operation
  8. Application and Implementation
    1. 8.1 Application Information
    2. 8.2 Typical Application
      1. 8.2.1 Design Requirements
      2. 8.2.2 Detailed Design Procedure
        1. 8.2.2.1 Custom Design With WEBENCH® Tools
        2. 8.2.2.2 Output Voltage Resistors Selection
        3. 8.2.2.3 Output Inductor Selection
        4. 8.2.2.4 Output Capacitor Selection
        5. 8.2.2.5 Input Capacitor Selection
        6. 8.2.2.6 Bootstrap Capacitor Selection
        7. 8.2.2.7 Undervoltage Lockout Set Point
      3. 8.2.3 Application Curves
  9. Power Supply Recommendations
  10. 10Layout
    1. 10.1 Layout Guidelines
    2. 10.2 Layout Example
  11. 11Device and Documentation Support
    1. 11.1 Device Support
      1. 11.1.1 第三方产品免责声明
      2. 11.1.2 Development Support
        1. 11.1.2.1 Custom Design With WEBENCH® Tools
    2. 11.2 接收文档更新通知
    3. 11.3 支持资源
    4. 11.4 Trademarks
    5. 11.5 Electrostatic Discharge Caution
    6. 11.6 术语表
  12. 12Mechanical, Packaging, and Orderable Information

封装选项

机械数据 (封装 | 引脚)
散热焊盘机械数据 (封装 | 引脚)
订购信息

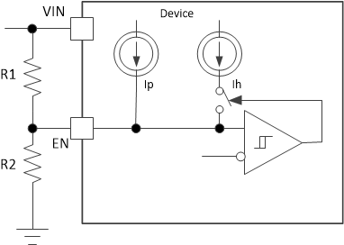
Precise Enable and Adjusting Undervoltage Lockout

The EN pin provides electrical on and off control for the device. When the EN pin voltage exceeds the threshold voltage, the device begins operation. If the EN pin voltage is pulled below the threshold voltage, the regulator stops switching and enters shutdown mode.

The EN pin has an internal pullup source current, allowing the user to float the EN pin to enable the device. If an application requires control of the EN pin, use external control logic interface to the EN pin like the open-drain or open-collector output logic.

The device implements internal undervoltage-lockout (UVLO) circuitry on the VIN pin. The device is disabled when the VIN pin voltage falls below the internal VIN UVLO threshold. The internal VIN UVLO threshold has a hysteresis of 400 mV.

If an application requires a higher UVLO threshold on the VIN pin, the EN pin can be configured as shown in Figure 7-3. When using the external UVLO function, setting the hysteresis at a value greater than 400 mV is recommended.

The EN pin has a small pullup current, Ip, which sets the default state of the EN pin to enable when no external components are connected. The pullup current is also used to control the voltage hysteresis for the external UVLO function because it increases by Ih when the EN pin crosses the enable threshold. Use Equation 3 and Equation 4 to calculate the values of R1 and R2 for a specified UVLO threshold. Once R1 and R2 have settled down, the EN voltage can be calculated by Equation 5, which must be lower than 5.5 V with the maximum VIN.

GUID-6C3DEAC8-C3C4-4948-B497-03553CF28C08-low.gifFigure 7-3 Adjustable VIN Undervoltage Lockout
Equation 3. R 1 = V S T A R T V E N _ F A L L V E N _ R I S E - V S T O P I p 1 - V E N _ F A L L V E N _ R I S E + I h
Equation 4. R 2 = R 1 V E N _ F A L L V S T O P - V E N _ F A L L + R 1 ( I p + I h )
Equation 5. V E N = R 2 V I N + R 1 R 2 ( I p + I h ) R 1 + R 2

where

  • Ip = 1.2 µA
  • Ih = 3.1 µA
  • VEN_FALL = 1.01 V
  • VEN_RISE = 1.15 V
  • VSTART = Expected input voltage enabling the device
  • VSTOP = Expected input voltage disabling the device