ZHCSP56 September   2023 TPS1HTC30-Q1

PRODUCTION DATA  

  1.   1
  2. 特性
  3. 应用
  4. 说明
  5. Revision History
  6. Pin Configuration and Functions
    1. 5.1 Recommended Connections for Unused Pins
  7. Specifications
    1. 6.1 Absolute Maximum Ratings
    2. 6.2 ESD Ratings
    3. 6.3 Recommended Operating Conditions
    4. 6.4 Thermal Information
    5. 6.5 Electrical Characteristics
    6. 6.6 SNS Timing Characteristics
    7. 6.7 Switching Characteristics
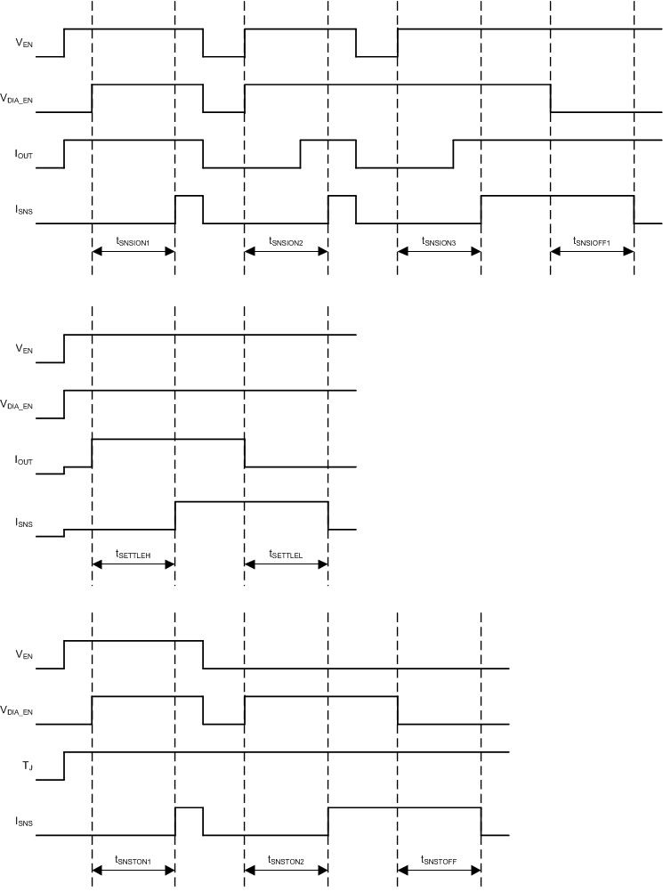
    8. 6.8 Timing Diagrams
    9. 6.9 Typical Characteristics
  8. Parameter Measurement Information
  9. Detailed Description
    1. 8.1 Overview
    2. 8.2 功能方框图
    3. 8.3 Feature Description
      1. 8.3.1 Accurate Current Sense
      2. 8.3.2 Programmable Current Limit
        1. 8.3.2.1 Capacitive Charging
      3. 8.3.3 Inductive-Load Switching-Off Clamp
      4. 8.3.4 Inductive Load Demagnetization
      5. 8.3.5 Full Protections and Diagnostics
        1. 8.3.5.1 Short-Circuit and Overload Protection
        2. 8.3.5.2 Open-Load Detection
        3. 8.3.5.3 Thermal Protection Behavior
        4. 8.3.5.4 Overvoltage (OVP) Protection
        5. 8.3.5.5 UVLO Protection
        6. 8.3.5.6 Reverse Polarity Protection
        7. 8.3.5.7 Protection for MCU I/Os
      6. 8.3.6 Diagnostic Enable Function
    4. 8.4 Device Functional Modes
      1. 8.4.1 Working Mode
  10. Application and Implementation
    1. 9.1 Application Information
    2. 9.2 Typical Application
      1. 9.2.1 Design Requirements
      2. 9.2.2 Detailed Design Procedure
        1. 9.2.2.1 Dynamically Changing Current Limit
      3. 9.2.3 Application Curves
    3. 9.3 Power Supply Recommendations
    4. 9.4 Layout
      1. 9.4.1 Layout Guidelines
      2. 9.4.2 Layout Example
        1. 9.4.2.1 Without a GND Network
        2. 9.4.2.2 With a GND Network
        3. 9.4.2.3 Thermal Considerations
  11. 10Device and Documentation Support
    1. 10.1 Documentation Support
      1. 10.1.1 Related Documentation
    2. 10.2 接收文档更新通知
    3. 10.3 支持资源
    4. 10.4 Trademarks
    5. 10.5 静电放电警告
    6. 10.6 术语表
  12. 11Mechanical, Packaging, and Orderable Information

封装选项

机械数据 (封装 | 引脚)
散热焊盘机械数据 (封装 | 引脚)
订购信息

Timing Diagrams

GUID-F6D77B59-53FD-44B5-8BE6-EF601351A9B1-low.gif
Rise and fall time of VEN is 100 ns.
Figure 6-1 Switching Characteristics Definitions
GUID-F881F7AD-C17D-43B4-B701-64664170B413-low.gif
Rise and fall times of control signals are 100 ns. Control signals include: EN, DIA_EN.
Figure 6-2 SNS Timing Characteristics Definitions