ZHCS291P July   2006  – January 2025 TPD4E001

PRODUCTION DATA  

  1.   1
  2. 特性
  3. 应用
  4. 说明
  5. 引脚配置和功能
    1.     引脚功能
  6. 规格
    1. 5.1 绝对最大额定值
    2. 5.2 ESD 等级 - JEDEC 规格
    3. 5.3 ESD 等级 - IEC 规格
    4. 5.4 建议运行条件
    5. 5.5 热性能信息
    6. 5.6 电气特性
    7. 5.7 典型特性
  7. 详细说明
    1. 6.1 概述
    2. 6.2 功能方框图
    3. 6.3 特性说明
    4. 6.4 器件功能模式
  8. 应用和实施
    1. 7.1 应用信息
    2. 7.2 典型应用
      1. 7.2.1 设计要求
      2. 7.2.2 详细设计过程
      3. 7.2.3 应用曲线
  9.   电源相关建议
  10. 布局
    1. 8.1 布局指南
    2. 8.2 布局示例
  11. 器件和文档支持
    1. 9.1 第三方产品免责声明
    2. 9.2 文档支持
      1. 9.2.1 相关文档
    3. 9.3 接收文档更新通知
    4. 9.4 支持资源
    5. 9.5 商标
    6. 9.6 静电放电警告
    7. 9.7 术语表
  12. 10修订历史记录
  13. 11机械、封装和可订购信息

封装选项

机械数据 (封装 | 引脚)
散热焊盘机械数据 (封装 | 引脚)
订购信息

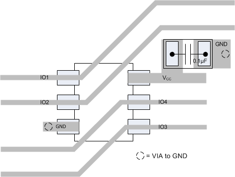
布局示例

下面是使用 TPD4E001 保护两个接口端口的布局示例。一个示例是两个 USB 2.0 端口,如 节 7 中讨论的那样。对于 USB 2.0 示例,IO1 和 IO2 分别对应 USB 端口 1 的 D+ 和 D-。IO3 和 IO4 分别对应 USB 端口 2 的 D- 和 D+。

TPD4E001 采用 DRL 封装的布线图 8-1 采用 DRL 封装的布线