ZHCSAA3B September   2012  – September 2015 TPA3112D1-Q1

PRODUCTION DATA.  

  1. 特性
  2. 应用
  3. 说明
  4. 修订历史记录
  5. Pin Configuration and Functions
  6. Specifications
    1. 6.1 Absolute Maximum Ratings
    2. 6.2 ESD Ratings
    3. 6.3 Recommended Operating Conditions
    4. 6.4 Thermal Information
    5. 6.5 DC Characteristics
    6. 6.6 DC Characteristics
    7. 6.7 AC Characteristics
    8. 6.8 AC Characteristics
    9. 6.9 Typical Characteristics
  7. Detailed Description
    1. 7.1 Overview
    2. 7.2 Functional Block Diagram
    3. 7.3 Feature Description
      1. 7.3.1 DC Detect
      2. 7.3.2 Short-Circuit Protection and Automatic Recovery Feature
      3. 7.3.3 Thermal Protection
      4. 7.3.4 GVDD Supply
    4. 7.4 Device Functional Modes
      1. 7.4.1 Gain Setting Through GAIN0 and GAIN1 Inputs
      2. 7.4.2 SD Operation
      3. 7.4.3 PLIMIT
  8. Application and Implementation
    1. 8.1 Application Information
    2. 8.2 Typical Application
      1. 8.2.1 Design Requirements
      2. 8.2.2 Detailed Design Procedure
        1. 8.2.2.1  Class-D Operation
        2. 8.2.2.2  TPA3112D1-Q1 Modulation Scheme
        3. 8.2.2.3  Ferrite Bead Filter Considerations
        4. 8.2.2.4  Efficiency: LC Filter Required With the Traditional Class-D Modulation Scheme
        5. 8.2.2.5  When to Use an Output Filter for EMI Suppression
        6. 8.2.2.6  Input Resistance
        7. 8.2.2.7  Input Capacitor, CI
        8. 8.2.2.8  BSN and BSP Capacitors
        9. 8.2.2.9  Differential Inputs
        10. 8.2.2.10 Using Low-ESR Capacitors
      3. 8.2.3 Application Curves
  9. Power Supply Recommendations
  10. 10Layout
    1. 10.1 Layout Guidelines
    2. 10.2 Layout Example
  11. 11器件和文档支持
    1. 11.1 器件支持
      1. 11.1.1 开发支持
    2. 11.2 文档支持
      1. 11.2.1 相关文档
    3. 11.3 社区资源
    4. 11.4 商标
    5. 11.5 静电放电警告
    6. 11.6 Glossary
  12. 12机械、封装和可订购信息

封装选项

机械数据 (封装 | 引脚)
散热焊盘机械数据 (封装 | 引脚)
订购信息

Application and Implementation

NOTE

Information in the following applications sections is not part of the TI component specification, and TI does not warrant its accuracy or completeness. TI’s customers are responsible for determining suitability of components for their purposes. Customers should validate and test their design implementation to confirm system functionality.

Application Information

The TPA3112D1-Q1 device is an automotive class-D audio amplifier. It accepts either a single ended or differential analog input, amplifies the signal, and drives up to 25-W across a bridge tied load, usually a speaker. Because an analog input is needed, this device is often paired with a codec or audio DAC if the audio source is digital.

The four digital input/output pins, GAIN0, GAIN1, SD, and FAULT, can be pulled up to PVCC. When connecting these terminals to PVCC, a 100 kΩ-resistor must be put in series to limit the slew rate. One of four gain settings is used depending on the configuration of GAIN0 and GAIN1. The SD pin is used to put the device in shutdown or normal mode. The FAULT pin is used to indicate if a DC detect or short circuit fault was detected. The next few sections explains design considerations and how to choose the external components.

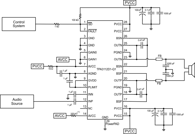
Typical Application

TPA3112D1-Q1 appsimp_los654.gif
100 kΩ resistor is needed if the PVCC slew rate is more than 10 V/ms.
Figure 16. Mono Class-D Amplifier With BTL Output

Design Requirements

The typical requirements for designing the external components around the TPA3112D1-Q1 include efficiency and EMI/EMC performance. For most applications, only a ferrite bead is needed to filter unwanted emissions. The ripple current is low enough that an LC filter is typically not needed. As the output power increases, causing the ripple current to increase, an LC filter can be added to improve efficiency. An LC filter can also be added in cases where additional EMI suppression is needed.

In addition to discussing how to choose a ferrite bead and when to use an LC filter, the following sections also discuss the input filter and power supply decoupling. The input filter must be chosen with the input impedance of the amplifier in mind. The cut-off frequency should be chosen so that bass performance is not impacted. Power supply decoupling is important to ensure that noise from the power line does not impact the audio quality of the amplifier output.

Detailed Design Procedure

Class-D Operation

This section focuses on the Class-D operation of the TPA3112D1-Q1.

TPA3112D1-Q1 Modulation Scheme

The TPA3112D1-Q1 uses a modulation scheme that allows operation without the classic LC reconstruction filter when the amp is driving an inductive load. Each output is switching from 0 volts to the supply voltage. The OUTP and OUTN are in phase with each other with no input so that there is little or no current in the speaker. The duty cycle of OUTP is greater than 50% and OUTN is less than 50% for positive output voltages. The duty cycle of OUTP is less than 50% and OUTN is greater than 50% for negative output voltages. The voltage across the load sits at 0 V throughout most of the switching period, greatly reducing the switching current, which reduces any I2R losses in the load.

Please see Figure 20 for a plot of the output waveforms.

Ferrite Bead Filter Considerations

Using the advanced emissions suppression technology in the TPA3112D1-Q1 amplifier, it is possible to design a high efficiency Class-D audio amplifier while minimizing interference to surrounding circuits. it is also possible to accomplish this with only a low-cost ferrite bead filter. In this case it is necessary to carefully select the ferrite bead used in the filter.

One important aspect of the ferrite bead selection is the type of material used in the ferrite bead. Not all ferrite material is alike, so it is important to select a material that is effective in the 10- to 100-MHz range which is key to the operation of the Class-D amplifier. Many of the specifications regulating consumer electronics have emissions limits as low as 30 MHz. It is important to use the ferrite bead filter to block radiation in the 30 MHz and above range from appearing on the speaker wires and the power supply lines which are good antennas for these signals. The impedance of the ferrite bead can be used along with a small capacitor with a value in the range of 1000 pF to reduce the frequency spectrum of the signal to an acceptable level. For best performance, the resonant frequency of the ferrite bead and capacitor filter should be less than 10 MHz.

Also, it is important that the ferrite bead is large enough to maintain its impedance at the peak currents expected for the amplifier. Some ferrite bead manufacturers specify the bead impedance at a variety of current levels. In this case it is possible to make sure the ferrite bead maintains an adequate amount of impedance at the peak current the amplifier will see. If these specifications are not available, it is also possible to estimate the bead current handling capability by measuring the resonant frequency of the filter output at very low power and at maximum power. A change of resonant frequency of less than fifty percent under this condition is desirable. Examples of ferrite beads which have been tested and work well with the TPA3112D2 include the 28L0138-80R-10 and HI1812V101R-10 from Steward and the 742792510 from Wurth Electronics.

A high quality ceramic capacitor is also needed for the ferrite bead filter. A low ESR capacitor with good temperature and voltage characteristics works best.

Additional EMC improvements may be obtained by adding snubber networks from each of the Class-D outputs to ground. Suggested values for a simple RC series snubber network would be 10 Ω in series with a 330-pF capacitor although design of the snubber network is specific to every application and must be designed taking into account the parasitic reactance of the printed circuit board as well as the audio amp. Take care to evaluate the stress on the component in the snubber network especially if the amp is running at high PVCC. Also, make sure the layout of the snubber network is tight and returns directly to the PGND or the PowerPAD™ integrated circuit package beneath the chip.

Efficiency: LC Filter Required With the Traditional Class-D Modulation Scheme

The main reason that the traditional Class-D amplifier needs an output filter is that the switching waveform results in maximum current flow. This causes more loss in the load, which causes lower efficiency. The ripple current is large for the traditional modulation scheme, because the ripple current is proportional to voltage multiplied by the time at that voltage. The differential voltage swing is 2 x VCC, and the time at each voltage is half the period for the traditional modulation scheme. An ideal LC filter is needed to store the ripple current from each half cycle for the next half cycle, while any resistance causes power dissipation. The speaker is both resistive and reactive, whereas an LC filter is almost purely reactive.

The TPA3112D1-Q1 modulation scheme has little loss in the load without a filter because the pulses are short and the change in voltage is VCC instead of 2 x VCC. As the output power increases, the pulses widen, making the ripple current larger. Ripple current could be filtered with an LC filter for increased efficiency, but for most applications the filter is not needed.

An LC filter with a cutoff frequency less than the Class-D switching frequency allows the switching current to flow through the filter instead of the load. The filter has less resistance but higher impedance at the switching frequency than the speaker, which results in less power dissipation, therefore increasing efficiency.

When to Use an Output Filter for EMI Suppression

The TPA3112D1-Q1 has been tested with a simple ferrite bead filter for a variety of applications including long speaker wires up to 125 cm and high power. The TPA3112D1-Q1 EVM passes FCC Class B specifications under these conditions using twisted speaker wires. The size and type of ferrite bead can be selected to meet application requirements. Also, the filter capacitor can be increased if necessary with some impact on efficiency.

There may be a few circuit instances where it is necessary to add a complete LC reconstruction filter. These circumstances might occur if there are circuits near which are sensitive to noise. Therefore, a classic second order Butterworth filter similar to those shown in Figure 17 through Figure 19 can be used.

TPA3112D1-Q1 ai_lc_out2_los469.gif Figure 17. Typical LC Output Filter, Cutoff Frequency Of 27 Khz, Speaker Impedance = 8 Ω
TPA3112D1-Q1 ai_lc_4ohm_los469.gif Figure 18. Typical LC Output Filter, Cutoff Frequency Of 27 Khz, Speaker Impedance = 4 Ω
TPA3112D1-Q1 ai_lc_out3_los469.gif Figure 19. Typical Ferrite Chip Bead Filter (Chip Bead Example: Steward Hi0805r800r-10)

Input Resistance

Changing the gain setting can vary the input resistance of the amplifier from its smallest value, 9 kΩ ±20%, to the largest value, 60 kΩ ±20%. As a result, if a single capacitor is used in the input high-pass filter, the –3 dB or cutoff frequency may change when changing gain steps.

TPA3112D1-Q1 ai_in_res_los469.gif

The –3–dB frequency can be calculated using Equation 2. Use the ZI values given in Table 2.

Equation 2. TPA3112D1-Q1 q_freq_los469.gif

Input Capacitor, CI

In the typical application, an input capacitor (CI) is required to allow the amplifier to bias the input signal to the proper DC level for optimum operation. In this case, CI and the input impedance of the amplifier (ZI) form a high-pass filter with the corner frequency determined in Equation 3.

Equation 3. TPA3112D1-Q1 q_fc_los469.gif

The value of CI is important, as it directly affects the bass (low-frequency) performance of the circuit. Consider the example where ZI is 60 kΩ and the specification calls for a flat bass response down to 20 Hz. Equation 3 is reconfigured as Equation 4.

Equation 4. TPA3112D1-Q1 q_ci_los469.gif

In this example, CI is 0.13 µF; so, one would likely choose a value of 0.15 μF as this value is commonly used. If the gain is known and is constant, use ZI from Table 2 to calculate CI. A further consideration for this capacitor is the leakage path from the input source through the input network CI) and the feedback network to the load. This leakage current creates a DC offset voltage at the input to the amplifier that reduces useful headroom, especially in high gain applications. For this reason, a low-leakage tantalum or ceramic capacitor is the best choice. If using a ceramic capacitor, choose a high quality capacitor with good temperature and voltage coefficient. An X7R type works well and if possible use a higher voltage rating than required. This gives a better C versus voltage characteristic. When polarized capacitors are used, the positive side of the capacitor should face the amplifier input in most applications as the DC level there is held at 3 V, which is likely higher than the source DC level. Note that it is important to confirm the capacitor polarity in the application. Additionally, lead-free solder can create DC offset voltages and it is important to ensure that boards are cleaned properly.

BSN and BSP Capacitors

The full H-bridge output stage uses only NMOS transistors. Therefore, they require bootstrap capacitors for the high side of each output to turn on correctly. A 470-nF ceramic capacitor, rated for at least 16 V, must be connected from each output to its corresponding bootstrap input. Specifically, one 470-nF capacitor must be connected from OUTP to BSP, and one 470-nF capacitor must be connected from OUTN to BSN.

The bootstrap capacitors connected between the BSx pins and corresponding output function as a floating power supply for the high-side N-channel power MOSFET gate drive circuitry. During each high-side switching cycle, the bootstrap capacitors hold the gate-to-source voltage high enough to keep the high-side MOSFETs turned on.

Differential Inputs

The differential input stage of the amplifier cancels any noise that appears on both input lines of the channel. To use the TPA3112D1-Q1 with a differential source, connect the positive lead of the audio source to the INP input and the negative lead from the audio source to the INN input. To use the TPA3112D1-Q1 with a single-ended source, AC-ground the INP or INN input through a capacitor equal in value to the input capacitor on INN or INP and apply the audio source to either input. In a single-ended input application, the unused input should be AC-grounded at the audio source instead of at the device input for best noise performance. For good transient performance, the impedance seen at each of the two differential inputs should be the same.

The impedance seen at the inputs should be limited to an RC time constant of 1 ms or less if possible. This is to allow the input DC blocking capacitors to become completely charged during the 14 msec power-up time. If the input capacitors are not allowed to completely charge, there will be some additional sensitivity to component matching which can result in pop if the input components are not well matched.

Using Low-ESR Capacitors

Low-ESR capacitors are recommended throughout this application section. A real (as opposed to ideal) capacitor can be modeled simply as a resistor in series with an ideal capacitor. The voltage drop across this resistor minimizes the beneficial effects of the capacitor in the circuit. The lower the equivalent value of this resistance, the more the real capacitor behaves like an ideal capacitor.

Application Curves

TPA3112D1-Q1 ai_vo_sch_los469.gif
Figure 20. The TPA3112D1-Q1 Output Voltage and Current Waveforms into an Inductive Load