ZHCSLR4F december   2019  – july 2023 TMUX1308-Q1 , TMUX1309-Q1

PRODUCTION DATA  

  1.   1
  2. 特性
  3. 应用
  4. 说明
  5. Revision History
  6. Device Comparison Table
  7. Pin Configuration and Functions
  8. Specifications
    1. 7.1  Absolute Maximum Ratings
    2. 7.2  ESD Ratings
    3. 7.3  Recommended Operating Conditions
    4. 7.4  Thermal Information: TMUX1308-Q1
    5. 7.5  Thermal Information: TMUX1309-Q1
    6. 7.6  Electrical Characteristics
    7. 7.7  Logic and Dynamic Characteristics
    8. 7.8  Timing Characteristics
    9. 7.9  Injection Current Coupling
    10. 7.10 Typical Characteristics
  9. Parameter Measurement Information
    1. 8.1  On-Resistance
    2. 8.2  Off-Leakage Current
    3. 8.3  On-Leakage Current
    4. 8.4  Transition Time
    5. 8.5  Break-Before-Make
    6. 8.6  tON(EN) and tOFF(EN)
    7. 8.7  Charge Injection
    8. 8.8  Off Isolation
    9. 8.9  Crosstalk
    10. 8.10 Bandwidth
    11. 8.11 Injection Current Control
  10. Detailed Description
    1. 9.1 Overview
    2. 9.2 Functional Block Diagram
    3. 9.3 Feature Description
      1. 9.3.1 Bidirectional Operation
      2. 9.3.2 Rail-to-Rail Operation
      3. 9.3.3 1.8 V Logic Compatible Inputs
      4. 9.3.4 Fail-Safe Logic
      5. 9.3.5 Injection Current Control
        1. 9.3.5.1 TMUX13xx-Q1 is Powered, Channel is Unselected, and the Input Signal is Greater Than VDD (VDD = 5 V, VINPUT = 5.5 V)
        2. 9.3.5.2 TMUX13xx-Q1 is Powered, Channel is Selected, and the Input Signal is Greater Than VDD (VDD = 5 V, VINPUT = 5.5 V)
        3. 9.3.5.3 TMUX13xx-Q1 is Unpowered and the Input Signal has a Voltage Present (VDD = 0 V, VINPUT = 3 V)
    4. 9.4 Device Functional Modes
    5. 9.5 Truth Tables
  11. 10Application and Implementation
    1. 10.1 Application Information
    2. 10.2 Typical Application
      1. 10.2.1 Design Requirements
      2. 10.2.2 Detailed Design Procedure
      3. 10.2.3 Short To Battery Protection
    3. 10.3 Power Supply Recommendations
    4. 10.4 Layout
      1. 10.4.1 Layout Guidelines
      2. 10.4.2 Layout Example
  12. 11Device and Documentation Support
    1. 11.1 Documentation Support
      1. 11.1.1 Related Documentation
    2. 11.2 Receiving Notification of Documentation Updates
    3. 11.3 支持资源
    4. 11.4 Trademarks
    5. 11.5 静电放电警告
    6. 11.6 术语表
  13. 12Mechanical, Packaging, and Orderable Information

封装选项

机械数据 (封装 | 引脚)
散热焊盘机械数据 (封装 | 引脚)
订购信息

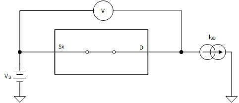
On-Resistance

The on-resistance of a device is the ohmic resistance between the source (Sx) and drain (D) pins of the device. The on-resistance varies with input voltage and supply voltage. The symbol RON is used to denote on-resistance. The measurement setup used to measure RON is shown below. Voltage (V) and current (ISD) are measured using this setup, and RON is computed as shown in Figure 8-1 with RON = V / ISD:

GUID-576A89DA-A16A-4E61-A104-089F1F9ED10A-low.gifFigure 8-1 On-Resistance Measurement Setup