ZHCSLR4F december 2019 – july 2023 TMUX1308-Q1 , TMUX1309-Q1
PRODUCTION DATA
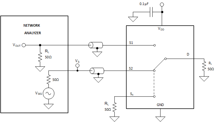
Crosstalk is defined as the ratio of the signal at the drain pin (D) of a different channel, when a signal is applied at the source pin (Sx) of an on-channel. Figure 8-9 shows the setup used to measure, and the equation used to compute crosstalk.
Figure 8-9 Channel-to-Channel Crosstalk Measurement Setup