ZHCSMY4D December   2020  – June 2022 TMAG5110 , TMAG5111

PRODUCTION DATA  

  1. 特性
  2. 应用
  3. 说明
  4. 修订历史记录
  5. 器件比较
  6. 引脚配置和功能
  7. 规格
    1. 7.1 绝对最大额定值
    2. 7.2 ESD 等级
    3. 7.3 建议运行条件
    4. 7.4 热性能信息
    5. 7.5 电气特性
    6. 7.6 磁特性
    7. 7.7 典型特性
  8. 详细说明
    1. 8.1 概述
    2. 8.2 功能方框图
    3. 8.3 特性说明
      1. 8.3.1 2D 描述
        1. 8.3.1.1 2D 一般说明和优势
        2. 8.3.1.2 2D 磁传感器响应
        3. 8.3.1.3 轴极性
      2. 8.3.2 轴选项
        1. 8.3.2.1 器件与磁体放置在同一平面
        2. 8.3.2.2 将器件放置在磁体侧边缘
      3. 8.3.3 上电时间
      4. 8.3.4 传播延迟
      5. 8.3.5 霍尔元件位置
      6. 8.3.6 功率降额
    4. 8.4 器件功能模式
  9. 应用和实现
    1. 9.1 应用信息
    2. 9.2 典型应用
      1. 9.2.1 增量旋转编码应用
        1. 9.2.1.1 设计要求
        2. 9.2.1.2 详细设计过程
        3. 9.2.1.3 应用曲线
  10. 10电源相关建议
  11. 11布局
    1. 11.1 布局指南
    2. 11.2 布局示例
  12. 12器件和文档支持
    1. 12.1 接收文档更新通知
    2. 12.2 支持资源
    3. 12.3 商标
    4. 12.4 Electrostatic Discharge Caution
    5. 12.5 术语表
  13. 13机械、封装和可订购信息

封装选项

机械数据 (封装 | 引脚)
散热焊盘机械数据 (封装 | 引脚)
订购信息

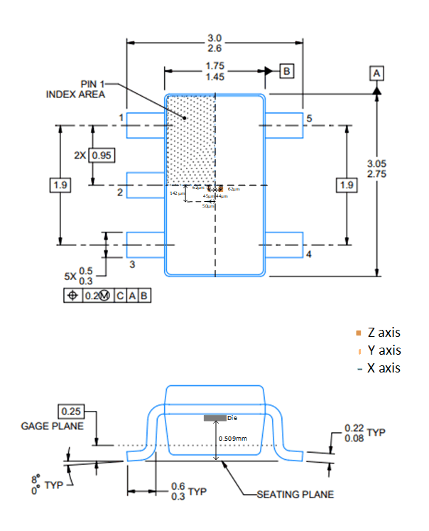
霍尔元件位置

从顶部看,器件内部的感应元件位于中心。图 8-21 显示了传感器在封装中的确切位置。

GUID-20201214-CA0I-KQSJ-90FJ-S2SVH6VBSNFP-low.gif图 8-21 霍尔元件位置