ZHCSWK3A June   2024  – August 2024 TLV9044-Q1

PRODMIX  

  1.   1
  2. 特性
  3. 应用
  4. 说明
  5. 引脚配置和功能
  6. 规格
    1. 5.1 绝对最大额定值
    2. 5.2 ESD 等级
    3. 5.3 建议运行条件
    4. 5.4 四通道器件的热性能信息
    5. 5.5 电气特性
    6. 5.6 典型特性
  7. 详细说明
    1. 6.1 概述
    2. 6.2 功能方框图
    3. 6.3 特性说明
      1. 6.3.1 工作电压
      2. 6.3.2 轨到轨输入
      3. 6.3.3 轨到轨输出
      4. 6.3.4 共模抑制比 (CMRR)
      5. 6.3.5 容性负载和稳定性
      6. 6.3.6 过载恢复
      7. 6.3.7 EMI 抑制
      8. 6.3.8 电过应力
      9. 6.3.9 输入和 ESD 保护
    4. 6.4 器件功能模式
  8. 应用和实施
    1. 7.1 应用信息
    2. 7.2 典型应用
      1. 7.2.1 TLV904x-Q1 低侧电流检测应用
        1. 7.2.1.1 设计要求
        2. 7.2.1.2 详细设计过程
        3. 7.2.1.3 应用曲线
    3. 7.3 电源相关建议
    4. 7.4 布局
      1. 7.4.1 布局指南
      2. 7.4.2 布局示例
  9. 器件和文档支持
    1. 8.1 文档支持
      1. 8.1.1 相关文档
    2. 8.2 接收文档更新通知
    3. 8.3 支持资源
    4.     商标
    5. 8.4 静电放电警告
    6. 8.5 术语表
  10. 修订历史记录
  11. 10机械、封装和可订购信息

封装选项

机械数据 (封装 | 引脚)
散热焊盘机械数据 (封装 | 引脚)
订购信息

电过应力

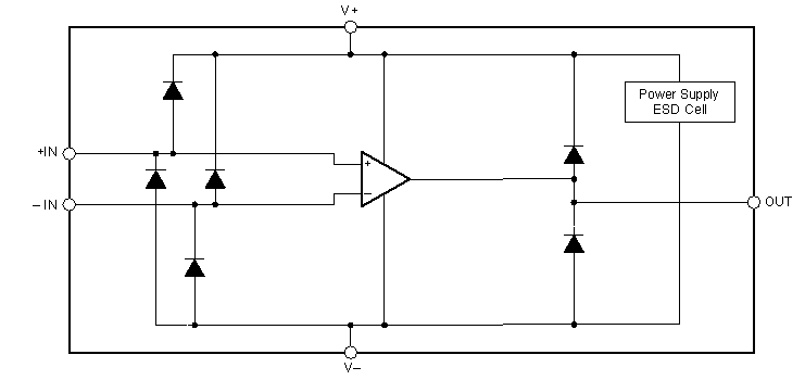
设计人员经常会问到关于运算放大器耐受电过应力的问题。这些问题侧重于器件输入,同时也会涉及电源引脚甚至输出引脚。这些不同引脚功能的每一个功能具有由独特的半导体制造工艺和连接到引脚的特定电路确定的电气过载限值。此外,这些电路均内置内部静电放电 (ESD) 保护功能,可在产品组装之前和组装过程中保护电路不受意外 ESD 事件的影响。

能够充分了解该基本 ESD 电路以及与电气过载事件的关联性会有所帮助。图 6-5 显示了 TLV904x-Q1 器件中包含的 ESD 电路。ESD 保护电路涉及多个导流二极管。这些二极管从输入和输出引脚方向连接回内部供电线路,并且均连接到运算放大器的内部吸收器件。该保护电路在电路正常工作时处于未运行状态。

TLV9044-Q1 等效内部 ESD 电路图 6-5 等效内部 ESD 电路