ZHCSWK3A June   2024  – August 2024 TLV9044-Q1

PRODMIX  

  1.   1
  2. 特性
  3. 应用
  4. 说明
  5. 引脚配置和功能
  6. 规格
    1. 5.1 绝对最大额定值
    2. 5.2 ESD 等级
    3. 5.3 建议运行条件
    4. 5.4 四通道器件的热性能信息
    5. 5.5 电气特性
    6. 5.6 典型特性
  7. 详细说明
    1. 6.1 概述
    2. 6.2 功能方框图
    3. 6.3 特性说明
      1. 6.3.1 工作电压
      2. 6.3.2 轨到轨输入
      3. 6.3.3 轨到轨输出
      4. 6.3.4 共模抑制比 (CMRR)
      5. 6.3.5 容性负载和稳定性
      6. 6.3.6 过载恢复
      7. 6.3.7 EMI 抑制
      8. 6.3.8 电过应力
      9. 6.3.9 输入和 ESD 保护
    4. 6.4 器件功能模式
  8. 应用和实施
    1. 7.1 应用信息
    2. 7.2 典型应用
      1. 7.2.1 TLV904x-Q1 低侧电流检测应用
        1. 7.2.1.1 设计要求
        2. 7.2.1.2 详细设计过程
        3. 7.2.1.3 应用曲线
    3. 7.3 电源相关建议
    4. 7.4 布局
      1. 7.4.1 布局指南
      2. 7.4.2 布局示例
  9. 器件和文档支持
    1. 8.1 文档支持
      1. 8.1.1 相关文档
    2. 8.2 接收文档更新通知
    3. 8.3 支持资源
    4.     商标
    5. 8.4 静电放电警告
    6. 8.5 术语表
  10. 修订历史记录
  11. 10机械、封装和可订购信息

封装选项

机械数据 (封装 | 引脚)
散热焊盘机械数据 (封装 | 引脚)
订购信息

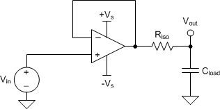
容性负载和稳定性

TLV904x-Q1 系列专为需要驱动容性负载的应用而设计。与所有运算放大器一样,可能存在会使 TLV904x-Q1 变得不稳定的特定情况。在确定特定运算放大器的运行是否稳定时,需要考虑放大器电路配置、布局、增益和输出负载等因素。在单位增益 (1V/V) 缓冲器配置下驱动容性负载的运算放大器比在更高噪声增益下工作的放大器更容易出现不稳定的情况。容性负载与运算放大器输出电阻相结合后,在反馈环路内产生一个使相位裕度降级的极点。当容性负载增加时,相位裕度的降级会增大。在单位增益配置下运行时,TLV904x-Q1 具有良好的相位裕度(典型值为 45°),在高约 100pF 的纯容性负载下仍能保持稳定。某些超大电容器(CL 大于 1μF)的等效串联电阻足够改变反馈环路内的相位特性,从而使放大器保持稳定。增加放大器闭环增益使得放大器能够驱动更大的电容。如果在电压增益更高时测量放大器的过冲响应,放大器驱动能力的提升会非常明显。

要提升在单位增益配置下运行的放大器的容性负载驱动能力,一种方法是插入一个与输出串联的小型电阻器(一般为 10Ω 到 20Ω),(如图 6-3 中所示)。这个电阻器大大减少了与大容性负载相关的过冲和振铃。不过,该方法可能存在的问题是,这个新增的串联电阻和任一与容性负载并联的电阻会生成一个分压器。此分压器在输出上引入一个减少输出摆幅的增益误差。

TLV9044-Q1 增强容性负载驱动能力图 6-3 增强容性负载驱动能力