ZHCSLH0H June   2020  – November 2025 TLV9020 , TLV9021 , TLV9022 , TLV9024 , TLV9030 , TLV9031 , TLV9032 , TLV9034

PRODUCTION DATA  

  1.   1
  2. 特性
  3. 应用
  4. 说明
  5. 引脚配置和功能
    1. 4.1 引脚功能:TLV90x0 和 TLV90x1 单通道
    2. 4.2 引脚功能:TLV90x2 双通道
    3. 4.3 引脚功能:TLV90x4 四通道
  6. 规格
    1. 5.1  绝对最大额定值
    2. 5.2  ESD 等级
    3. 5.3  建议运行条件
    4. 5.4  热性能信息,TLV90x0、TLV90x1
    5. 5.5  热性能信息,TLV90x2
    6. 5.6  热性能信息,TLV90x4
    7. 5.7  电气特性,TLV90x0,TLV90x1
    8. 5.8  开关特性,TLV90x0、TLV90x1
    9. 5.9  电气特性,TLV90x2
    10. 5.10 开关特性,TLV90x2
    11. 5.11 电气特性,TLV90x4
    12. 5.12 开关特性,TLV90x4
    13. 5.13 典型特性
  7. 详细说明
    1. 6.1 概述
    2. 6.2 功能方框图
    3. 6.3 特性说明
    4. 6.4 器件功能模式
      1. 6.4.1 输出
        1. 6.4.1.1 TLV9022 和 TLV9024 开漏输出
        2. 6.4.1.2 TLV9032 和 TLV9034 推挽输出
      2. 6.4.2 输入
        1. 6.4.2.1 轨至轨输入
        2. 6.4.2.2 容错输入
        3. 6.4.2.3 输入保护
      3. 6.4.3 ESD 保护
      4. 6.4.4 未使用的输入
      5. 6.4.5 迟滞
  8. 应用和实施
    1. 7.1 应用信息
      1. 7.1.1 基本的比较器定义
        1. 7.1.1.1 运行
        2. 7.1.1.2 传播延迟
        3. 7.1.1.3 过驱电压
      2. 7.1.2 迟滞
        1. 7.1.2.1 具有迟滞功能的反相比较器
        2. 7.1.2.2 具有迟滞功能的同相比较器
        3. 7.1.2.3 使用开漏输出的反相和同相迟滞
    2. 7.2 典型应用
      1. 7.2.1 窗口比较器
        1. 7.2.1.1 设计要求
        2. 7.2.1.2 详细设计过程
        3. 7.2.1.3 应用曲线
      2. 7.2.2 方波振荡器
        1. 7.2.2.1 设计要求
        2. 7.2.2.2 详细设计过程
        3. 7.2.2.3 应用曲线
      3. 7.2.3 可调节的脉宽生成器
      4. 7.2.4 延时时间生成器
      5. 7.2.5 逻辑电平转换器
      6. 7.2.6 单稳态多谐振荡器
      7. 7.2.7 双稳态多谐振荡器
      8. 7.2.8 过零检测器
      9. 7.2.9 脉冲切片器
    3. 7.3 电源相关建议
    4. 7.4 布局
      1. 7.4.1 布局指南
      2. 7.4.2 布局示例
  9. 器件和文档支持
    1. 8.1 文档支持
      1. 8.1.1 相关文档
    2. 8.2 接收文档更新通知
    3. 8.3 支持资源
    4. 8.4 商标
    5. 8.5 静电放电警告
    6. 8.6 术语表
  10. 修订历史记录
  11. 10机械、封装和可订购信息

封装选项

机械数据 (封装 | 引脚)
散热焊盘机械数据 (封装 | 引脚)
订购信息

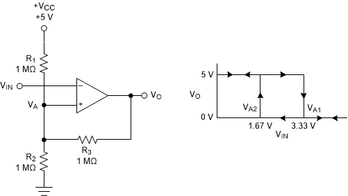
具有迟滞功能的反相比较器

具有迟滞功能的反相比较器需要一个以比较器电源电压 (V+) 为基准的三电阻器网络,如图 7-3 所示。

TLV9020 TLV9021 TLV9022 TLV9024 TLV9030 TLV9031 TLV9032 TLV9034 采用反相配置、具有迟滞功能的 TLV903x图 7-3 采用反相配置、具有迟滞功能的 TLV903x

输出为高电平和低电平时的等效电阻器网络如图 7-3 所示。

TLV9020 TLV9021 TLV9022 TLV9024 TLV9030 TLV9031 TLV9032 TLV9034 反相配置电阻器等效网络图 7-4 反相配置电阻器等效网络

当 VIN 小于 VA 时,输出电压为高电平(为简单起见,假设 VO 切换至与 VCC 一样高)。三电阻器网络可以表示为 R1 || R3 与 R2 串联,如图 7-4 所示。

下面的方程式 1 定义了从高电平转换到低电平的跳变电压 (VA1)。

方程式 1. V A 1 = V C C × R 2 R 1 R 3 + R 2

当 VIN 大于 VA 时,输出电压较低。在这种情况下,三电阻器网络可以表示为 R2 || R3 与 R1 串联,如方程式 2 所示。

使用方程式 2 定义从低电平转换到高电平的跳变电压 (VA2)。

方程式 2. V A 2 = V C C × R 2 R 3 R 1 + R 2 R 3

方程式 3 定义了网络提供的总迟滞。

方程式 3. Δ V A = V A 1 - V A 2