ZHCSLH0H June   2020  – November 2025 TLV9020 , TLV9021 , TLV9022 , TLV9024 , TLV9030 , TLV9031 , TLV9032 , TLV9034

PRODUCTION DATA  

  1.   1
  2. 特性
  3. 应用
  4. 说明
  5. 引脚配置和功能
    1. 4.1 引脚功能:TLV90x0 和 TLV90x1 单通道
    2. 4.2 引脚功能:TLV90x2 双通道
    3. 4.3 引脚功能:TLV90x4 四通道
  6. 规格
    1. 5.1  绝对最大额定值
    2. 5.2  ESD 等级
    3. 5.3  建议运行条件
    4. 5.4  热性能信息,TLV90x0、TLV90x1
    5. 5.5  热性能信息,TLV90x2
    6. 5.6  热性能信息,TLV90x4
    7. 5.7  电气特性,TLV90x0,TLV90x1
    8. 5.8  开关特性,TLV90x0、TLV90x1
    9. 5.9  电气特性,TLV90x2
    10. 5.10 开关特性,TLV90x2
    11. 5.11 电气特性,TLV90x4
    12. 5.12 开关特性,TLV90x4
    13. 5.13 典型特性
  7. 详细说明
    1. 6.1 概述
    2. 6.2 功能方框图
    3. 6.3 特性说明
    4. 6.4 器件功能模式
      1. 6.4.1 输出
        1. 6.4.1.1 TLV9022 和 TLV9024 开漏输出
        2. 6.4.1.2 TLV9032 和 TLV9034 推挽输出
      2. 6.4.2 输入
        1. 6.4.2.1 轨至轨输入
        2. 6.4.2.2 容错输入
        3. 6.4.2.3 输入保护
      3. 6.4.3 ESD 保护
      4. 6.4.4 未使用的输入
      5. 6.4.5 迟滞
  8. 应用和实施
    1. 7.1 应用信息
      1. 7.1.1 基本的比较器定义
        1. 7.1.1.1 运行
        2. 7.1.1.2 传播延迟
        3. 7.1.1.3 过驱电压
      2. 7.1.2 迟滞
        1. 7.1.2.1 具有迟滞功能的反相比较器
        2. 7.1.2.2 具有迟滞功能的同相比较器
        3. 7.1.2.3 使用开漏输出的反相和同相迟滞
    2. 7.2 典型应用
      1. 7.2.1 窗口比较器
        1. 7.2.1.1 设计要求
        2. 7.2.1.2 详细设计过程
        3. 7.2.1.3 应用曲线
      2. 7.2.2 方波振荡器
        1. 7.2.2.1 设计要求
        2. 7.2.2.2 详细设计过程
        3. 7.2.2.3 应用曲线
      3. 7.2.3 可调节的脉宽生成器
      4. 7.2.4 延时时间生成器
      5. 7.2.5 逻辑电平转换器
      6. 7.2.6 单稳态多谐振荡器
      7. 7.2.7 双稳态多谐振荡器
      8. 7.2.8 过零检测器
      9. 7.2.9 脉冲切片器
    3. 7.3 电源相关建议
    4. 7.4 布局
      1. 7.4.1 布局指南
      2. 7.4.2 布局示例
  9. 器件和文档支持
    1. 8.1 文档支持
      1. 8.1.1 相关文档
    2. 8.2 接收文档更新通知
    3. 8.3 支持资源
    4. 8.4 商标
    5. 8.5 静电放电警告
    6. 8.6 术语表
  10. 修订历史记录
  11. 10机械、封装和可订购信息

封装选项

机械数据 (封装 | 引脚)
散热焊盘机械数据 (封装 | 引脚)
订购信息

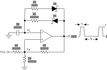
可调节的脉宽生成器

图 7-12方波振荡器 上的一种变体,能调整脉冲宽度。

R4 和 R5 根据输出状态为电容器 C 提供单独的充电和放电路径。

TLV9020 TLV9021 TLV9022 TLV9024 TLV9030 TLV9031 TLV9032 TLV9034 可调节的脉宽生成器图 7-12 可调节的脉宽生成器

当输出为高电平时,充电路径通过 R5 和 D2 进行设置。同样,当输出为低电平时,电容器的放电路径通过 R4 和 D1 进行设置。

脉冲宽度 t1 由 R5 和 C 的 RC 时间常数决定。因此,脉冲之间的时间 t2 可通过改变 R4 来更改,脉冲宽度可通过 R5 来更改。输出的频率可通过改变 R4 和 R5 来更改。在低电压下,必须通过在计算中改变输出高电压和低电压来考虑二极管正向压降(0.8V,或对于肖特基二极管为 0.15V)的影响。