ZHCSLZ2B October   2022  – September 2023 TLV1811-Q1 , TLV1812-Q1 , TLV1814-Q1 , TLV1821-Q1 , TLV1822-Q1 , TLV1824-Q1

PRODMIX  

  1.   1
  2. 特性
  3. 应用
  4. 说明
  5. Revision History
  6. Pin Configuration and Functions
    1.     Pin Functions: TLV18x1-Q1 and TLV18x1L-Q1
    2.     Pin Functions: TLV1812-Q1 and TLV1822-Q1
    3.     Pin Functions: TLV1814-Q1 and TLV1824-Q1
  7. Specifications
    1. 6.1 Absolute Maximum Ratings
    2. 6.2 ESD Ratings
    3. 6.3 Recommended Operating Conditions
    4. 6.4 Thermal Information - Single
    5. 6.5 Thermal Information - Dual
    6. 6.6 Thermal Information - Quad
    7. 6.7 Electrical Characteristics
    8. 6.8 Switching Characteristics
  8. Typical Characteristics
  9. Detailed Description
    1. 8.1 Overview
    2. 8.2 Functional Block Diagrams
    3. 8.3 Feature Description
    4. 8.4 Device Functional Modes
      1. 8.4.1 Inputs
        1. 8.4.1.1 TLV18xx Rail-to-Rail Input
        2. 8.4.1.2 ESD Protection
        3. 8.4.1.3 Unused Inputs
      2. 8.4.2 Outputs
        1. 8.4.2.1 TLV181x-Q1 Push-Pull Output
        2. 8.4.2.2 TLV182x-Q1 Open-Drain Output
      3. 8.4.3 Power-On Reset (POR)
      4. 8.4.4 Hysteresis
  10. Application and Implementation
    1. 9.1 Application Information
      1. 9.1.1 Basic Comparator Definitions
        1. 9.1.1.1 Operation
        2. 9.1.1.2 Propagation Delay
        3. 9.1.1.3 Overdrive Voltage
      2. 9.1.2 Hysteresis
        1. 9.1.2.1 Inverting Comparator With Hysteresis
        2. 9.1.2.2 Non-Inverting Comparator With Hysteresis
        3. 9.1.2.3 Inverting and Non-Inverting Hysteresis using Open-Drain Output
    2. 9.2 Typical Applications
      1. 9.2.1 Window Comparator
        1. 9.2.1.1 Design Requirements
        2. 9.2.1.2 Detailed Design Procedure
        3. 9.2.1.3 Application Curve
      2. 9.2.2 Square-Wave Oscillator
        1. 9.2.2.1 Design Requirements
        2. 9.2.2.2 Detailed Design Procedure
        3. 9.2.2.3 Application Curve
      3. 9.2.3 Adjustable Pulse Width Generator
      4. 9.2.4 Time Delay Generator
      5. 9.2.5 Logic Level Shifter
      6. 9.2.6 One-Shot Multivibrator
      7. 9.2.7 Bi-Stable Multivibrator
      8. 9.2.8 Zero Crossing Detector
      9. 9.2.9 Pulse Slicer
    3. 9.3 Power Supply Recommendations
    4. 9.4 Layout
      1. 9.4.1 Layout Guidelines
      2. 9.4.2 Layout Example
  11. 10Device and Documentation Support
    1. 10.1 Documentation Support
      1. 10.1.1 Related Documentation
    2. 10.2 接收文档更新通知
    3. 10.3 支持资源
    4. 10.4 Trademarks
    5. 10.5 静电放电警告
    6. 10.6 术语表
  12. 11Mechanical, Packaging, and Orderable Information

封装选项

机械数据 (封装 | 引脚)
散热焊盘机械数据 (封装 | 引脚)
订购信息

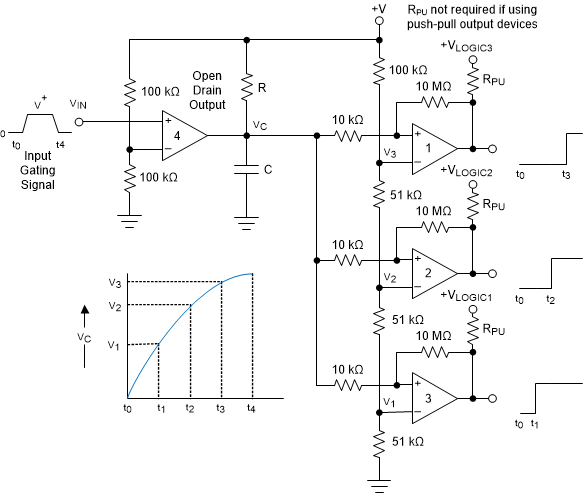
Time Delay Generator

The circuit shown in Figure 9-13 provides output signals at a prescribed time interval from a time reference and automatically resets the output low when the input returns to 0 V. This is useful for sequencing a "power on" signal to trigger a controlled start-up of power supplies.

GUID-E28C83D5-E112-455C-AFE6-23EC22D838C7-low.gifFigure 9-13 Time Delay Generator

Consider the case of VIN = 0. The output of comparator 4 is also at ground, "shorting" the capacitor and holding it at 0V. This implies that the outputs of comparators 1, 2, and 3 are also at 0V. When an input signal is applied, the output of open drain comparator 4 goes High-Z and C charges exponentially through R. This is indicated in the graph. The output voltages of comparators 1, 2, and 3 switch to the high state in sequence when VC rises above the reference voltages V1, V2 and V3. A small amount of hysteresis has been provided by the 10 kΩ and 10 MΩ resistors to insure fast switching when the RC time constant is chosen to give long delay times. A good starting point is R = 100 kΩ and C = 0.01 µF to 1 µF.

All outputs will immediately go low when VIN falls to 0V, due to the comparator output going low and immediately discharging the capacitor.

Comparator 4 must be a open-drain type output (TLV182x-Q1), whereas comparators 1 though 3 may be either open drain or push-pull output, depending on system requirements. RPU is not required for push-pull output devices.