ZHCSLZ2B October   2022  – September 2023 TLV1811-Q1 , TLV1812-Q1 , TLV1814-Q1 , TLV1821-Q1 , TLV1822-Q1 , TLV1824-Q1

PRODMIX  

  1.   1
  2. 特性
  3. 应用
  4. 说明
  5. Revision History
  6. Pin Configuration and Functions
    1.     Pin Functions: TLV18x1-Q1 and TLV18x1L-Q1
    2.     Pin Functions: TLV1812-Q1 and TLV1822-Q1
    3.     Pin Functions: TLV1814-Q1 and TLV1824-Q1
  7. Specifications
    1. 6.1 Absolute Maximum Ratings
    2. 6.2 ESD Ratings
    3. 6.3 Recommended Operating Conditions
    4. 6.4 Thermal Information - Single
    5. 6.5 Thermal Information - Dual
    6. 6.6 Thermal Information - Quad
    7. 6.7 Electrical Characteristics
    8. 6.8 Switching Characteristics
  8. Typical Characteristics
  9. Detailed Description
    1. 8.1 Overview
    2. 8.2 Functional Block Diagrams
    3. 8.3 Feature Description
    4. 8.4 Device Functional Modes
      1. 8.4.1 Inputs
        1. 8.4.1.1 TLV18xx Rail-to-Rail Input
        2. 8.4.1.2 ESD Protection
        3. 8.4.1.3 Unused Inputs
      2. 8.4.2 Outputs
        1. 8.4.2.1 TLV181x-Q1 Push-Pull Output
        2. 8.4.2.2 TLV182x-Q1 Open-Drain Output
      3. 8.4.3 Power-On Reset (POR)
      4. 8.4.4 Hysteresis
  10. Application and Implementation
    1. 9.1 Application Information
      1. 9.1.1 Basic Comparator Definitions
        1. 9.1.1.1 Operation
        2. 9.1.1.2 Propagation Delay
        3. 9.1.1.3 Overdrive Voltage
      2. 9.1.2 Hysteresis
        1. 9.1.2.1 Inverting Comparator With Hysteresis
        2. 9.1.2.2 Non-Inverting Comparator With Hysteresis
        3. 9.1.2.3 Inverting and Non-Inverting Hysteresis using Open-Drain Output
    2. 9.2 Typical Applications
      1. 9.2.1 Window Comparator
        1. 9.2.1.1 Design Requirements
        2. 9.2.1.2 Detailed Design Procedure
        3. 9.2.1.3 Application Curve
      2. 9.2.2 Square-Wave Oscillator
        1. 9.2.2.1 Design Requirements
        2. 9.2.2.2 Detailed Design Procedure
        3. 9.2.2.3 Application Curve
      3. 9.2.3 Adjustable Pulse Width Generator
      4. 9.2.4 Time Delay Generator
      5. 9.2.5 Logic Level Shifter
      6. 9.2.6 One-Shot Multivibrator
      7. 9.2.7 Bi-Stable Multivibrator
      8. 9.2.8 Zero Crossing Detector
      9. 9.2.9 Pulse Slicer
    3. 9.3 Power Supply Recommendations
    4. 9.4 Layout
      1. 9.4.1 Layout Guidelines
      2. 9.4.2 Layout Example
  11. 10Device and Documentation Support
    1. 10.1 Documentation Support
      1. 10.1.1 Related Documentation
    2. 10.2 接收文档更新通知
    3. 10.3 支持资源
    4. 10.4 Trademarks
    5. 10.5 静电放电警告
    6. 10.6 术语表
  12. 11Mechanical, Packaging, and Orderable Information

封装选项

机械数据 (封装 | 引脚)
散热焊盘机械数据 (封装 | 引脚)
订购信息

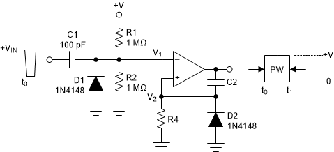
One-Shot Multivibrator

GUID-A1E0B25E-2647-44FC-8130-2FA47A61A882-low.gifFigure 9-15 One-Shot Multivibrator

A monostable multivibrator has one stable state in which it can remain indefinitely. It can be triggered externally to another quasi-stable state. A monostable multivibrator can thus be used to generate a pulse of desired width.

The desired pulse width is set by adjusting the values of C2 and R4. The resistor divider of R1 and R2 can be used to determine the magnitude of the input trigger pulse. The output will change state when V1 < V2. Diode D2 provides a rapid discharge path for capacitor C2 to reset at the end of the pulse. The diode also prevents the non-inverting input from being driven below ground.