ZHCS949C June   2012  – January 2024 TLC59283

PRODUCTION DATA  

  1.   1
  2. 特性
  3. 应用
  4. 说明
  5. 引脚配置
  6. 规格
    1. 5.1 绝对最大额定值
    2. 5.2 存储条件
    3. 5.3 ESD 等级
    4. 5.4 建议运行条件
    5. 5.5 热性能信息
    6. 5.6 电气特性
    7. 5.7 计时特性
    8. 5.8 时序图
    9. 5.9 典型特性
  7. 参数测量信息
    1. 6.1 引脚等效输入和输出原理图
    2. 6.2 测试电路
  8. 详细说明
    1. 7.1 概述
    2. 7.2 功能方框图
    3. 7.3 特性说明
      1. 7.3.1 恒定灌电流值设置
      2. 7.3.2 恒流驱动器开关控制
      3. 7.3.3 噪声降低
        1. 7.3.3.1 内部预充电 FET
        2. 7.3.3.2 提高输出控制环路稳定性
  9. 寄存器配置
  10. 应用和实施
    1. 9.1 应用信息
    2. 9.2 典型应用
      1. 9.2.1 设计要求
      2. 9.2.2 详细设计过程
      3. 9.2.3 应用性能曲线图
    3. 9.3 电源相关建议
    4. 9.4 布局
      1. 9.4.1 布局指南
      2. 9.4.2 布局示例
  11. 10器件和文档支持
    1. 10.1 第三方产品免责声明
    2. 10.2 文档支持
      1. 10.2.1 相关文档
    3. 10.3 接收文档更新通知
    4. 10.4 支持资源
    5. 10.5 商标
    6. 10.6 静电放电警告
    7. 10.7 术语表
  12. 11修订历史记录
  13. 12机械、封装和可订购信息

封装选项

机械数据 (封装 | 引脚)
散热焊盘机械数据 (封装 | 引脚)
订购信息

内部预充电 FET

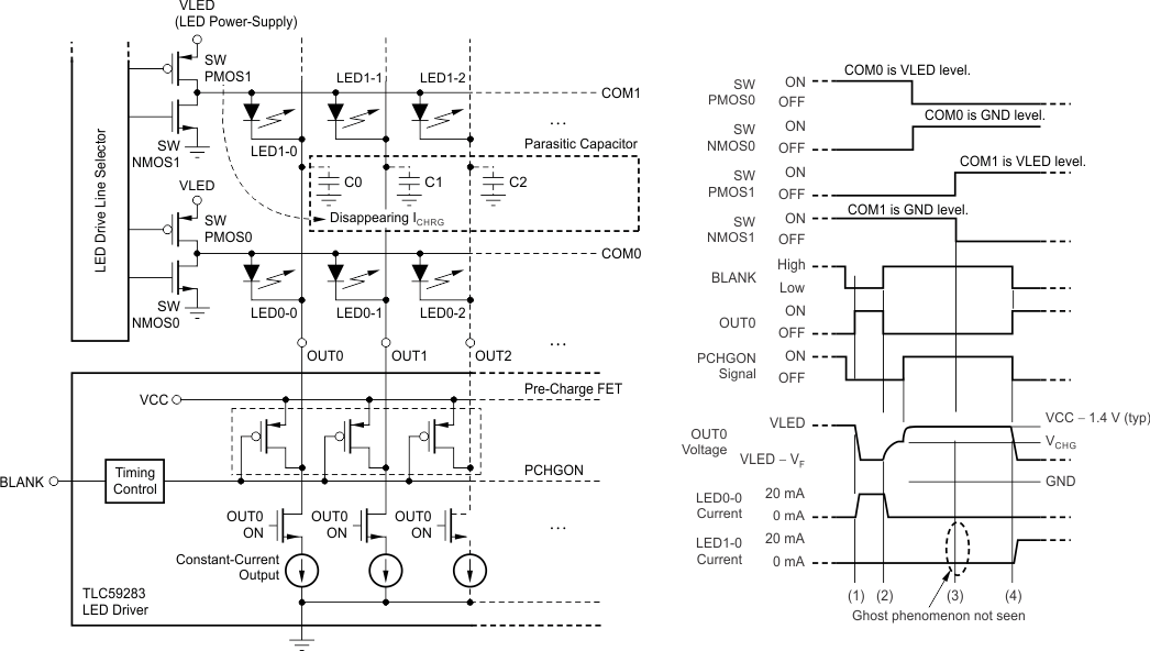
内部预充电 FET 可防止多路复用 LED 模块出现重影。造成重影现象的其中一个原因是恒流输出 (OUTn) 的寄生电容充电电流以及通过 LED 连接到 OUTn 的 PCB 线路。图 7-1 中显示了其中的一种机制。

图 7-1 中,恒流驱动器会使 LED0-0 在 (1) 处点亮并在 (2) 处熄灭。LED0-0 熄灭后,OUT0 电压会被 LED0-0 上拉至 VCHG。该 OUT0 节点具有一些寄生电容(例如恒流驱动器输出电容和电路板布局电容,如 C0-2 所示)。LED0-0 熄灭后,SWPMOS0 关断,SWNMOS0 为 COM0 导通,并且 COM0 下拉至 GND。由于 COM0 和 OUT0 之间存在寄生电容,因此 OUT0 电压也会下拉至 GND。然后,SWPMOS1 为下一个公共线 (COM1) 导通。当 SWPMOS1 导通时,OUT0 电压会从地电压被上拉至 VLED – VF。充电电流 (ICHRG) 通过 LED1-0 流入寄生电容 (C0),导致 LED 短暂亮起并产生 LED1-0 的重影效果。

GUID-90F34823-C2AB-4C1B-9606-588D92735588-low.gif图 7-1 LED 重影现象机制

TLC59283 具有一个内部预充电 FET,用于防止重影,如图 7-2 所示。当一条公共线的 PWM 控制延迟一小段时间后,FET 会将 OUTn 上拉至 VCC。当 SWMOS1 导通时,充电电流不通过 LED1-0 流向 C0,(3) 处的重影消除。不过,根据 LED 阳极电压、串联的 LED 数量、LED 正向电压和 TLC59283 VCC 电源电压,可能无法实现足够好的重影消除效果。

GUID-45ADFEBA-922A-4266-A4E3-BCA76DB16246-low.gif图 7-2 预充电 FET 产生的 LED 重影机制