ZHCS949C June   2012  – January 2024 TLC59283

PRODUCTION DATA  

  1.   1
  2. 特性
  3. 应用
  4. 说明
  5. 引脚配置
  6. 规格
    1. 5.1 绝对最大额定值
    2. 5.2 存储条件
    3. 5.3 ESD 等级
    4. 5.4 建议运行条件
    5. 5.5 热性能信息
    6. 5.6 电气特性
    7. 5.7 计时特性
    8. 5.8 时序图
    9. 5.9 典型特性
  7. 参数测量信息
    1. 6.1 引脚等效输入和输出原理图
    2. 6.2 测试电路
  8. 详细说明
    1. 7.1 概述
    2. 7.2 功能方框图
    3. 7.3 特性说明
      1. 7.3.1 恒定灌电流值设置
      2. 7.3.2 恒流驱动器开关控制
      3. 7.3.3 噪声降低
        1. 7.3.3.1 内部预充电 FET
        2. 7.3.3.2 提高输出控制环路稳定性
  9. 寄存器配置
  10. 应用和实施
    1. 9.1 应用信息
    2. 9.2 典型应用
      1. 9.2.1 设计要求
      2. 9.2.2 详细设计过程
      3. 9.2.3 应用性能曲线图
    3. 9.3 电源相关建议
    4. 9.4 布局
      1. 9.4.1 布局指南
      2. 9.4.2 布局示例
  11. 10器件和文档支持
    1. 10.1 第三方产品免责声明
    2. 10.2 文档支持
      1. 10.2.1 相关文档
    3. 10.3 接收文档更新通知
    4. 10.4 支持资源
    5. 10.5 商标
    6. 10.6 静电放电警告
    7. 10.7 术语表
  12. 11修订历史记录
  13. 12机械、封装和可订购信息

封装选项

机械数据 (封装 | 引脚)
散热焊盘机械数据 (封装 | 引脚)
订购信息

引脚等效输入和输出原理图

GUID-6D78067A-8633-4E90-AAE6-60BAEB5E460C-low.gif图 6-1 SIN 和 SCLK
GUID-09422B27-6A90-44C6-99D6-A17DFE8DDBCD-low.gif图 6-2 LAT
GUID-4A75AB7D-BCB8-4502-BCA8-3F51ABE377D7-low.gif图 6-3 空白
GUID-E38766ED-26B2-4690-81EF-A89CA4D3E2B3-low.gif图 6-4 SOUT
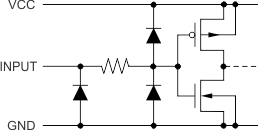
GUID-12C42414-36C8-4A61-8ECE-D2904ADE435A-low.gif
n = 0 至 15。
图 6-5 OUT0 至 OUT15