ZHCSYA2G June   2008  – May 2025

PRODUCTION DATA  

  1.   1
  2. 特性
  3. 应用
  4. 说明
  5. 引脚配置和功能
  6. 规格
    1. 5.1 绝对最大额定值 #GUID-CD5A394D-84DA-49EE-9F1D-C347D3339D1D/SLOS4567624
    2. 5.2 ESD 等级
    3. 5.3 建议运行条件
    4. 5.4 热性能信息
    5. 5.5 TL4050x20-Q1 电气特性
    6. 5.6 TL4050x25-Q1 电气特性
    7. 5.7 TL4050x41-Q1 电气特性
    8. 5.8 TL4050x50-Q1 电气特性
    9. 5.9 典型特性
  7. 详细说明
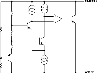
    1. 6.1 功能方框图
  8. 应用信息
    1. 7.1 输出电容器
    2. 7.2 SOT-23-3 引脚连接
    3. 7.3 可与 ADC 或 DAC 搭配使用
    4. 7.4 阴极和负载电流
  9. 器件和文档支持
    1. 8.1 文档支持
    2. 8.2 接收文档更新通知
    3. 8.3 支持资源
    4. 8.4 商标
    5. 8.5 静电放电警告
    6. 8.6 术语表
  10. 修订历史记录
  11. 10机械、封装和可订购信息

封装选项

机械数据 (封装 | 引脚)
散热焊盘机械数据 (封装 | 引脚)
订购信息

功能方框图

有关最新的封装和订购信息,请参阅本文档结尾的封装选项附录,或访问 TI 网站 www.ti.com

封装图、热数据和符号可登录 www.ti.com/packaging 获取。

TL4050-Q1 功能方框图图 6-1 功能方框图