ZHCSH30C August   2017  – April 2018 TAS5755M

PRODUCTION DATA.  

  1. 特性
  2. 应用
  3. 说明
    1.     Device Images
      1.      效率与总输出功率间的关系
      2.      输出功率与电源电压间的关系
  4. 修订历史记录
  5. Device Comparison Table
  6. Pin Configuration and Functions
    1.     Pin Functions
  7. Specifications
    1. 7.1  Absolute Maximum Ratings
    2. 7.2  ESD Ratings
    3. 7.3  Recommended Operating Conditions
    4. 7.4  Thermal Information
    5. 7.5  PWM Operation at Recommended Operating Conditions
    6. 7.6  DC Electrical Characteristics
    7. 7.7  AC Electrical Characteristics (BTL, PBTL)
    8. 7.8  Electrical Characteristics - PLL External Filter Components
    9. 7.9  Electrical Characteristic - I2C Serial Control Port Operation
    10. 7.10 Timing Requirements - PLL Input Parameters
    11. 7.11 Timing Requirements - Serial Audio Ports Slave Mode
    12. 7.12 Timing Requirements - I2C Serial Control Port Operation
    13. 7.13 Timing Requirements - Reset (RESET)
    14. 7.14 Typical Characteristics
      1. 7.14.1 Typical Characteristics, 2.1 SE Configuration
      2. 7.14.2 Typical Characteristics, 2.0 BTL Configuration
      3. 7.14.3 Typical Characteristics, PBTL Configuration
  8. Parameter Measurement Information
  9. Detailed Description
    1. 9.1 Overview
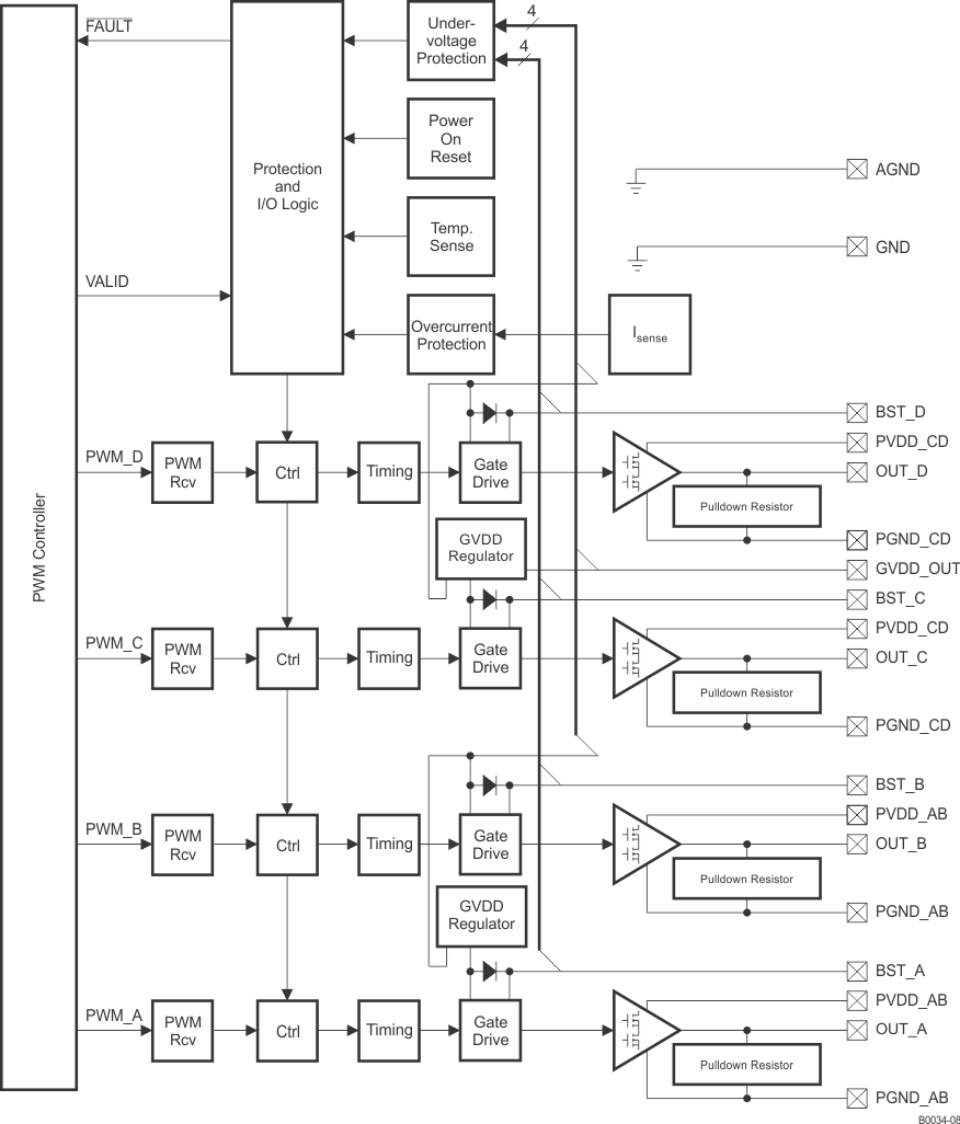
    2. 9.2 Functional Block Diagrams
    3. 9.3 Feature Description
      1. 9.3.1  Power Supply
      2. 9.3.2  I2C Address Selection and Fault Output
      3. 9.3.3  Single-Filter PBTL Mode
      4. 9.3.4  Device Protection System
        1. 9.3.4.1 Overcurrent (OC) Protection With Current Limiting
        2. 9.3.4.2 Overtemperature Protection
        3. 9.3.4.3 Undervoltage Protection (UVP) and Power-On Reset (POR)
      5. 9.3.5  SSTIMER Functionality
      6. 9.3.6  Clock, Autodetection, and PLL
      7. 9.3.7  PWM Section
      8. 9.3.8  2.1-Mode Support
      9. 9.3.9  I2C Compatible Serial Control Interface
      10. 9.3.10 Audio Serial Interface
        1. 9.3.10.1 I2S Timing
        2. 9.3.10.2 Left-Justified
        3. 9.3.10.3 Right-Justified
      11. 9.3.11 Dynamic Range Control (DRC)
    4. 9.4 Device Functional Modes
      1. 9.4.1 Stereo BTL Mode
      2. 9.4.2 Mono PBTL Mode
      3. 9.4.3 2.1 Mode
    5. 9.5 Programming
      1. 9.5.1 I2C Serial Control Interface
        1. 9.5.1.1 General I2C Operation
        2. 9.5.1.2 Single- and Multiple-Byte Transfers
        3. 9.5.1.3 Single-Byte Write
        4. 9.5.1.4 Multiple-Byte Write
        5. 9.5.1.5 Single-Byte Read
        6. 9.5.1.6 Multiple-Byte Read
      2. 9.5.2 26-Bit 3.23 Number Format
    6. 9.6 Register Maps
      1. 9.6.1 Register Map Summary
      2. 9.6.2 Register Maps
        1. 9.6.2.1  Clock Control Register (0x00)
        2. 9.6.2.2  Device ID Register (0x01)
        3. 9.6.2.3  Error Status Register (0x02)
        4. 9.6.2.4  System Control Register 1 (0x03)
        5. 9.6.2.5  Serial Data Interface Register (0x04)
        6. 9.6.2.6  System Control Register 2 (0x05)
        7. 9.6.2.7  Soft Mute Register (0x06)
        8. 9.6.2.8  Volume Registers (0x07, 0x08, 0x09, 0x0A)
        9. 9.6.2.9  Volume Configuration Register (0x0E)
        10. 9.6.2.10 Modulation Limit Register (0x10)
        11. 9.6.2.11 Interchannel Delay Registers (0x11, 0x12, 0x13, and 0x14)
        12. 9.6.2.12 PWM Shutdown Group Register (0x19)
        13. 9.6.2.13 Start/Stop Period Register (0x1A)
        14. 9.6.2.14 Oscillator Trim Register (0x1B)
        15. 9.6.2.15 BKND_ERR Register (0x1C)
        16. 9.6.2.16 Input Multiplexer Register (0x20)
        17. 9.6.2.17 Channel 4 Source Select Register (0x21)
        18. 9.6.2.18 PWM Output Mux Register (0x25)
        19. 9.6.2.19 DRC Control Register (0x46)
        20. 9.6.2.20 Bank Switch and EQ Control Register (0x50)
  10. 10Application and Implementation
    1. 10.1 Application Information
    2. 10.2 Typical Applications
      1. 10.2.1 Stereo Bridge Tied Load Application
        1. 10.2.1.1 Design Requirements
        2. 10.2.1.2 Detailed Design Procedure
          1. 10.2.1.2.1 Component Selection and Hardware Connections
          2. 10.2.1.2.2 I2C Pullup Resistors
          3. 10.2.1.2.3 Digital I/O Connectivity
          4. 10.2.1.2.4 Recommended Start-Up and Shutdown Procedures
            1. 10.2.1.2.4.1 Initialization Sequence
            2. 10.2.1.2.4.2 Normal Operation
            3. 10.2.1.2.4.3 Shutdown Sequence
            4. 10.2.1.2.4.4 Power-Down Sequence
        3. 10.2.1.3 Application Curves
      2. 10.2.2 Mono Parallel Bridge Tied Load Application
        1. 10.2.2.1 Design Requirements
        2. 10.2.2.2 Detailed Design Procedure
        3. 10.2.2.3 Application Curves
      3. 10.2.3 2.1 Application
        1. 10.2.3.1 Design Requirements
        2. 10.2.3.2 Detailed Design Procedure
        3. 10.2.3.3 Application Curves
  11. 11Power Supply Recommendations
    1. 11.1 DVDD and AVDD Supplies
    2. 11.2 PVDD Power Supply
  12. 12Layout
    1. 12.1 Layout Guidelines
    2. 12.2 Layout Examples
  13. 13器件和文档支持
    1. 13.1 器件支持
      1. 13.1.1 开发支持
    2. 13.2 文档支持
      1. 13.2.1 相关文档
    3. 13.3 社区资源
    4. 13.4 商标
    5. 13.5 静电放电警告
    6. 13.6 术语表

封装选项

机械数据 (封装 | 引脚)
散热焊盘机械数据 (封装 | 引脚)
订购信息

Functional Block Diagrams

TAS5755M B0262-14_LOS726.gifFigure 43. Functional Block Diagram
TAS5755M B0034-08_SLOS838.gifFigure 44. Power-Stage Functional Block Diagram
TAS5755M B0321-14_los838.gifFigure 45. DAP Process Structure