ZHCSOI2I July   1985  – August 2025 SN65176B , SN75176B

PRODUCTION DATA  

  1.   1
  2. 特性
  3. 应用
  4. 说明
  5. 引脚配置和功能
  6. 规格
    1. 5.1 绝对最大额定值
    2. 5.2 建议运行条件
    3. 5.3 热性能信息
    4. 5.4 电气特性 - 驱动器
    5. 5.5 电气特性 - 接收器
    6. 5.6 开关特性 - 驱动器
    7. 5.7 开关特性 - 接收器
    8. 5.8 典型特性
  7.   参数测量信息
  8. 详细说明
    1. 6.1 概述
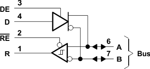
    2. 6.2 功能方框图
    3. 6.3 特性说明
      1. 6.3.1 驱动器
      2. 6.3.2 接收器
    4. 6.4 器件功能模式
      1. 6.4.1 器件上电
      2. 6.4.2 器件未通电
      3. 6.4.3 符号交叉参考
  9. 应用和实施
    1. 7.1 应用信息
    2. 7.2 典型应用
      1. 7.2.1 设计要求
      2. 7.2.2 详细设计过程
      3. 7.2.3 应用曲线
    3. 7.3 系统示例
    4. 7.4 电源相关建议
    5. 7.5 布局
      1. 7.5.1 布局指南
      2. 7.5.2 布局示例
  10. 器件和文档支持
    1. 8.1 接收文档更新通知
    2. 8.2 支持资源
    3. 8.3 商标
    4. 8.4 静电放电警告
    5. 8.5 术语表
  11. 修订历史记录
  12. 10机械、封装和可订购信息
    1. 10.1 卷带包装信息

封装选项

请参考 PDF 数据表获取器件具体的封装图。

机械数据 (封装 | 引脚)
  • D|8
  • P|8
  • PS|8
  • |
散热焊盘机械数据 (封装 | 引脚)
订购信息

说明

SN65176B 和 SN75176B 差分总线收发器旨在实现多点总线传输线路上的双向数据通信。SN65176B 和 SN75176B 专为平衡传输线路而设计,符合 ANSI 标准 TIA/EIA-422-B 和 TIA/EIA-485-A 以及 ITU 建议 V.11 和 X.27。

SN65176B 和 SN75176B 器件整合了一个三态差分线路驱动器和一个差分输入线路接收器,两者均采用 5V 单电源供电。驱动器具有高电平有效使能端,接收器具有低电平有效使能端,它们可以在外部连接在一起以用作方向控制。驱动器差分输出端和接收器差分输入端在内部连接以形成差分输入/输出 (I/O) 总线端口,这些端口用于在禁用驱动器或 VCC = 0 时为总线提供最小负载。这些端口具有较宽的正负共模电压范围,使得该器件适用于合用线应用。

驱动器旨在实现高达 60mA 的灌电流或拉电流。驱动器具有正负电流限制和热关断功能,避免出现线路故障状况。根据设计在大约 150°C 的结温下发生热关断。接收器具有 12kΩ 的最小输入阻抗、±200mV 的输入灵敏度和 50mV 的典型输入迟滞。

封装信息
器件型号封装(引脚)(1)封装尺寸(2)
SNx5176D(SOIC,8)4.90mm × 3.91mm
P(PDIP,8)9.81mm × 6.35mm
PS(SOP,8)6.20mm × 5.30mm
有关更多信息,请参阅 节 10
封装尺寸(长 × 宽)为标称值,并包括引脚(如适用)。
SN65176B SN75176B 简化版原理图简化版原理图