ZHCSRE4C june   2005  – december 2022 SN74LVC8T245

PRODUCTION DATA  

  1. 特性
  2. 应用
  3. 说明
  4. Revision History
  5. Pin Configuration and Functions
  6. Specifications
    1. 6.1  Absolute Maximum Ratings
    2. 6.2  ESD Ratings
    3. 6.3  Recommended Operating Conditions
    4. 6.4  Thermal Information DB, DBQ and DGV
    5. 6.5  Thermal Information PW and RHL
    6. 6.6  Electrical Characteristics
    7. 6.7  Switching Characteristics, VCCA = 1.8 V ± 0.15 V
    8. 6.8  Switching Characteristics, VCCA = 2.5 V ± 0.2 V
    9. 6.9  Switching Characteristics, VCCA = 3.3 V ± 0.3 V
    10. 6.10 Switching Characteristics, VCCA = 5 V ± 0.5 V
    11. 6.11 Operating Characteristics
    12. 6.12 Typical Characteristics
  7. Parameter Measurement Information
  8. Detailed Description
    1. 8.1 Overview
    2. 8.2 Functional Block Diagram
    3. 8.3 Feature Description
      1. 8.3.1 Fully Configurable Dual-Rail Design Allows Each Port to Operate Over the Full 1.65-V to 5.5-V Power-Supply Range
      2. 8.3.2 Ioff Supports Partial-Power-Down Mode Operation
      3. 8.3.3 Balanced High-Drive CMOS Push-Pull Outputs
      4. 8.3.4 Vcc Isolation
    4. 8.4 Device Functional Modes
  9. Application and Implementation
    1. 9.1 Application Information
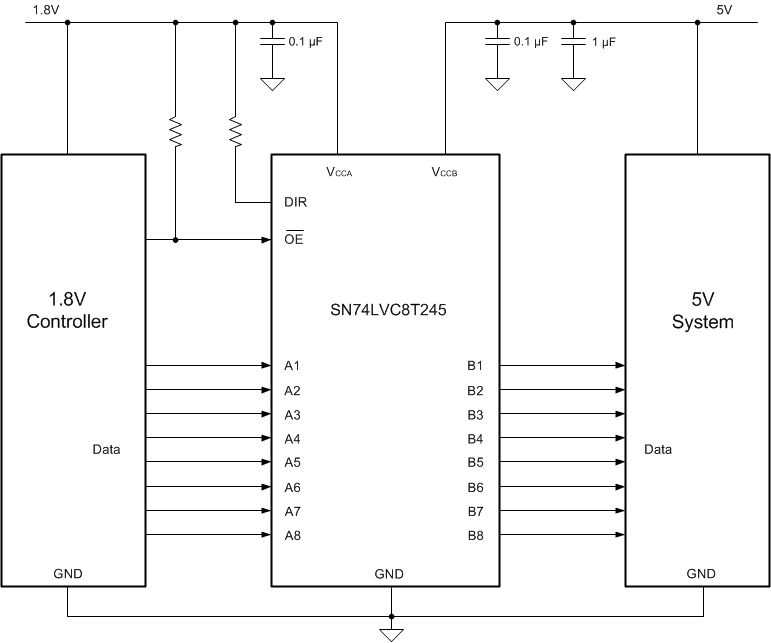
    2. 9.2 Typical Application
      1. 9.2.1 Design Requirements
      2. 9.2.2 Detailed Design Procedure
      3. 9.2.3 Application Curve
  10. 10Power Supply Recommendations
  11. 11Layout
    1. 11.1 Layout Guidelines
    2. 11.2 Layout Example
  12. 12Device and Documentation Support
    1. 12.1 接收文档更新通知
    2. 12.2 支持资源
    3. 12.3 Trademarks
    4. 12.4 静电放电警告
    5. 12.5 术语表
  13. 13Mechanical, Packaging, and Orderable Information

封装选项

请参考 PDF 数据表获取器件具体的封装图。

机械数据 (封装 | 引脚)
  • DGV|24
  • RHL|24
  • DBQ|24
  • NS|24
  • DB|24
  • DW|24
  • PW|24
散热焊盘机械数据 (封装 | 引脚)
订购信息

Typical Application

GUID-864FB75D-5E10-4F2F-A90B-06B0FA2796FB-low.gif Figure 9-1 Typical Application Circuit