ZHCSB64C June   2013  – March 2021 SN6501-Q1

PRODUCTION DATA  

  1. 特性
  2. 应用
  3. 说明
  4. Revision History
  5. Pin Configuration and Functions
  6. Specifications
    1. 6.1 Absolute Maximum Ratings
    2. 6.2 Handling Ratings
    3. 6.3 Recommended Operating Conditions
    4. 6.4 Thermal Information
    5. 6.5 Electrical Characteristics
    6. 6.6 Switching Characteristics
    7. 6.7 Typical Characteristics
  7. Parameter Measurement Information
    1. 7.1 15
  8. Detailed Description
    1. 8.1 Overview
    2. 8.2 Functional Block Diagram
    3. 8.3 Feature Description
      1. 8.3.1 Push-Pull Converter
      2. 8.3.2 Core Magnetization
    4. 8.4 Device Functional Modes
      1. 8.4.1 Start-Up Mode
      2. 8.4.2 Operating Mode
      3. 8.4.3 Off-Mode
  9. Application and Implementation
    1. 9.1 Application Information
    2. 9.2 Typical Application
      1. 9.2.1 Design Requirements
      2. 9.2.2 Detailed Design Procedure
        1. 9.2.2.1 SN6501 Drive Capability
        2. 9.2.2.2 LDO Selection
        3. 9.2.2.3 Diode Selection
        4. 9.2.2.4 Capacitor Selection
        5. 9.2.2.5 Transformer Selection
          1. 9.2.2.5.1 V-t Product Calculation
          2. 9.2.2.5.2 Turns Ratio Estimate
          3. 9.2.2.5.3 Recommended Transformers
      3. 9.2.3 Application Curve
      4. 9.2.4 Higher Output Voltage Designs
      5. 9.2.5 Application Circuits
  10. 10Power Supply Recommendations
    1. 10.1 43
  11. 11Layout
    1. 11.1 Layout Guidelines
    2. 11.2 Layout Example
  12. 12Device and Documentation Support
    1. 12.1 Device Support
      1. 12.1.1 第三方产品免责声明
    2. 12.2 Trademarks
    3. 12.3 静电放电警告
    4. 12.4 术语表
  13. 13Mechanical, Packaging, and Orderable Information

封装选项

机械数据 (封装 | 引脚)
散热焊盘机械数据 (封装 | 引脚)
订购信息

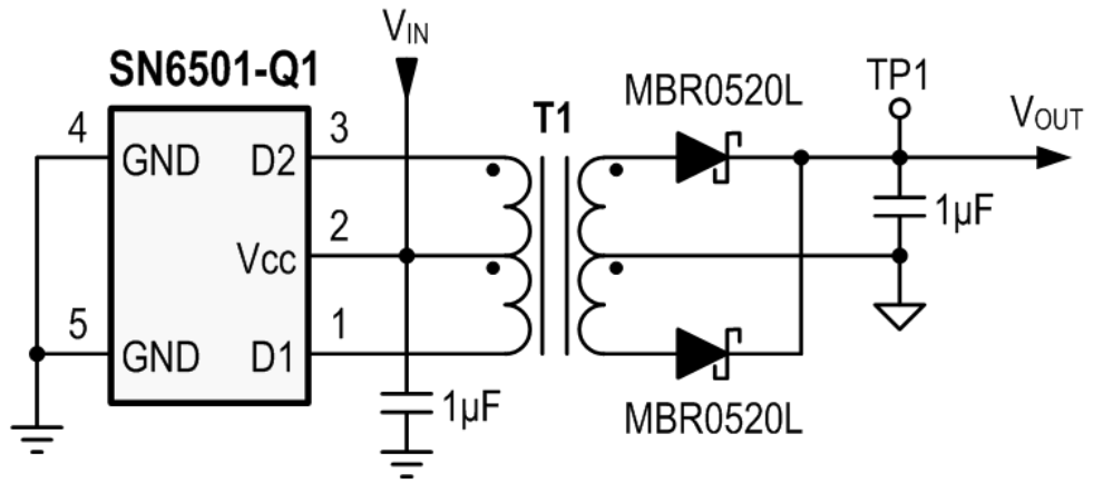
GUID-B83FE21E-8D5E-4EE9-8FA7-8E72745CC090-low.gifFigure 7-1 Measurement Circuit for Unregulated Output (TP1)
GUID-E793E9F6-767A-4EDC-A326-073E27A68561-low.gifFigure 7-2 Timing Diagram
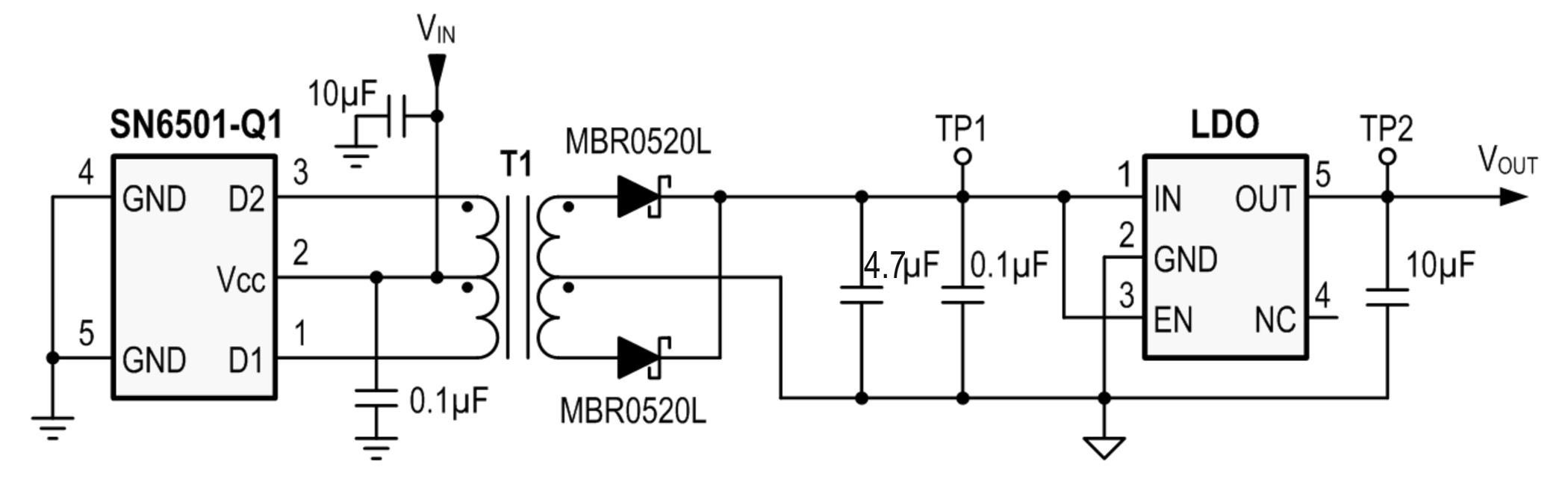
GUID-66AB9F35-3968-4926-853C-DACD625DD3C4-low.pngFigure 7-3 Measurement Circuit for regulated Output (TP1 and TP2)
GUID-AB115559-A2F9-4930-AC6E-387C7F98BA70-low.gifFigure 7-4 Test Circuit For RON, FSW, FSt, Tr-D, Tf-D, TBBM