SBASA14 May   2020 PCMD3180

PRODUCTION DATA.  

  1. Features
  2. Applications
  3. Description
    1.     Simplified Block Diagram
  4. Revision History
  5. Pin Configuration and Functions
    1.     Pin Functions
  6. Specifications
    1. 6.1  Absolute Maximum Ratings
    2. 6.2  ESD Ratings
    3. 6.3  Recommended Operating Conditions
    4. 6.4  Thermal Information
    5. 6.5  Electrical Characteristics
    6. 6.6  Timing Requirements: I2C Interface
    7. 6.7  Switching Characteristics: I2C Interface
    8. 6.8  Timing Requirements: SPI Interface
    9. 6.9  Switching Characteristics: SPI Interface
    10. 6.10 Timing Requirements: TDM, I2S or LJ Interface
    11. 6.11 Switching Characteristics: TDM, I2S or LJ Interface
    12. 6.12 Timing Requirements: PDM Digital Microphone Interface
    13. 6.13 Switching Characteristics: PDM Digial Microphone Interface
    14. 6.14 Typical Characteristics
  7. Detailed Description
    1. 7.1 Overview
    2. 7.2 Functional Block Diagram
    3. 7.3 Feature Description
      1. 7.3.1 Serial Interfaces
        1. 7.3.1.1 Control Serial Interfaces
        2. 7.3.1.2 Audio Serial Interfaces
          1. 7.3.1.2.1 Time Division Multiplexed Audio (TDM) Interface
          2. 7.3.1.2.2 Inter IC Sound (I2S) Interface
          3. 7.3.1.2.3 Left-Justified (LJ) Interface
        3. 7.3.1.3 Using Multiple Devices With Shared Buses
      2. 7.3.2 Phase-Locked Loop (PLL) and Clock Generation
      3. 7.3.3 Reference Voltage
      4. 7.3.4 Microphone Bias
      5. 7.3.5 Digital PDM Microphone Record Channel
      6. 7.3.6 Signal-Chain Processing
        1. 7.3.6.1 Programmable Digital Volume Control
        2. 7.3.6.2 Programmable Channel Gain Calibration
        3. 7.3.6.3 Programmable Channel Phase Calibration
        4. 7.3.6.4 Programmable Digital High-Pass Filter
        5. 7.3.6.5 Programmable Digital Biquad Filters
        6. 7.3.6.6 Programmable Channel Summer and Digital Mixer
        7. 7.3.6.7 Configurable Digital Decimation Filters
          1. 7.3.6.7.1 Linear Phase Filters
            1. 7.3.6.7.1.1 Sampling Rate: 8 kHz or 7.35 kHz
            2. 7.3.6.7.1.2 Sampling Rate: 16 kHz or 14.7 kHz
            3. 7.3.6.7.1.3 Sampling Rate: 24 kHz or 22.05 kHz
            4. 7.3.6.7.1.4 Sampling Rate: 32 kHz or 29.4 kHz
            5. 7.3.6.7.1.5 Sampling Rate: 48 kHz or 44.1 kHz
            6. 7.3.6.7.1.6 Sampling Rate: 96 kHz or 88.2 kHz
            7. 7.3.6.7.1.7 Sampling Rate: 192 kHz or 176.4 kHz
            8. 7.3.6.7.1.8 Sampling Rate: 384 kHz or 352.8 kHz
            9. 7.3.6.7.1.9 Sampling Rate 768 kHz or 705.6 kHz
          2. 7.3.6.7.2 Low-Latency Filters
            1. 7.3.6.7.2.1 Sampling Rate: 16 kHz or 14.7 kHz
            2. 7.3.6.7.2.2 Sampling Rate: 24 kHz or 22.05 kHz
            3. 7.3.6.7.2.3 Sampling Rate: 32 kHz or 29.4 kHz
            4. 7.3.6.7.2.4 Sampling Rate: 48 kHz or 44.1 kHz
            5. 7.3.6.7.2.5 Sampling Rate: 96 kHz or 88.2 kHz
            6. 7.3.6.7.2.6 Sampling Rate 192 kHz or 176.4 kHz
          3. 7.3.6.7.3 Ultra-Low-Latency Filters
            1. 7.3.6.7.3.1 Sampling Rate: 16 kHz or 14.7 kHz
            2. 7.3.6.7.3.2 Sampling Rate: 24 kHz or 22.05 kHz
            3. 7.3.6.7.3.3 Sampling Rate: 32 kHz or 29.4 kHz
            4. 7.3.6.7.3.4 Sampling Rate: 48 kHz or 44.1 kHz
            5. 7.3.6.7.3.5 Sampling Rate: 96 kHz or 88.2 kHz
            6. 7.3.6.7.3.6 Sampling Rate 192 kHz or 176.4 kHz
            7. 7.3.6.7.3.7 Sampling Rate 384 kHz or 352.8 kHz
      7. 7.3.7 Interrupts, Status, and Digital I/O Pin Multiplexing
    4. 7.4 Device Functional Modes
      1. 7.4.1 Hardware Shutdown
      2. 7.4.2 Sleep Mode or Software Shutdown
      3. 7.4.3 Active Mode
      4. 7.4.4 Software Reset
    5. 7.5 Programming
      1. 7.5.1 Control Serial Interfaces
        1. 7.5.1.1 I2C Control Interface
          1. 7.5.1.1.1 General I2C Operation
          2. 7.5.1.1.2 I2C Single-Byte and Multiple-Byte Transfers
            1. 7.5.1.1.2.1 I2C Single-Byte Write
            2. 7.5.1.1.2.2 I2C Multiple-Byte Write
            3. 7.5.1.1.2.3 I2C Single-Byte Read
            4. 7.5.1.1.2.4 I2C Multiple-Byte Read
        2. 7.5.1.2 SPI Control Interface
          1. Table 1. SPI Command Word
    6. 7.6 Register Maps
      1. 7.6.1 Device Configuration Registers
        1. 7.6.1.1 Register Summary Table Page=0x00
        2. 7.6.1.2 Register Descriptions
          1. 7.6.1.2.1  PAGE_CFG Register (page = 0x00, address = 0x00) [reset = 0h]
            1. Table 45. PAGE_CFG Register Field Descriptions
          2. 7.6.1.2.2  SW_RESET Register (page = 0x00, address = 0x01) [reset = 0h]
            1. Table 46. SW_RESET Register Field Descriptions
          3. 7.6.1.2.3  SLEEP_CFG Register (page = 0x00, address = 0x02) [reset = 0h]
            1. Table 47. SLEEP_CFG Register Field Descriptions
          4. 7.6.1.2.4  SHDN_CFG Register (page = 0x00, address = 0x05) [reset = 5h]
            1. Table 48. SHDN_CFG Register Field Descriptions
          5. 7.6.1.2.5  ASI_CFG0 Register (page = 0x00, address = 0x07) [reset = 30h]
            1. Table 49. ASI_CFG0 Register Field Descriptions
          6. 7.6.1.2.6  ASI_CFG1 Register (page = 0x00, address = 0x08) [reset = 0h]
            1. Table 50. ASI_CFG1 Register Field Descriptions
          7. 7.6.1.2.7  ASI_CFG2 Register (page = 0x00, address = 0x09) [reset = 0h]
            1. Table 51. ASI_CFG2 Register Field Descriptions
          8. 7.6.1.2.8  ASI_CH1 Register (page = 0x00, address = 0x0B) [reset = 0h]
            1. Table 52. ASI_CH1 Register Field Descriptions
          9. 7.6.1.2.9  ASI_CH2 Register (page = 0x00, address = 0x0C) [reset = 1h]
            1. Table 53. ASI_CH2 Register Field Descriptions
          10. 7.6.1.2.10 ASI_CH3 Register (page = 0x00, address = 0x0D) [reset = 2h]
            1. Table 54. ASI_CH3 Register Field Descriptions
          11. 7.6.1.2.11 ASI_CH4 Register (page = 0x00, address = 0x0E) [reset = 3h]
            1. Table 55. ASI_CH4 Register Field Descriptions
          12. 7.6.1.2.12 ASI_CH5 Register (page = 0x00, address = 0x0F) [reset = 4h]
            1. Table 56. ASI_CH5 Register Field Descriptions
          13. 7.6.1.2.13 ASI_CH6 Register (page = 0x00, address = 0x10) [reset = 5h]
            1. Table 57. ASI_CH6 Register Field Descriptions
          14. 7.6.1.2.14 ASI_CH7 Register (page = 0x00, address = 0x11) [reset = 6h]
            1. Table 58. ASI_CH7 Register Field Descriptions
          15. 7.6.1.2.15 ASI_CH8 Register (page = 0x00, address = 0x12) [reset = 7h]
            1. Table 59. ASI_CH8 Register Field Descriptions
          16. 7.6.1.2.16 MST_CFG0 Register (page = 0x00, address = 0x13) [reset = 2h]
            1. Table 60. MST_CFG0 Register Field Descriptions
          17. 7.6.1.2.17 MST_CFG1 Register (page = 0x00, address = 0x14) [reset = 48h]
            1. Table 61. MST_CFG1 Register Field Descriptions
          18. 7.6.1.2.18 ASI_STS Register (page = 0x00, address = 0x15) [reset = FFh]
            1. Table 62. ASI_STS Register Field Descriptions
          19. 7.6.1.2.19 CLK_SRC Register (page = 0x00, address = 0x16) [reset = 10h]
            1. Table 63. CLK_SRC Register Field Descriptions
          20. 7.6.1.2.20 PDMCLK_CFG Register (page = 0x00, address = 0x1F) [reset = 40h]
            1. Table 64. PDMCLK_CFG Register Field Descriptions
          21. 7.6.1.2.21 PDMIN_CFG Register (page = 0x00, address = 0x20) [reset = 0h]
            1. Table 65. PDMIN_CFG Register Field Descriptions
          22. 7.6.1.2.22 GPIO_CFG0 Register (page = 0x00, address = 0x21) [reset = 22h]
            1. Table 66. GPIO_CFG0 Register Field Descriptions
          23. 7.6.1.2.23 GPO_CFG0 Register (page = 0x00, address = 0x22) [reset = 0h]
            1. Table 67. GPO_CFG0 Register Field Descriptions
          24. 7.6.1.2.24 GPO_CFG1 Register (page = 0x00, address = 0x23) [reset = 0h]
            1. Table 68. GPO_CFG1 Register Field Descriptions
          25. 7.6.1.2.25 GPO_CFG2 Register (page = 0x00, address = 0x24) [reset = 0h]
            1. Table 69. GPO_CFG2 Register Field Descriptions
          26. 7.6.1.2.26 GPO_CFG3 Register (page = 0x00, address = 0x25) [reset = 0h]
            1. Table 70. GPO_CFG3 Register Field Descriptions
          27. 7.6.1.2.27 GPO_VAL Register (page = 0x00, address = 0x29) [reset = 0h]
            1. Table 71. GPO_VAL Register Field Descriptions
          28. 7.6.1.2.28 GPIO_MON Register (page = 0x00, address = 0x2A) [reset = 0h]
            1. Table 72. GPIO_MON Register Field Descriptions
          29. 7.6.1.2.29 GPI_CFG0 Register (page = 0x00, address = 0x2B) [reset = 0h]
            1. Table 73. GPI_CFG0 Register Field Descriptions
          30. 7.6.1.2.30 GPI_CFG1 Register (page = 0x00, address = 0x2C) [reset = 0h]
            1. Table 74. GPI_CFG1 Register Field Descriptions
          31. 7.6.1.2.31 GPI_MON Register (page = 0x00, address = 0x2F) [reset = 0h]
            1. Table 75. GPI_MON Register Field Descriptions
          32. 7.6.1.2.32 INT_CFG Register (page = 0x00, address = 0x32) [reset = 0h]
            1. Table 76. INT_CFG Register Field Descriptions
          33. 7.6.1.2.33 INT_MASK0 Register (page = 0x00, address = 0x33) [reset = FFh]
            1. Table 77. INT_MASK0 Register Field Descriptions
          34. 7.6.1.2.34 INT_LTCH0 Register (page = 0x00, address = 0x36) [reset = 0h]
            1. Table 78. INT_LTCH0 Register Field Descriptions
          35. 7.6.1.2.35 BIAS_CFG Register (page = 0x00, address = 0x3B) [reset = 0h]
            1. Table 79. BIAS_CFG Register Field Descriptions
          36. 7.6.1.2.36 CH1_CFG0 Register (page = 0x00, address = 0x3C) [reset = 0h]
            1. Table 80. CH1_CFG0 Register Field Descriptions
          37. 7.6.1.2.37 CH1_CFG2 Register (page = 0x00, address = 0x3E) [reset = C9h]
            1. Table 81. CH1_CFG2 Register Field Descriptions
          38. 7.6.1.2.38 CH1_CFG3 Register (page = 0x00, address = 0x3F) [reset = 80h]
            1. Table 82. CH1_CFG3 Register Field Descriptions
          39. 7.6.1.2.39 CH1_CFG4 Register (page = 0x00, address = 0x40) [reset = 0h]
            1. Table 83. CH1_CFG4 Register Field Descriptions
          40. 7.6.1.2.40 CH2_CFG0 Register (page = 0x00, address = 0x41) [reset = 0h]
            1. Table 84. CH2_CFG0 Register Field Descriptions
          41. 7.6.1.2.41 CH2_CFG2 Register (page = 0x00, address = 0x43) [reset = C9h]
            1. Table 85. CH2_CFG2 Register Field Descriptions
          42. 7.6.1.2.42 CH2_CFG3 Register (page = 0x00, address = 0x44) [reset = 80h]
            1. Table 86. CH2_CFG3 Register Field Descriptions
          43. 7.6.1.2.43 CH2_CFG4 Register (page = 0x00, address = 0x45) [reset = 0h]
            1. Table 87. CH2_CFG4 Register Field Descriptions
          44. 7.6.1.2.44 CH3_CFG0 Register (page = 0x00, address = 0x46) [reset = 0h]
            1. Table 88. CH3_CFG0 Register Field Descriptions
          45. 7.6.1.2.45 CH3_CFG2 Register (page = 0x00, address = 0x48) [reset = C9h]
            1. Table 89. CH3_CFG2 Register Field Descriptions
          46. 7.6.1.2.46 CH3_CFG3 Register (page = 0x00, address = 0x49) [reset = 80h]
            1. Table 90. CH3_CFG3 Register Field Descriptions
          47. 7.6.1.2.47 CH3_CFG4 Register (page = 0x00, address = 0x4A) [reset = 0h]
            1. Table 91. CH3_CFG4 Register Field Descriptions
          48. 7.6.1.2.48 CH4_CFG0 Register (page = 0x00, address = 0x4B) [reset = 0h]
            1. Table 92. CH4_CFG0 Register Field Descriptions
          49. 7.6.1.2.49 CH4_CFG2 Register (page = 0x00, address = 0x4D) [reset = C9h]
            1. Table 93. CH4_CFG2 Register Field Descriptions
          50. 7.6.1.2.50 CH4_CFG3 Register (page = 0x00, address = 0x4E) [reset = 80h]
            1. Table 94. CH4_CFG3 Register Field Descriptions
          51. 7.6.1.2.51 CH4_CFG4 Register (page = 0x00, address = 0x4F) [reset = 0h]
            1. Table 95. CH4_CFG4 Register Field Descriptions
          52. 7.6.1.2.52 CH5_CFG0 Register (page = 0x00, address = 0x50) [reset = 0h]
            1. Table 96. CH5_CFG0 Register Field Descriptions
          53. 7.6.1.2.53 CH5_CFG2 Register (page = 0x00, address = 0x52) [reset = C9h]
            1. Table 97. CH5_CFG2 Register Field Descriptions
          54. 7.6.1.2.54 CH5_CFG3 Register (page = 0x00, address = 0x53) [reset = 80h]
            1. Table 98. CH5_CFG3 Register Field Descriptions
          55. 7.6.1.2.55 CH5_CFG4 Register (page = 0x00, address = 0x54) [reset = 0h]
            1. Table 99. CH5_CFG4 Register Field Descriptions
          56. 7.6.1.2.56 CH6_CFG0 Register (page = 0x00, address = 0x55) [reset = 0h]
            1. Table 100. CH6_CFG0 Register Field Descriptions
          57. 7.6.1.2.57 CH6_CFG2 Register (page = 0x00, address = 0x57) [reset = C9h]
            1. Table 101. CH6_CFG2 Register Field Descriptions
          58. 7.6.1.2.58 CH6_CFG3 Register (page = 0x00, address = 0x58) [reset = 80h]
            1. Table 102. CH6_CFG3 Register Field Descriptions
          59. 7.6.1.2.59 CH6_CFG4 Register (page = 0x00, address = 0x59) [reset = 0h]
            1. Table 103. CH6_CFG4 Register Field Descriptions
          60. 7.6.1.2.60 CH7_CFG0 Register (page = 0x00, address = 0x5A) [reset = 0h]
            1. Table 104. CH7_CFG0 Register Field Descriptions
          61. 7.6.1.2.61 CH7_CFG2 Register (page = 0x00, address = 0x5C) [reset = C9h]
            1. Table 105. CH7_CFG2 Register Field Descriptions
          62. 7.6.1.2.62 CH7_CFG3 Register (page = 0x00, address = 0x5D) [reset = 80h]
            1. Table 106. CH7_CFG3 Register Field Descriptions
          63. 7.6.1.2.63 CH7_CFG4 Register (page = 0x00, address = 0x5E) [reset = 0h]
            1. Table 107. CH7_CFG4 Register Field Descriptions
          64. 7.6.1.2.64 CH8_CFG0 Register (page = 0x00, address = 0x5F) [reset = 0h]
            1. Table 108. CH8_CFG0 Register Field Descriptions
          65. 7.6.1.2.65 CH8_CFG2 Register (page = 0x00, address = 0x61) [reset = C9h]
            1. Table 109. CH8_CFG2 Register Field Descriptions
          66. 7.6.1.2.66 CH8_CFG3 Register (page = 0x00, address = 0x62) [reset = 80h]
            1. Table 110. CH8_CFG3 Register Field Descriptions
          67. 7.6.1.2.67 CH8_CFG4 Register (page = 0x00, address = 0x63) [reset = 0h]
            1. Table 111. CH8_CFG4 Register Field Descriptions
          68. 7.6.1.2.68 DSP_CFG0 Register (page = 0x00, address = 0x6B) [reset = 1h]
            1. Table 112. DSP_CFG0 Register Field Descriptions
          69. 7.6.1.2.69 DSP_CFG1 Register (page = 0x00, address = 0x6C) [reset = 40h]
            1. Table 113. DSP_CFG1 Register Field Descriptions
          70. 7.6.1.2.70 IN_CH_EN Register (page = 0x00, address = 0x73) [reset = F0h]
            1. Table 114. IN_CH_EN Register Field Descriptions
          71. 7.6.1.2.71 ASI_OUT_CH_EN Register (page = 0x00, address = 0x74) [reset = 0h]
            1. Table 115. ASI_OUT_CH_EN Register Field Descriptions
          72. 7.6.1.2.72 PWR_CFG Register (page = 0x00, address = 0x75) [reset = 0h]
            1. Table 116. PWR_CFG Register Field Descriptions
          73. 7.6.1.2.73 DEV_STS0 Register (page = 0x00, address = 0x76) [reset = 0h]
            1. Table 117. DEV_STS0 Register Field Descriptions
          74. 7.6.1.2.74 DEV_STS1 Register (page = 0x00, address = 0x77) [reset = 80h]
            1. Table 118. DEV_STS1 Register Field Descriptions
          75. 7.6.1.2.75 I2C_CKSUM Register (page = 0x00, address = 0x7E) [reset = 0h]
            1. Table 119. I2C_CKSUM Register Field Descriptions
      2. 7.6.2 Programmable Coefficient Registers
        1. 7.6.2.1 Programmable Coefficient Registers: Page = 0x02
        2. 7.6.2.2 Programmable Coefficient Registers: Page = 0x03
        3. 7.6.2.3 Programmable Coefficient Registers: Page = 0x04
  8. Application and Implementation
    1. 8.1 Application Information
    2. 8.2 Typical Applications
      1. 8.2.1 Eight-Channel Digital PDM Microphone Recording
        1. 8.2.1.1 Design Requirements
        2. 8.2.1.2 Detailed Design Procedure
          1. 8.2.1.2.1 Example Device Register Configuration Script for EVM Setup
        3. 8.2.1.3 Application Curves
    3. 8.3 What to Do and What Not to Do
  9. Power Supply Recommendations
  10. 10Layout
    1. 10.1 Layout Guidelines
    2. 10.2 Layout Example
  11. 11Device and Documentation Support
    1. 11.1 Documentation Support
      1. 11.1.1 Related Documentation
    2. 11.2 Receiving Notification of Documentation Updates
    3. 11.3 Support Resources
    4. 11.4 Trademarks
    5. 11.5 Electrostatic Discharge Caution
    6. 11.6 Glossary
  12. 12Mechanical, Packaging, and Orderable Information

封装选项

机械数据 (封装 | 引脚)
散热焊盘机械数据 (封装 | 引脚)
订购信息

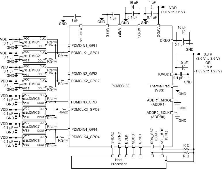
Eight-Channel Digital PDM Microphone Recording

Figure 161 shows a typical configuration of the PCMD3180 for an application using eight digital PDM MEMS microphones with simultaneous recording operation using an I2C control interface and the TDM audio data slave interface. If the MICBIAS output is not used in the system then the 1 µF capacitor for the MICBIAS pin is not must.

PCMD3180 apps-02-pcmd3180-sbasa14.gifFigure 161. Eight-Channel Digital PDM Microphone Recording Diagram