ZHCSTJ6A October   2023  – February 2024 OPA4990-Q1

ADVANCE INFORMATION  

  1.   1
  2. 特性
  3. 应用
  4. 说明
  5. Pin Configuration and Function
  6. Specifications
    1. 5.1 Absolute Maximum Ratings
    2. 5.2 ESD Ratings
    3. 5.3 Recommended Operating Conditions
    4. 5.4 Thermal Information for Single Channel
    5. 5.5 Thermal Information for Dual Channel
    6. 5.6 Thermal Information for Quad Channel
    7. 5.7 Electrical Characteristics
    8. 5.8 Typical Characteristics
  7. Detailed Description
    1. 6.1 Overview
    2. 6.2 Functional Block Diagram
    3. 6.3 Feature Description
      1. 6.3.1 Input Protection Circuitry
      2. 6.3.2 EMI Rejection
      3. 6.3.3 Thermal Protection
      4. 6.3.4 Capacitive Load and Stability
      5. 6.3.5 Common-Mode Voltage Range
      6. 6.3.6 Phase Reversal Protection
      7. 6.3.7 Electrical Overstress
      8. 6.3.8 Overload Recovery
      9. 6.3.9 Typical Specifications and Distributions
    4. 6.4 Device Functional Modes
  8. Application and Implementation
    1. 7.1 Application Information
    2. 7.2 Typical Applications
      1. 7.2.1 Low-Side Current Measurement
        1. 7.2.1.1 Design Requirements
        2. 7.2.1.2 Detailed Design Procedure
        3. 7.2.1.3 Application Curve
      2. 7.2.2 Slew Rate Limit for Input Protection
    3. 7.3 Power Supply Recommendations
    4. 7.4 Layout
      1. 7.4.1 Layout Guidelines
      2. 7.4.2 Layout Example
  9. Device and Documentation Support
    1. 8.1 Device Support
      1. 8.1.1 Development Support
        1. 8.1.1.1 TINA-TI (Free Software Download)
    2. 8.2 Documentation Support
      1. 8.2.1 Related Documentation
    3. 8.3 接收文档更新通知
    4. 8.4 支持资源
    5. 8.5 Trademarks
    6. 8.6 静电放电警告
    7. 8.7 术语表
  10. Revision History
  11. 10Mechanical, Packaging, and Orderable Information
    1. 10.1 Tape and Reel Information
    2. 10.2 Mechanical Data

封装选项

请参考 PDF 数据表获取器件具体的封装图。

机械数据 (封装 | 引脚)
  • PW|14
散热焊盘机械数据 (封装 | 引脚)
订购信息

Capacitive Load and Stability

The OPAx990-Q1 features a resistive output stage capable of driving moderate capacitive loads, and by leveraging an isolation resistor, the device can easily be configured to drive large capacitive loads. As shown in Figure 6-5 and Figure 6-6, increasing the gain enhances the ability of the amplifier to drive greater capacitive loads. The particular op amp circuit configuration, layout, gain, and output loading are some of the factors to consider when establishing whether an amplifier will be stable in operation.

GUID-CBFAC27F-BFA0-42FA-8136-853984C57034-low.gifFigure 6-5 Small-Signal Overshoot vs Capacitive Load (10mV Output Step, G = 1)
GUID-5BE8A562-5E27-4CD8-8B34-544CF5B31D94-low.gifFigure 6-6 Small-Signal Overshoot vs Capacitive Load (10mV Output Step, G = –1)

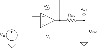
For additional drive capability in unity-gain configurations, improve capacitive load drive by inserting a small resistor, RISO, in series with the output, as shown in Figure 6-7. This resistor significantly reduces ringing and maintains DC performance for purely capacitive loads. However, if a resistive load is in parallel with the capacitive load, then a voltage divider is created, thus introducing a gain error at the output and slightly reducing the output swing. The error introduced is proportional to the ratio RISO / RL, and is generally negligible at low output levels. A high capacitive load drive makes the OPAx990-Q1 an excellent choice for applications such as reference buffers, MOSFET gate drives, and cable-shield drives. The circuit shown in Figure 6-7 uses an isolation resistor, RISO, to stabilize the output of an op amp. RISO modifies the open-loop gain of the system for increased phase margin.

GUID-3F8C8062-89BB-4C43-ACAE-7B84FC6FF0DF-low.gifFigure 6-7 Extending Capacitive Load Drive With the OPA990-Q1