ZHCSRS3E February   2023  – October 2025 MSPM0G1505 , MSPM0G1506 , MSPM0G1507

PRODUCTION DATA  

  1.   1
  2. 特性
  3. 应用
  4. 说明
  5. 功能方框图
  6. 器件比较
  7. 引脚配置和功能
    1. 6.1 引脚图
    2. 6.2 引脚属性
    3. 6.3 信号说明
    4. 6.4 未使用引脚的连接
  8. 规格
    1. 7.1  绝对最大额定值
    2. 7.2  ESD 等级
    3. 7.3  建议运行条件
    4. 7.4  热性能信息
    5. 7.5  电源电流特性
      1. 7.5.1 运行/睡眠模式
      2. 7.5.2 停止/待机模式
      3. 7.5.3 关断模式
    6. 7.6  电源时序
      1. 7.6.1 电源斜坡
        1. 7.6.1.1 POR 和 BOR
    7. 7.7  闪存特性
    8. 7.8  时序特性
    9. 7.9  时钟规格
      1. 7.9.1 系统振荡器 (SYSOSC)
      2. 7.9.2 SYSOSC 典型频率精度
        1. 7.9.2.1 低频振荡器 (LFOSC)
      3. 7.9.3 系统锁相环 (SYSPLL)
      4. 7.9.4 低频晶体/时钟
      5. 7.9.5 高频晶体/时钟
    10. 7.10 数字 IO
      1. 7.10.1 电气特性
      2. 7.10.2 开关特性
    11. 7.11 模拟多路复用器 VBOOST
    12. 7.12 ADC
      1. 7.12.1 电气特性
      2. 7.12.2 开关特性
      3. 7.12.3 线性参数
    13. 7.13 典型连接图
    14. 7.14 温度传感器
    15. 7.15 VREF
      1. 7.15.1 电压特性
      2. 7.15.2 电气特性
    16. 7.16 比较器 (COMP)
      1. 7.16.1 比较器电气特性
    17. 7.17 DAC
      1. 7.17.1 DAC_电源规格
      2. 7.17.2 DAC 输出规格
      3. 7.17.3 DAC 动态规格
      4. 7.17.4 DAC 线性度规格
      5. 7.17.5 DAC 时序规格
    18. 7.18 GPAMP
      1. 7.18.1 电气特性
      2. 7.18.2 开关特性
    19. 7.19 OPA
      1. 7.19.1 电气特性
      2. 7.19.2 开关特性
      3. 7.19.3 PGA 模式
    20. 7.20 I2C
      1. 7.20.1 I2C 特性
      2. 7.20.2 I2C 滤波器
        1. 7.20.2.1 I2C 时序图
    21. 7.21 SPI
      1. 7.21.1 SPI
      2. 7.21.2 SPI 时序图
    22. 7.22 UART
    23. 7.23 TIMx
    24. 7.24 TRNG
      1. 7.24.1 TRNG 电气特性
      2. 7.24.2 TRNG 开关特性
    25. 7.25 仿真和调试
      1. 7.25.1 SWD 时序
  9. 详细说明
    1. 8.1  CPU
    2. 8.2  操作模式
      1. 8.2.1 不同工作模式下的功能 (MSPM0G150x)
    3. 8.3  电源管理单元 (PMU)
    4. 8.4  时钟模块 (CKM)
    5. 8.5  DMA
    6. 8.6  事件
    7. 8.7  存储器
      1. 8.7.1 内存组织
      2. 8.7.2 外设文件映射
      3. 8.7.3 外设中断向量
    8. 8.8  闪存存储器
    9. 8.9  SRAM
    10. 8.10 GPIO
    11. 8.11 IOMUX
    12. 8.12 ADC
    13. 8.13 温度传感器
    14. 8.14 VREF
    15. 8.15 COMP
    16. 8.16 DAC
    17. 8.17 OPA
    18. 8.18 GPAMP
    19. 8.19 TRNG
    20. 8.20 AES
    21. 8.21 CRC
    22. 8.22 UART
    23. 8.23 I2C
    24. 8.24 SPI
    25. 8.25 WWDT
    26. 8.26 RTC
    27. 8.27 计时器 (TIMx)
    28. 8.28 器件模拟连接
    29. 8.29 输入/输出图
    30. 8.30 串行线调试接口
    31. 8.31 引导加载程序 (BSL)
    32. 8.32 器件出厂常量
    33. 8.33 标识
  10. 应用、实施和布局
    1. 9.1 典型应用
      1. 9.1.1 原理图
  11. 10器件和文档支持
    1. 10.1 入门和后续步骤
    2. 10.2 器件命名规则
    3. 10.3 工具与软件
    4. 10.4 文档支持
    5. 10.5 支持资源
    6. 10.6 商标
    7. 10.7 静电放电警告
    8. 10.8 术语表
  12. 11修订历史记录
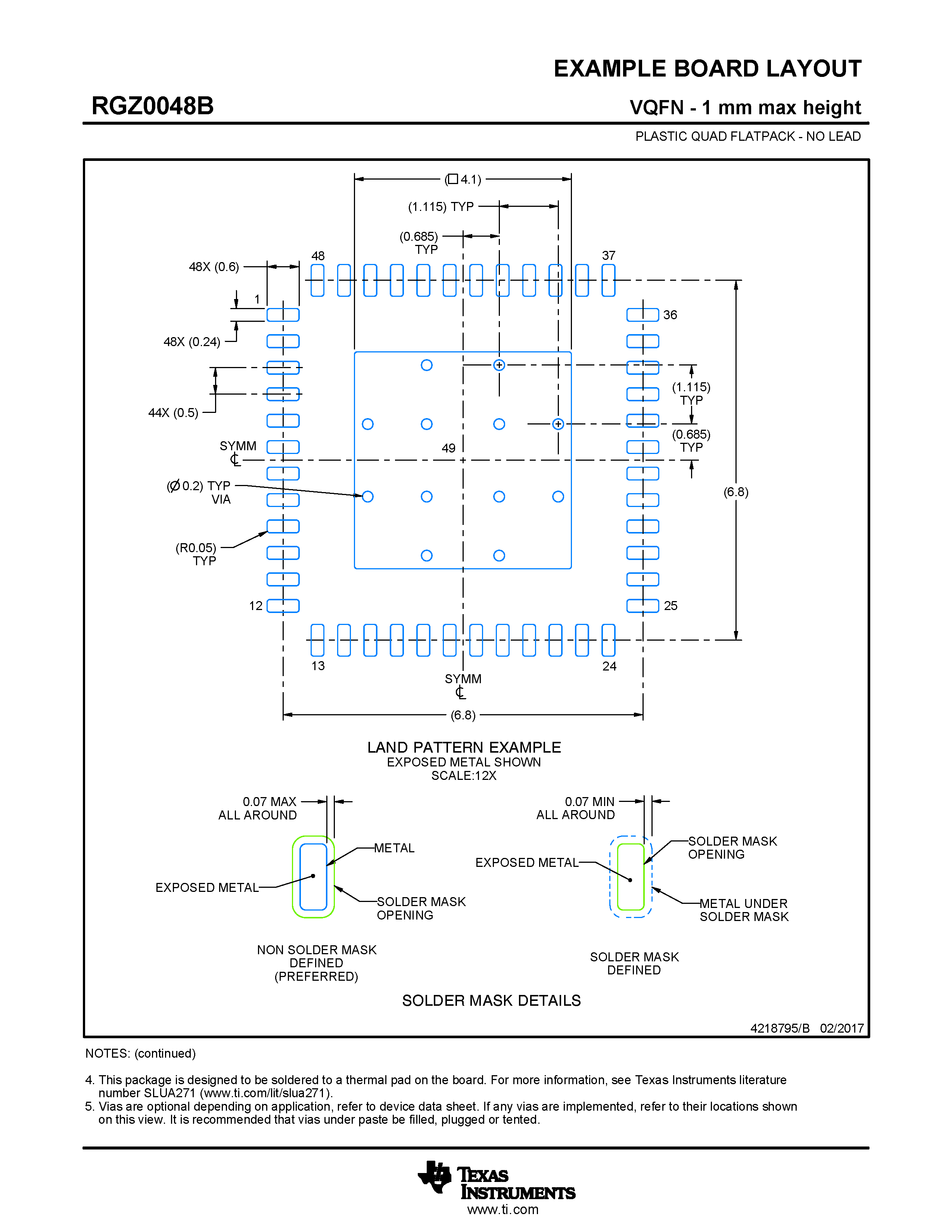
  13. 12机械、封装和可订购信息

封装选项

机械数据 (封装 | 引脚)
散热焊盘机械数据 (封装 | 引脚)
订购信息

机械、封装和可订购信息

以下页面包含机械、封装和可订购信息。这些信息是指定器件可用的最新数据。数据如有变更,恕不另行通知,且不会对此文档进行修订。有关此数据表的浏览器版本,请查阅左侧的导航栏。

MSPM0G1507 MSPM0G1506 MSPM0G1505
MSPM0G1507 MSPM0G1506 MSPM0G1505
MSPM0G1507 MSPM0G1506 MSPM0G1505
MSPM0G1507 MSPM0G1506 MSPM0G1505
MSPM0G1507 MSPM0G1506 MSPM0G1505
MSPM0G1507 MSPM0G1506 MSPM0G1505
MSPM0G1507 MSPM0G1506 MSPM0G1505
MSPM0G1507 MSPM0G1506 MSPM0G1505
MSPM0G1507 MSPM0G1506 MSPM0G1505
MSPM0G1507 MSPM0G1506 MSPM0G1505
MSPM0G1507 MSPM0G1506 MSPM0G1505
MSPM0G1507 MSPM0G1506 MSPM0G1505
MSPM0G1507 MSPM0G1506 MSPM0G1505
MSPM0G1507 MSPM0G1506 MSPM0G1505
MSPM0G1507 MSPM0G1506 MSPM0G1505
MSPM0G1507 MSPM0G1506 MSPM0G1505
MSPM0G1507 MSPM0G1506 MSPM0G1505
MSPM0G1507 MSPM0G1506 MSPM0G1505