ZHCSF37C March   2016  – August 2018 MSP430FR5962 , MSP430FR5964 , MSP430FR5992 , MSP430FR5994 , MSP430FR59941

PRODUCTION DATA.  

  1. 1器件概述
    1. 1.1 特性
    2. 1.2 应用
    3. 1.3 说明
    4. 1.4 功能框图
  2. 2修订历史记录
  3. 3Device Comparison
    1. 3.1 Related Products
  4. 4Terminal Configuration and Functions
    1. 4.1 Pin Diagrams
    2. 4.2 Pin Attributes
    3. 4.3 Signal Descriptions
      1. Table 4-2 Signal Descriptions
    4. 4.4 Pin Multiplexing
    5. 4.5 Buffer Types
    6. 4.6 Connection of Unused Pins
  5. 5Specifications
    1. 5.1  Absolute Maximum Ratings
    2. 5.2  ESD Ratings
    3. 5.3  Recommended Operating Conditions
    4. 5.4  Active Mode Supply Current Into VCC Excluding External Current
    5. 5.5  Typical Characteristics, Active Mode Supply Currents
    6. 5.6  Low-Power Mode (LPM0, LPM1) Supply Currents Into VCC Excluding External Current
    7. 5.7  Low-Power Mode (LPM2, LPM3, LPM4) Supply Currents (Into VCC) Excluding External Current
    8. 5.8  Low-Power Mode (LPMx.5) Supply Currents (Into VCC) Excluding External Current
    9. 5.9  Typical Characteristics, Low-Power Mode Supply Currents
    10. 5.10 Typical Characteristics, Current Consumption per Module
    11. 5.11 Thermal Packaging Characteristics
    12. 5.12 Timing and Switching Characteristics
      1. 5.12.1  Power Supply Sequencing
        1. Table 5-1 Brownout and Device Reset Power Ramp Requirements
        2. Table 5-2 SVS
      2. 5.12.2  Reset Timing
        1. Table 5-3 Reset Input
      3. 5.12.3  Clock Specifications
        1. Table 5-4 Low-Frequency Crystal Oscillator, LFXT
        2. Table 5-5 High-Frequency Crystal Oscillator, HFXT
        3. Table 5-6 DCO
        4. Table 5-7 Internal Very-Low-Power Low-Frequency Oscillator (VLO)
        5. Table 5-8 Module Oscillator (MODOSC)
      4. 5.12.4  Wake-up Characteristics
        1. Table 5-9  Wake-up Times From Low-Power Modes and Reset
        2. 5.12.4.1   Typical Characteristics, Average LPM Currents vs Wake-up Frequency
        3. Table 5-10 Typical Wake-up Charge
      5. 5.12.5  Digital I/Os
        1. Table 5-11 Digital Inputs
        2. Table 5-12 Digital Outputs
        3. 5.12.5.1   Typical Characteristics, Digital Outputs at 3.0 V and 2.2 V
        4. Table 5-13 Pin-Oscillator Frequency, Ports Px
        5. 5.12.5.2   Typical Characteristics, Pin-Oscillator Frequency
      6. 5.12.6  LEA (Low-Energy Accelerator) (MSP430FR599x Only)
        1. Table 5-14 Low Energy Accelerator Performance
      7. 5.12.7  Timer_A and Timer_B
        1. Table 5-15 Timer_A
        2. Table 5-16 Timer_B
      8. 5.12.8  eUSCI
        1. Table 5-17 eUSCI (UART Mode) Clock Frequency
        2. Table 5-18 eUSCI (UART Mode)
        3. Table 5-19 eUSCI (SPI Master Mode) Clock Frequency
        4. Table 5-20 eUSCI (SPI Master Mode)
        5. Table 5-21 eUSCI (SPI Slave Mode)
        6. Table 5-22 eUSCI (I2C Mode)
      9. 5.12.9  ADC12_B
        1. Table 5-23 12-Bit ADC, Power Supply and Input Range Conditions
        2. Table 5-24 12-Bit ADC, Timing Parameters
        3. Table 5-25 12-Bit ADC, Linearity Parameters
        4. Table 5-26 12-Bit ADC, Dynamic Performance With External Reference
        5. Table 5-27 12-Bit ADC, Dynamic Performance With Internal Reference
        6. Table 5-28 12-Bit ADC, Temperature Sensor and Built-In V1/2
        7. Table 5-29 12-Bit ADC, External Reference
      10. 5.12.10 Reference
        1. Table 5-30 REF, Built-In Reference
      11. 5.12.11 Comparator
        1. Table 5-31 Comparator_E
      12. 5.12.12 FRAM
        1. Table 5-32 FRAM
      13. 5.12.13 Emulation and Debug
        1. Table 5-33 JTAG and Spy-Bi-Wire Interface
  6. 6Detailed Description
    1. 6.1  Overview
    2. 6.2  CPU
    3. 6.3  Low-Energy Accelerator (LEA) for Signal Processing (MSP430FR599x Only)
    4. 6.4  Operating Modes
      1. 6.4.1 Peripherals in Low-Power Modes
      2. 6.4.2 Idle Currents of Peripherals in LPM3 and LPM4
    5. 6.5  Interrupt Vector Table and Signatures
    6. 6.6  Bootloader (BSL)
    7. 6.7  JTAG Operation
      1. 6.7.1 JTAG Standard Interface
      2. 6.7.2 Spy-Bi-Wire Interface
    8. 6.8  FRAM Controller A (FRCTL_A)
    9. 6.9  RAM
    10. 6.10 Tiny RAM
    11. 6.11 Memory Protection Unit (MPU) Including IP Encapsulation
    12. 6.12 Peripherals
      1. 6.12.1  Digital I/O
      2. 6.12.2  Oscillator and Clock System (CS)
      3. 6.12.3  Power-Management Module (PMM)
      4. 6.12.4  Hardware Multiplier (MPY)
      5. 6.12.5  Real-Time Clock (RTC_C)
      6. 6.12.6  Watchdog Timer (WDT_A)
      7. 6.12.7  System Module (SYS)
      8. 6.12.8  DMA Controller
      9. 6.12.9  Enhanced Universal Serial Communication Interface (eUSCI)
      10. 6.12.10 TA0, TA1, and TA4
      11. 6.12.11 TA2 and TA3
      12. 6.12.12 TB0
      13. 6.12.13 ADC12_B
      14. 6.12.14 Comparator_E
      15. 6.12.15 CRC16
      16. 6.12.16 CRC32
      17. 6.12.17 AES256 Accelerator
      18. 6.12.18 True Random Seed
      19. 6.12.19 Shared Reference (REF)
      20. 6.12.20 Embedded Emulation
        1. 6.12.20.1 Embedded Emulation Module (EEM) (S Version)
        2. 6.12.20.2 EnergyTrace++ Technology
    13. 6.13 Input/Output Diagrams
      1. 6.13.1  Capacitive Touch Functionality on Ports P1 to P8, and PJ
      2. 6.13.2  Port P1 (P1.0 to P1.2) Input/Output With Schmitt Trigger
      3. 6.13.3  Port P1 (P1.3 to P1.5) Input/Output With Schmitt Trigger
      4. 6.13.4  Port P1 (P1.6 and P1.7) Input/Output With Schmitt Trigger
      5. 6.13.5  Port P2 (P2.0 to P2.2) Input/Output With Schmitt Trigger
      6. 6.13.6  Port P2 (P2.3 and P2.4) Input/Output With Schmitt Trigger
      7. 6.13.7  Port P2 (P2.5 and P2.6) Input/Output With Schmitt Trigger
      8. 6.13.8  Port P2 (P2.7) Input/Output With Schmitt Trigger
      9. 6.13.9  Port P3 (P3.0 to P3.3) Input/Output With Schmitt Trigger
      10. 6.13.10 Port P3 (P3.4 to P3.7) Input/Output With Schmitt Trigger
      11. 6.13.11 Port P4 (P4.0 to P4.3) Input/Output With Schmitt Trigger
      12. 6.13.12 Port P4 (P4.4 to P4.7) Input/Output With Schmitt Trigger
      13. 6.13.13 Port P5 (P5.0 to P5.7) Input/Output With Schmitt Trigger
      14. 6.13.14 Port P6 (P6.0 to P6.7) Input/Output With Schmitt Trigger
      15. 6.13.15 Port P7 (P7.0 to P7.3) Input/Output With Schmitt Trigger
      16. 6.13.16 Port P7 (P7.4 to P7.7) Input/Output With Schmitt Trigger
      17. 6.13.17 Port P8 (P8.0 to P8.3) Input/Output With Schmitt Trigger
      18. 6.13.18 Port PJ (PJ.4 and PJ.5) Input/Output With Schmitt Trigger
      19. 6.13.19 Port PJ (PJ.6 and PJ.7) Input/Output With Schmitt Trigger
      20. 6.13.20 Port PJ (PJ.0 to PJ.3) JTAG Pins TDO, TMS, TCK, TDI/TCLK, Input/Output With Schmitt Trigger
    14. 6.14 Device Descriptors (TLV)
    15. 6.15 Memory Map
      1. 6.15.1 Peripheral File Map
    16. 6.16 Identification
      1. 6.16.1 Revision Identification
      2. 6.16.2 Device Identification
      3. 6.16.3 JTAG Identification
  7. 7Applications, Implementation, and Layout
    1. 7.1 Device Connection and Layout Fundamentals
      1. 7.1.1 Power Supply Decoupling and Bulk Capacitors
      2. 7.1.2 External Oscillator
      3. 7.1.3 JTAG
      4. 7.1.4 Reset
      5. 7.1.5 Unused Pins
      6. 7.1.6 General Layout Recommendations
      7. 7.1.7 Do's and Don'ts
    2. 7.2 Peripheral- and Interface-Specific Design Information
      1. 7.2.1 ADC12_B Peripheral
        1. 7.2.1.1 Partial Schematic
        2. 7.2.1.2 Design Requirements
        3. 7.2.1.3 Detailed Design Procedure
        4. 7.2.1.4 Layout Guidelines
  8. 8器件和文档支持
    1. 8.1  入门和下一步
    2. 8.2  器件命名规则
    3. 8.3  工具与软件
    4. 8.4  文档支持
    5. 8.5  相关链接
    6. 8.6  社区资源
    7. 8.7  商标
    8. 8.8  静电放电警告
    9. 8.9  出口管制提示
    10. 8.10 术语表
  9. 9机械、封装和可订购信息

封装选项

机械数据 (封装 | 引脚)
散热焊盘机械数据 (封装 | 引脚)
订购信息

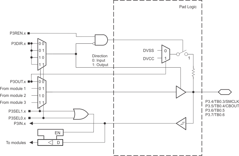
Port P3 (P3.4 to P3.7) Input/Output With Schmitt Trigger

Figure 6-11 shows the port diagram. Table 6-28 summarizes the selection of the pin functions.

MSP430FR5994 MSP430FR59941 MSP430FR5992 MSP430FR5964 MSP430FR5962 schem_p3_4567_slase54.gif

NOTE:

Functional representation only.
Figure 6-11 Port P3 (P3.4 to P3.7) Diagram

Table 6-28 Port P3 (P3.4 to P3.7) Pin Functions

PIN NAME (P3.x) x FUNCTION CONTROL BITS AND SIGNALS(1)
P3DIR.x P3SEL1.x P3SEL0.x
P3.4/TB0.3/SMCLK 4 P3.4 (I/O) I: 0; O: 1 0 0
TB0.CCI3A 0 0 1
TB0.3 1
N/A 0 1 X
SMCLK 1
P3.5/TB0.4/COUT 5 P3.5 (I/O) I: 0; O: 1 0 0
TB0.CCI4A 0 0 1
TB0.4 1
N/A 0 1 X
COUT 1
P3.6/TB0.5 6 P3.6 (I/O) I: 0; O: 1 0 0
TB0.CCI5A 0 0 1
TB0.5 1
N/A 0 1 X
Internally tied to DVSS 1
P3.7/TB0.6 7 P3.7 (I/O) I: 0; O: 1 0 0
TB0.CCI6A 0 0 1
TB0.6 1
N/A 0 1 X
Internally tied to DVSS 1