ZHCSCI2A June   2014  – October 2018 MSP430F67621 , MSP430F67641

PRODUCTION DATA.  

  1. 1器件概述
    1. 1.1 特性
    2. 1.2 应用
    3. 1.3 说明
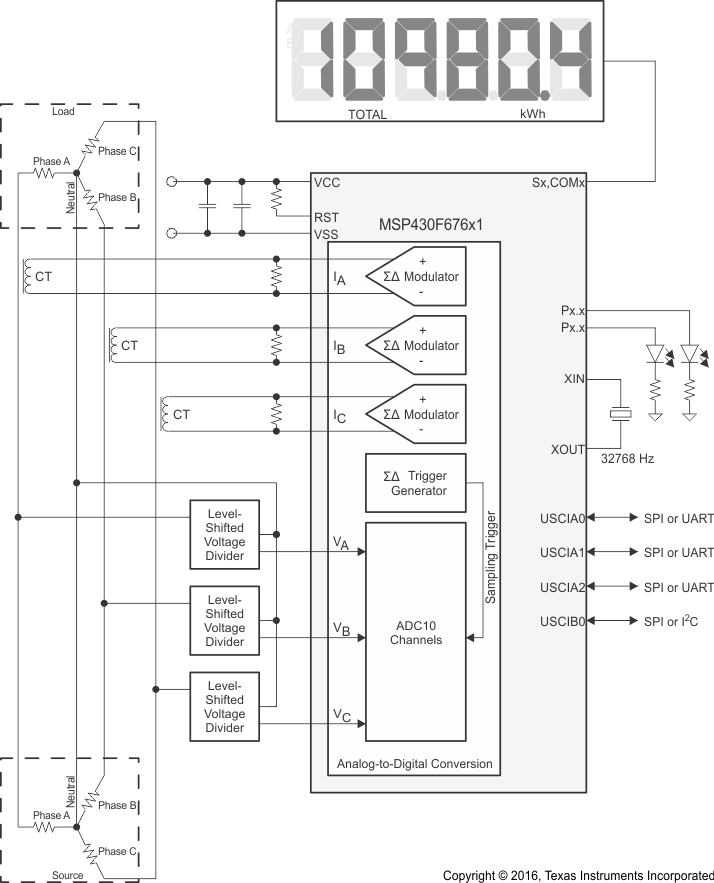
    4. 1.4 应用图表
  2. 2修订历史记录
  3. 3Device Comparison
    1. 3.1 Related Products
  4. 4Terminal Configuration and Functions
    1. 4.1 Pin Diagrams
    2. 4.2 Signal Descriptions
      1. Table 4-1 Signal Descriptions – PZ Package
      2. Table 4-2 Signal Descriptions – PN Package
    3. 4.3 Pin Multiplexing
    4. 4.4 Connection of Unused Pins
  5. 5Specifications
    1. 5.1 Absolute Maximum Ratings
    2. 5.2 ESD Ratings
    3. 5.3 Recommended Operating Conditions
    4. 5.4 Active Mode Supply Current Into VCC Excluding External Current
    5. 5.5 Low-Power Mode Supply Currents (Into VCC) Excluding External Current
    6. 5.6 Low-Power Mode With LCD Supply Currents (Into VCC) Excluding External Current
    7. 5.7 Thermal Resistance Characteristics
    8. 5.8 Timing and Switching Characteristics
      1. 5.8.1  Clock Specifications
        1. Table 5-1 Crystal Oscillator, XT1, Low-Frequency Mode
        2. Table 5-2 Internal Very-Low-Power Low-Frequency Oscillator (VLO)
        3. Table 5-3 Internal Reference, Low-Frequency Oscillator (REFO)
        4. Table 5-4 DCO Frequency
      2. 5.8.2  Digital I/O Ports
        1. Table 5-5  Schmitt-Trigger Inputs – General-Purpose I/O
        2. Table 5-6  Inputs – Ports P1 and P2
        3. Table 5-7  Leakage Current – General-Purpose I/O
        4. Table 5-8  Outputs – General-Purpose I/O (Full Drive Strength)
        5. Table 5-9  Typical Characteristics – General-Purpose I/O (Full Drive Strength)
        6. Table 5-10 Outputs – General-Purpose I/O (Reduced Drive Strength)
        7. 5.8.2.1    Typical Characteristics – General-Purpose I/O (Reduced Drive Strength)
        8. Table 5-11 Output Frequency – General-Purpose I/O
      3. 5.8.3  Power-Management Module (PMM)
        1. Table 5-12 PMM, Brownout Reset (BOR)
        2. Table 5-13 PMM, Core Voltage
        3. Table 5-14 PMM, SVS High Side
        4. Table 5-15 PMM, SVM High Side
        5. Table 5-16 PMM, SVS Low Side
        6. Table 5-17 PMM, SVM Low Side
        7. Table 5-18 Wake-up Times From Low-Power Modes and Reset
      4. 5.8.4  Auxiliary Supplies
        1. Table 5-19 Auxiliary Supplies, Recommended Operating Conditions
        2. Table 5-20 Auxiliary Supplies, AUXVCC3 (Backup Subsystem) Currents
        3. Table 5-21 Auxiliary Supplies, Auxiliary Supply Monitor
        4. Table 5-22 Auxiliary Supplies, Switch ON-Resistance
        5. Table 5-23 Auxiliary Supplies, Switching Time
        6. Table 5-24 Auxiliary Supplies, Switch Leakage
        7. Table 5-25 Auxiliary Supplies, Auxiliary Supplies to ADC10_A
        8. Table 5-26 Auxiliary Supplies, Charge Limiting Resistor
      5. 5.8.5  Timer_A
        1. Table 5-27 Timer_A
      6. 5.8.6  eUSCI
        1. Table 5-28 eUSCI (UART Mode) Clock Frequency
        2. Table 5-29 eUSCI (UART Mode) Switching Characteristics
        3. Table 5-30 eUSCI (SPI Master Mode) Clock Frequency
        4. Table 5-31 eUSCI (SPI Master Mode) Switching Characteristics
        5. Table 5-32 eUSCI (SPI Slave Mode)
        6. Table 5-33 eUSCI (I2C Mode)
      7. 5.8.7  LCD Controller
        1. Table 5-34 LCD_C Recommended Operating Conditions
        2. Table 5-35 LCD_C Electrical Characteristics
      8. 5.8.8  SD24_B
        1. Table 5-36 SD24_B Power Supply and Recommended Operating Conditions
        2. Table 5-37 SD24_B Analog Input
        3. Table 5-38 SD24_B Supply Currents
        4. Table 5-39 SD24_B Performance
        5. Table 5-40 SD24_B AC Performance
        6. Table 5-41 SD24_B AC Performance
        7. Table 5-42 SD24_B AC Performance
        8. Table 5-43 SD24_B External Reference Input
      9. 5.8.9  ADC10_A
        1. Table 5-44 10-Bit ADC, Power Supply and Input Range Conditions
        2. Table 5-45 10-Bit ADC, Timing Parameters
        3. Table 5-46 10-Bit ADC, Linearity Parameters
        4. Table 5-47 10-Bit ADC, External Reference
      10. 5.8.10 REF
        1. Table 5-48 REF, Built-In Reference
      11. 5.8.11 Flash Memory
        1. Table 5-49 Flash Memory
      12. 5.8.12 Emulation and Debug
        1. Table 5-50 JTAG and Spy-Bi-Wire Interface
  6. 6Detailed Description
    1. 6.1  Overview
    2. 6.2  Functional Block Diagrams
    3. 6.3  CPU
    4. 6.4  Instruction Set
    5. 6.5  Operating Modes
    6. 6.6  Interrupt Vector Addresses
    7. 6.7  Memory Organization
    8. 6.8  Bootloader (BSL)
    9. 6.9  JTAG Operation
      1. 6.9.1 JTAG Standard Interface
      2. 6.9.2 Spy-Bi-Wire Interface
    10. 6.10 Flash Memory
    11. 6.11 RAM
    12. 6.12 Backup RAM
    13. 6.13 Peripherals
      1. 6.13.1  Oscillator and System Clock
      2. 6.13.2  Power Management Module (PMM)
      3. 6.13.3  Auxiliary Supply System (AUX)
      4. 6.13.4  Backup Subsystem
      5. 6.13.5  Digital I/O
      6. 6.13.6  Port Mapping Controller
      7. 6.13.7  System Module (SYS)
      8. 6.13.8  Watchdog Timer (WDT_A)
      9. 6.13.9  DMA Controller
      10. 6.13.10 CRC16
      11. 6.13.11 Hardware Multiplier
      12. 6.13.12 Enhanced Universal Serial Communication Interface (eUSCI)
      13. 6.13.13 ADC10_A
      14. 6.13.14 SD24_B
      15. 6.13.15 TA0
      16. 6.13.16 TA1
      17. 6.13.17 TA2
      18. 6.13.18 TA3
      19. 6.13.19 SD24_B Triggers
      20. 6.13.20 ADC10_A Triggers
      21. 6.13.21 Real-Time Clock (RTC_C)
      22. 6.13.22 Reference (REF) Module Voltage Reference
      23. 6.13.23 LCD_C
      24. 6.13.24 Embedded Emulation Module (EEM) (S Version)
      25. 6.13.25 Peripheral File Map
    14. 6.14 Input/Output Diagrams
      1. 6.14.1  Port P1 (P1.0 and P1.1) Input/Output With Schmitt Trigger
      2. 6.14.2  Port P1 (P1.2), Input/Output With Schmitt Trigger
      3. 6.14.3  Port P1 (P1.3 to P1.5) Input/Output With Schmitt Trigger
      4. 6.14.4  Port P1 (P1.6 and P1.7), Port P2 (P2.0 and P2.1) (PZ Package Only) Input/Output With Schmitt Trigger
      5. 6.14.5  Port P2 (P2.2 to P2.7) Input/Output With Schmitt Trigger (PZ Package Only)
      6. 6.14.6  Port P3 (P3.0 to P3.3) Input/Output With Schmitt Trigger (PZ Package Only)
      7. 6.14.7  Port P3 (P3.4 to P3.7) Input/Output With Schmitt Trigger (PZ Package Only)
      8. 6.14.8  Port P4 (P4.0 to P4.7), Port P5 (P5.0 to P5.7), Port P6 (P6.0 to P6.7), Port P7 (P7.0 to P7.7), Port P8 (P8.0 to P8.3) Input/Output With Schmitt Trigger (PZ Package Only)
      9. 6.14.9  Port P8 (P8.4 to P8.7) Input/Output With Schmitt Trigger (PZ Package Only)
      10. 6.14.10 Port P9 (P9.0) Input/Output With Schmitt Trigger (PZ Package Only)
      11. 6.14.11 Port P9 (P9.1 to P9.3) Input/Output With Schmitt Trigger (PZ Package Only)
      12. 6.14.12 Port P2 (P2.0 and P2.1) Input/Output With Schmitt Trigger (PN Package Only)
      13. 6.14.13 Port P2 (P2.2 to P2.7) Input/Output With Schmitt Trigger (PN Package Only)
      14. 6.14.14 Port P3 (P3.0 to P3.7) Input/Output With Schmitt Trigger (PN Package Only)
      15. 6.14.15 Port P4 (P4.0 to P4.7), Port P5 (P5.0 to P5.7), Port P6 (P6.0 to P6.7) Input/Output With Schmitt Trigger (PN Package Only)
      16. 6.14.16 Port PJ (PJ.0) JTAG Pin TDO, Input/Output With Schmitt Trigger or Output
      17. 6.14.17 Port PJ (PJ.1 to PJ.3) JTAG Pins TMS, TCK, TDI/TCLK, Input/Output With Schmitt Trigger or Output
    15. 6.15 Device Descriptors (TLV)
    16. 6.16 Identification
      1. 6.16.1 Revision Identification
      2. 6.16.2 Device Identification
      3. 6.16.3 JTAG Identification
  7. 7Applications, Implementation, and Layout
  8. 8器件和文档支持
    1. 8.1 入门和后续步骤
    2. 8.2 Device Nomenclature
    3. 8.3 工具与软件
    4. 8.4 文档支持
    5. 8.5 相关链接
    6. 8.6 社区资源
    7. 8.7 商标
    8. 8.8 静电放电警告
    9. 8.9 Glossary
  9. 9机械、封装和可订购信息

封装选项

机械数据 (封装 | 引脚)
散热焊盘机械数据 (封装 | 引脚)
订购信息

应用图表

Figure 1-1 显示 MSP430F676x1 器件的典型应用图。

MSP430F67641 MSP430F67621 SLAS998_appl.gifFigure 1-1 使用 MSP430F676x1 的 3 相位 4 线制星形连接