ZHCS482F July   2011  – September 2018 MSP430F5340 , MSP430F5341 , MSP430F5342

PRODUCTION DATA.  

  1. 1器件概述
    1. 1.1 特性
    2. 1.2 应用
    3. 1.3 说明
    4. 1.4 功能方框图
  2. 2修订历史记录
  3. 3Device Comparison
    1. 3.1 Related Products
  4. 4Terminal Configuration and Functions
    1. 4.1 Pin Diagram
    2. 4.2 Signal Descriptions
      1. Table 4-1 Signal Descriptions
  5. 5Specifications
    1. 5.1  Absolute Maximum Ratings
    2. 5.2  ESD Ratings
    3. 5.3  Recommended Operating Conditions
    4. 5.4  Active Mode Supply Current Into VCC Excluding External Current
    5. 5.5  Low-Power Mode Supply Currents (Into VCC) Excluding External Current
    6. 5.6  Thermal Resistance Characteristics, VQFN (RGZ) Package
    7. 5.7  Schmitt-Trigger Inputs – General-Purpose I/O (P1.0 to P1.7, P2.7, P3.0 to P3.4, P4.0 to P4.7) (P5.0 to P5.5, P5.7, P6.1 to P6.5, PJ.0 to PJ.3, RST/NMI)
    8. 5.8  Inputs – Ports P1 and P2 (P1.0 to P1.7, P2.0 to P2.7)
    9. 5.9  Leakage Current – General-Purpose I/O (P1.0 to P1.7, P2.7, P3.0 to P3.4, P4.0 to P4.7) (P5.0 to P5.5, P5.7, P6.1 to P6.5, PJ.0 to PJ.3, RST/NMI)
    10. 5.10 Outputs – General-Purpose I/O (Full Drive Strength) (P1.0 to P1.7, P2.7, P3.0 to P3.4, P4.0 to P4.7) (P5.0 to P5.5, P5.7, P6.1 to P6.5, PJ.0 to PJ.3)
    11. 5.11 Outputs – General-Purpose I/O (Reduced Drive Strength) (P1.0 to P1.7, P2.7, P3.0 to P3.4, P4.0 to P4.7) (P5.0 to P5.5, P5.7, P6.1 to P6.5, PJ.0 to PJ.3)
    12. 5.12 Output Frequency – General-Purpose I/O (P1.0 to P1.7, P2.7, P3.0 to P3.4, P4.0 to P4.7) (P5.0 to P5.5, P5.7, P6.1 to P6.5, PJ.0 to PJ.3)
    13. 5.13 Typical Characteristics – Outputs, Reduced Drive Strength (PxDS.y = 0)
    14. 5.14 Typical Characteristics – Outputs, Full Drive Strength (PxDS.y = 1)
    15. 5.15 Crystal Oscillator, XT1, Low-Frequency Mode
    16. 5.16 Crystal Oscillator, XT2
    17. 5.17 Internal Very-Low-Power Low-Frequency Oscillator (VLO)
    18. 5.18 Internal Reference, Low-Frequency Oscillator (REFO)
    19. 5.19 DCO Frequency
    20. 5.20 PMM, Brownout Reset (BOR)
    21. 5.21 PMM, Core Voltage
    22. 5.22 PMM, SVS High Side
    23. 5.23 PMM, SVM High Side
    24. 5.24 PMM, SVS Low Side
    25. 5.25 PMM, SVM Low Side
    26. 5.26 Wake-up Times From Low-Power Modes and Reset
    27. 5.27 Timer_A
    28. 5.28 Timer_B
    29. 5.29 USCI (UART Mode) Clock Frequency
    30. 5.30 USCI (UART Mode)
    31. 5.31 USCI (SPI Master Mode) Clock Frequency
    32. 5.32 USCI (SPI Master Mode)
    33. 5.33 USCI (SPI Slave Mode)
    34. 5.34 USCI (I2C Mode)
    35. 5.35 12-Bit ADC, Power Supply and Input Range Conditions
    36. 5.36 12-Bit ADC, Timing Parameters
    37. 5.37 12-Bit ADC, Linearity Parameters Using an External Reference Voltage or AVCC as Reference Voltage
    38. 5.38 12-Bit ADC, Linearity Parameters Using the Internal Reference Voltage
    39. 5.39 12-Bit ADC, Temperature Sensor and Built-In VMID
    40. 5.40 REF, External Reference
    41. 5.41 REF, Built-In Reference
    42. 5.42 Comparator_B
    43. 5.43 Flash Memory
    44. 5.44 JTAG and Spy-Bi-Wire Interface
  6. 6Detailed Description
    1. 6.1  CPU
    2. 6.2  Operating Modes
    3. 6.3  Interrupt Vector Addresses
    4. 6.4  Memory Organization
    5. 6.5  Bootloader (BSL)
    6. 6.6  JTAG Operation
      1. 6.6.1 JTAG Standard Interface
      2. 6.6.2 Spy-Bi-Wire Interface
    7. 6.7  Flash Memory
    8. 6.8  RAM
    9. 6.9  Peripherals
      1. 6.9.1  Digital I/O
      2. 6.9.2  Port Mapping Controller
      3. 6.9.3  Oscillator and System Clock
      4. 6.9.4  Power Management Module (PMM)
      5. 6.9.5  Hardware Multiplier
      6. 6.9.6  Real-Time Clock (RTC_A)
      7. 6.9.7  Watchdog Timer (WDT_A)
      8. 6.9.8  System Module (SYS)
      9. 6.9.9  DMA Controller
      10. 6.9.10 Universal Serial Communication Interface (USCI)
      11. 6.9.11 TA0
      12. 6.9.12 TA1
      13. 6.9.13 TA2
      14. 6.9.14 TB0
      15. 6.9.15 Comparator_B
      16. 6.9.16 ADC12_A
      17. 6.9.17 CRC16
      18. 6.9.18 Reference (REF) Module Voltage Reference
      19. 6.9.19 Embedded Emulation Module (EEM)
      20. 6.9.20 Peripheral File Map
    10. 6.10 Input/Output Diagrams
      1. 6.10.1  Port P1 (P1.0 to P1.7) Input/Output With Schmitt Trigger
      2. 6.10.2  Port P2 (P2.7) Input/Output With Schmitt Trigger
      3. 6.10.3  Port P3 (P3.0 to P3.4) Input/Output With Schmitt Trigger
      4. 6.10.4  Port P4 (P4.0 to P4.7) Input/Output With Schmitt Trigger
      5. 6.10.5  Port P5 (P5.0 and P5.1) Input/Output With Schmitt Trigger
      6. 6.10.6  Port P5 (P5.2) Input/Output With Schmitt Trigger
      7. 6.10.7  Port P5 (P5.3) Input/Output With Schmitt Trigger
      8. 6.10.8  Port P5 (P5.4 and P5.5) Input/Output With Schmitt Trigger
      9. 6.10.9  Port P5 (P5.7) Input/Output With Schmitt Trigger
      10. 6.10.10 Port P6 (P6.1 to P6.5) Input/Output With Schmitt Trigger
      11. 6.10.11 Port PJ (PJ.0) JTAG Pin TDO, Input/Output With Schmitt Trigger or Output
      12. 6.10.12 Port PJ (PJ.1 to PJ.3) JTAG Pins TMS, TCK, TDI/TCLK, Input/Output With Schmitt Trigger or Output
    11. 6.11 Device Descriptors
  7. 7器件和文档支持
    1. 7.1  开始使用
    2. 7.2  Device Nomenclature
    3. 7.3  工具与软件
    4. 7.4  文档支持
    5. 7.5  相关链接
    6. 7.6  社区资源
    7. 7.7  商标
    8. 7.8  静电放电警告
    9. 7.9  Export Control Notice
    10. 7.10 Glossary
  8. 8机械,封装和可订购信息

封装选项

机械数据 (封装 | 引脚)
散热焊盘机械数据 (封装 | 引脚)
订购信息

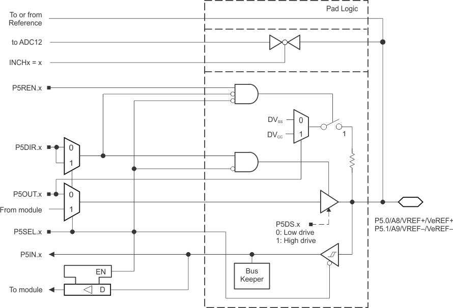
Port P5 (P5.0 and P5.1) Input/Output With Schmitt Trigger

Figure 6-6 shows the port diagram. Table 6-46 summarizes the selection of the pin functions.

MSP430F5342 MSP430F5341 MSP430F5340 slas706-port5_1_2.gifFigure 6-6 Port P5 (P5.0 and P5.1) Diagram

Table 6-46 Port P5 (P5.0 and P5.1) Pin Functions

PIN NAME (P5.x) x FUNCTION CONTROL BITS OR SIGNALS(1)
P5DIR.x P5SEL.x REFOUT
P5.0/A8/VREF+/VeREF+ 0 P5.0 (I/O)(2) I: 0; O: 1 0 X
A8/VeREF+(3) X 1 0
A8/VREF+(4) X 1 1
P5.1/A9/VREF-/VeREF- 1 P5.1 (I/O)(2) I: 0; O: 1 0 X
A9/VeREF-(5) X 1 0
A9/VREF-(6) X 1 1
X = Don't care
Default condition
Setting the P5SEL.0 bit disables the output driver and the input Schmitt trigger to prevent parasitic cross currents when applying analog signals. An external voltage can be applied to VeREF+ and used as the reference for the ADC12_A. Channel A8, when selected with the INCHx bits, is connected to the VREF+/VeREF+ pin.
Setting the P5SEL.0 bit disables the output driver and the input Schmitt trigger to prevent parasitic cross currents when applying analog signals. The VREF+ reference is available at the pin. Channel A8, when selected with the INCHx bits, is connected to the VREF+/VeREF+ pin.
Setting the P5SEL.1 bit disables the output driver and the input Schmitt trigger to prevent parasitic cross currents when applying analog signals. An external voltage can be applied to VeREF- and used as the reference for the ADC12_A. Channel A9, when selected with the INCHx bits, is connected to the VREF-/VeREF- pin.
Setting the P5SEL.1 bit disables the output driver and the input Schmitt trigger to prevent parasitic cross currents when applying analog signals. The VREF- reference is available at the pin. Channel A9, when selected with the INCHx bits, is connected to the VREF-/VeREF- pin.