ZHCSEK3G December   2015  – August 2022 LMX2592

PRODUCTION DATA  

  1. 特性
  2. 应用
  3. 说明
  4. Revision History
  5. Pin Configuration and Functions
  6. Specifications
    1. 6.1 Absolute Maximum Ratings
    2. 6.2 ESD Ratings
    3. 6.3 Recommended Operating Conditions
    4. 6.4 Thermal Information
    5. 6.5 Electrical Characteristics
    6. 6.6 Timing Requirements
    7. 6.7 Typical Characteristics
  7. Detailed Description
    1. 7.1 Overview
    2. 7.2 Functional Block Diagram
    3. 7.3 Functional Description
      1. 7.3.1  Input Signal
      2. 7.3.2  Input Signal Path
      3. 7.3.3  PLL Phase Detector and Charge Pump
      4. 7.3.4  N Divider and Fractional Circuitry
      5. 7.3.5  Voltage Controlled Oscillator
      6. 7.3.6  VCO Calibration
      7. 7.3.7  VCO Doubler
      8. 7.3.8  Channel Divider
      9. 7.3.9  Output Distribution
      10. 7.3.10 Output Buffer
      11. 7.3.11 Phase Adjust
    4. 7.4 Device Functional Modes
      1. 7.4.1 Power Down
      2. 7.4.2 Lock Detect
      3. 7.4.3 Register Readback
    5. 7.5 Programming
      1. 7.5.1 Recommended Initial Power on Programming Sequence
      2. 7.5.2 Recommended Sequence for Changing Frequencies
    6. 7.6 Register Maps
      1. 7.6.1 LMX2592 Register Map – Default Values
        1. 7.6.1.1 Register Descriptions
  8. Application and Implementation
    1. 8.1 Application Information
      1. 8.1.1  Optimization of Spurs
        1. 8.1.1.1 Understanding Spurs by Offsets
        2. 8.1.1.2 Spur Mitigation Techniques
      2. 8.1.2  Configuring the Input Signal Path
        1. 8.1.2.1 Input Signal Noise Scaling
      3. 8.1.3  Input Pin Configuration
      4. 8.1.4  Using the OSCin Doubler
      5. 8.1.5  Using the Input Signal Path Components
        1. 8.1.5.1 Moving Phase Detector Frequency
        2. 8.1.5.2 Multiplying and Dividing by the Same Value
      6. 8.1.6  Designing for Output Power
      7. 8.1.7  Current Consumption Management
      8. 8.1.8  Decreasing Lock Time
      9. 8.1.9  Modeling and Understanding PLL FOM and Flicker Noise
      10. 8.1.10 External Loop Filter
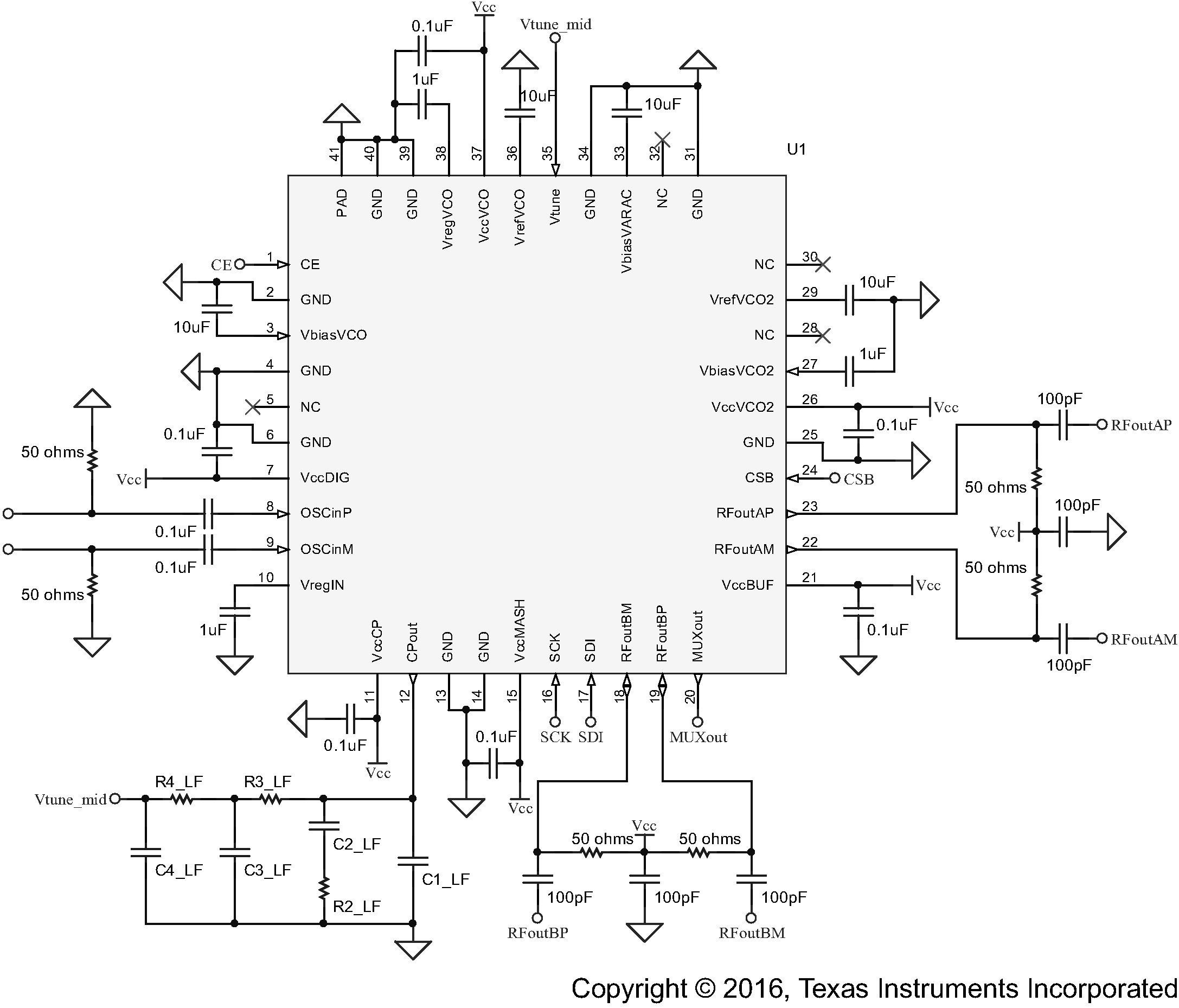
    2. 8.2 Typical Application
      1. 8.2.1 Design for Low Jitter
        1. 8.2.1.1 Design Requirements
        2. 8.2.1.2 Detailed Design Procedure
        3. 8.2.1.3 Application Curve
    3. 8.3 Power Supply Recommendations
    4. 8.4 Layout
      1. 8.4.1 Layout Guidelines
      2. 8.4.2 Layout Example
  9. Device and Documentation Support
    1. 9.1 Device Support
      1. 9.1.1 Development Support
    2. 9.2 Documentation Support
      1. 9.2.1 Related Documentation
    3. 9.3 接收文档更新通知
    4. 9.4 支持资源
    5. 9.5 Trademarks
    6. 9.6 Electrostatic Discharge Caution
    7. 9.7 术语表
  10. 10Mechanical, Packaging, and Orderable Information

封装选项

请参考 PDF 数据表获取器件具体的封装图。

机械数据 (封装 | 引脚)
  • RHA|40
散热焊盘机械数据 (封装 | 引脚)
订购信息

Design for Low Jitter

GUID-20220726-SS0I-B6KM-F1FH-9LQWDDJW9N8V-low.png Figure 8-11 Typical Application Schematic