ZHCSGJ5 May   2017 LMV931-N-Q1 , LMV932-N-Q1 , LMV934-N-Q1

PRODUCTION DATA.  

  1. 特性
  2. 应用
    1.     Device Images
      1.      高侧电流感应放大器
  3. 说明
  4. 修订历史记录
  5. 引脚配置和功能
    1.     引脚功能:LMV931-N-Q1
    2.     引脚功能:LMV932-N-Q1 和 LMV934-N-Q1
  6. 规格
    1. 6.1  绝对最大额定值
    2. 6.2  ESD 额定值
    3. 6.3  建议运行额定值
    4. 6.4  热性能信息
    5. 6.5  直流电气特征 1.8V
    6. 6.6  交流电气特征 1.8V
    7. 6.7  直流电气特征 2.7V
    8. 6.8  交流电气特征 2.7V
    9. 6.9  电气特征 5V 直流
    10. 6.10 交流电气特征 5V
    11. 6.11 典型特征
  7. 详细 说明
    1. 7.1 概述
    2. 7.2 功能方框图
    3. 7.3 特性 说明
    4. 7.4 器件功能模式
      1. 7.4.1 输入和输出级
      2. 7.4.2 输入偏置电流注意事项
  8. 应用和实施
    1. 8.1 应用信息
    2. 8.2 典型 应用
      1. 8.2.1 高侧电流感应应用
        1. 8.2.1.1 设计要求
          1. 8.2.1.1.1 使用 WEBENCH® 工具创建定制设计
        2. 8.2.1.2 详细设计流程
        3. 8.2.1.3 应用曲线
      2. 8.2.2 半波整流器 应用
        1. 8.2.2.1 设计要求
        2. 8.2.2.2 详细设计流程
        3. 8.2.2.3 应用曲线
      3. 8.2.3 具有轨至轨输入和输出的仪表放大器应用
        1. 8.2.3.1 设计要求
        2. 8.2.3.2 详细设计流程
        3. 8.2.3.3 应用曲线
    3. 8.3 注意事项
  9. 电源建议
  10. 10布局
    1. 10.1 布局指南
    2. 10.2 布局示例
  11. 11器件和文档支持
    1. 11.1 器件支持
      1. 11.1.1 使用 WEBENCH® 工具创建定制设计
      2. 11.1.2 开发支持
    2. 11.2 文档支持
      1. 11.2.1 相关文档
    3. 11.3 相关链接
    4. 11.4 接收文档更新通知
    5. 11.5 社区资源
    6. 11.6 商标
    7. 11.7 静电放电警告
    8. 11.8 术语表
  12. 12机械、封装和可订购信息

封装选项

机械数据 (封装 | 引脚)
散热焊盘机械数据 (封装 | 引脚)
订购信息

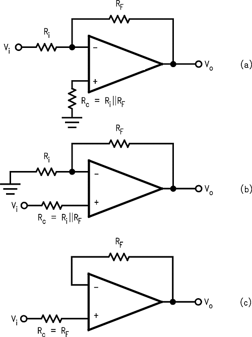
输入偏置电流注意事项

LMV93x-Q1-N 系列具有互补的双极输入级。输入偏置电流 (IB) 典型值为 15nA。输入偏置电流可产生较大的失调电压。此失调电压主要归因于 IB 流经负反馈电阻器 RF。例如,如果 IB 为 50nA 且 RF 为 100kΩ,则会产生 5mV 的失调电压 (VOS = IB × RF)。使用补偿电阻器 (RC)(如Figure 30 所示)可以消除这种影响。但是,输入失调电流 (IOS) 仍会以同样的方式影响失调电压。

LMV931-N-Q1 LMV932-N-Q1 LMV934-N-Q1 20032659.gifFigure 30. 消除因输入偏置电流而产生的失调电压