ZHCSB02D April   2012  – March 2017 LMV611 , LMV612 , LMV614

PRODUCTION DATA.  

  1. 特性
  2. 应用
    1.     典型应用
  3. 说明
  4. 修订历史记录
  5. 引脚配置和功能
    1.     SOT-23 的 – LMV611
    2.     SOT-23 的 – LMV612
    3.     SOT-23 的 – LMV614
  6. 规格
    1. 6.1  绝对最大额定值
    2. 6.2  ESD 额定值
    3. 6.3  建议运行条件
    4. 6.4  热性能信息
    5. 6.5  电气特性 – 1.8V(直流)
    6. 6.6  电气特性 – 1.8V(交流)
    7. 6.7  电气特性 – 2.7V(直流)
    8. 6.8  电气特性 – 2.7V(交流)
    9. 6.9  电气特性 – 5V(直流)
    10. 6.10 电气特性 – 5V(交流)
    11. 6.11 典型特性
  7. 详细 说明
    1. 7.1 概述
    2. 7.2 功能框图
    3. 7.3 特性 说明
      1. 7.3.1 输入和输出级
    4. 7.4 器件功能模式
      1. 7.4.1 输入偏置电流注意事项
  8. 以下一些应用中
    1. 8.1 应用信息
      1. 8.1.1 具有轨至地输出摆幅的半波整流器
      2. 8.1.2 具有轨至轨输入和输出的仪表放大器
    2. 8.2 典型 应用
      1. 8.2.1 高侧电流检测
        1. 8.2.1.1 设计要求
          1. 8.2.1.1.1 使用 WEBENCH® 工具创建定制设计
        2. 8.2.1.2 详细设计流程
          1. 8.2.1.2.1 应用曲线
  9. 电源相关建议
  10. 10布局
    1. 10.1 布局指南
    2. 10.2 布局示例
  11. 11器件和文档支持
    1. 11.1 器件支持
      1. 11.1.1 开发支持
        1. 11.1.1.1 使用 WEBENCH® 工具创建定制设计
    2. 11.2 文档支持
      1. 11.2.1 相关文档
    3. 11.3 相关链接
    4. 11.4 接收文档更新通知
    5. 11.5 社区资源
    6. 11.6 商标
    7. 11.7 静电放电警告
    8. 11.8 术语表
  12. 12机械、封装和可订购信息

封装选项

机械数据 (封装 | 引脚)
散热焊盘机械数据 (封装 | 引脚)
订购信息

引脚配置和功能

DCK 和 DBV 封装
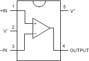
5 引脚 SC70 和 SOT-23
俯视图
LMV611 LMV612 LMV614 30185602.gif

SOT-23 的 – LMV611

引脚 类型(1) 说明
编号 名称
1 +IN I 同相输入
2 V P 负电源输入
3 –IN I 反相输入
4 OUTPUT O Output
5 V+ P 正电源输入
I = 输入,O = 输出,而 P = 电源
DGK 和 D 封装
8 引脚 VSSOP 和 SOIC
俯视图
LMV611 LMV612 LMV614 30185611.gif

SOT-23 的 – LMV612

引脚 类型(1) 说明
编号 名称
1 OUT A O 输出 A
2 –IN A I 反相输入 A
3 +IN A I 同相输入 A
4 V P 负电源输入
5 +IN B I 同相输入 B
6 –IN B I 反相输入 B
7 OUT B O Output B
8 V+ P 正电源输入
I = 输入,O = 输出,而 P = 电源
PW 和 D 封装
14 引脚 TSSOP 和 SOIC
俯视图
LMV611 LMV612 LMV614 30185612.gif

SOT-23 的 – LMV614

引脚 类型(1) 说明
编号 名称
1 OUT A O 输出 A
2 IN A I 反相输入 A
3 IN A+ I 同相输入 A
4 V+ P 正电源输入
5 IN B+ I 同相输入 B
6 IN B I 反相输入 B
7 OUT B O Output B
8 OUT C O Output C
9 IN C I 反相输入 C
10 IN C+ I 同相输入 C
11 V P 负电源输入
12 IN D+ I 同相输入 D
13 IN D I 反相输入 D
14 OUT D O Output D
I = 输入,O = 输出,而 P = 电源