ZHCSXD9 November   2024 LMR51603

PRODUCTION DATA  

  1.   1
  2. 特性
  3. 应用
  4. 说明
  5. 器件比较表
  6. 引脚配置和功能
  7. 规格
    1. 6.1 绝对最大额定值
    2. 6.2 ESD 等级
    3. 6.3 建议运行条件
    4. 6.4 热性能信息
    5. 6.5 电气特性
    6. 6.6 典型特性
  8. 详细说明
    1. 7.1 概述
    2. 7.2 功能方框图
    3. 7.3 特性说明
      1. 7.3.1 固定频率峰值电流模式控制
      2. 7.3.2 可调节输出电压
      3. 7.3.3 使能
      4. 7.3.4 最短导通时间、最短关断时间和频率折返
      5. 7.3.5 自举电压
      6. 7.3.6 过流和短路保护
      7. 7.3.7 软启动
      8. 7.3.8 热关断
    4. 7.4 器件功能模式
      1. 7.4.1 关断模式
      2. 7.4.2 工作模式
      3. 7.4.3 CCM 模式
      4. 7.4.4 轻负载运行(PFM 版本)
      5. 7.4.5 轻负载运行(FPWM 版本)
  9. 应用和实施
    1. 8.1 应用信息
    2. 8.2 典型应用
      1. 8.2.1 设计要求
      2. 8.2.2 详细设计过程
        1. 8.2.2.1 使用 WEBENCH® 工具创建定制设计方案
        2. 8.2.2.2 输出电压设定点
        3. 8.2.2.3 开关频率
        4. 8.2.2.4 电感器选型
        5. 8.2.2.5 输出电容器选型
        6. 8.2.2.6 输入电容器选型
        7. 8.2.2.7 自举电容器
        8. 8.2.2.8 欠压锁定设定点
        9. 8.2.2.9 替换非同步降压转换器
      3. 8.2.3 应用曲线
    3. 8.3 电源相关建议
    4. 8.4 布局
      1. 8.4.1 布局指南
        1. 8.4.1.1 专为降低 EMI 设计的紧凑型布局
        2. 8.4.1.2 反馈电阻
      2. 8.4.2 布局示例
  10. 器件和文档支持
    1. 9.1 器件支持
      1. 9.1.1 第三方产品免责声明
      2. 9.1.2 开发支持
        1. 9.1.2.1 使用 WEBENCH® 工具创建定制设计方案
    2. 9.2 文档支持
      1. 9.2.1 相关文档
    3. 9.3 接收文档更新通知
    4. 9.4 支持资源
    5. 9.5 商标
    6. 9.6 静电放电警告
    7. 9.7 术语表
  11. 10修订历史记录
  12. 11机械、封装和可订购信息

封装选项

机械数据 (封装 | 引脚)
散热焊盘机械数据 (封装 | 引脚)
订购信息

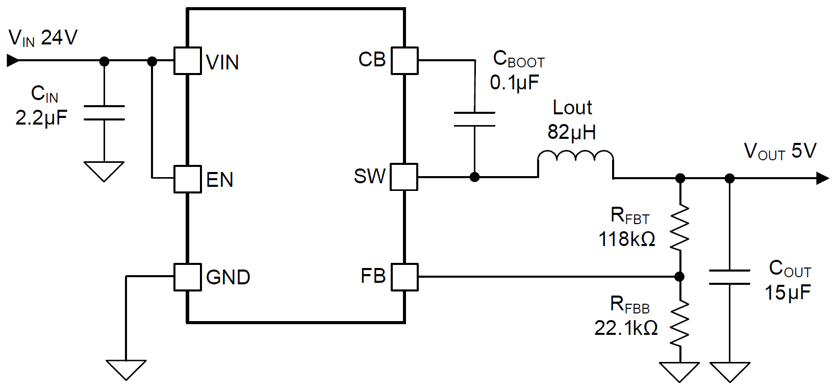
典型应用

LMR51603 只需很少的外部元件,即可实现将宽范围的电源电压转换成固定输出电压。下图展示了基本原理图。

LMR51603 应用电路图 8-1 应用电路

外部元件必须满足应用的需求以及器件控制环路的稳定性标准。下表可用于简化输出滤波器元件的选型过程。

表 8-1 L 和 COUT 典型值
fSW (kHz)VOUT (V)IOUT (mA)L (µH)COUT(1)RFBT (kΩ)RFBB (kΩ)
4003.3300

47

22µF/10V69.822.1
53008215µF/16V11822.1
12300

150

2 × 4.7µF / 35V30922.1
11003.3300

18

10µF/10V69.822.1
5300276.8µF/16V11822.1
12300564.7µF/35V30922.1
该表中使用了陶瓷电容器。所有 COUT 值均是降额后的值。