ZHCSDJ7B February 2015 – December 2024 LMR14030
PRODUCTION DATA
当 VIN 引脚电压上升到 3.7V(典型值)以上且 EN 引脚电压超过 1.2V(典型值)的使能阈值时,将启用 LMR14030。当 VIN 引脚电压降至 3.52V(典型值)以下或 EN 引脚电压低于 1.2V 时,将禁用 LMR14030。EN 引脚有一个内部上拉电流源(通常 IEN = 1μA),这可以在 EN 引脚悬空时支持 LMR14030 的运行。
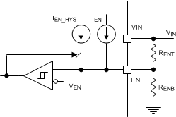
许多应用都受益于采用使能分压器 RENT 和 RENB(在图 6-3 中)来为级建立精密的系统 UVLO 电平。系统 UVLO 可用于由市电和电池供电运行的电源。系统 UVLO 可用于实现时序控制,从而确保可靠运行或提供保护(例如电池)。此外,还可使用外部逻辑信号驱动 EN 输入来实现系统时序控制和保护。
当 EN 端子电压超过 1.2V 时,EN 端子会提供额外的迟滞电流(通常 IHYS = 3.6μA)。当 EN 端子被拉至 1.2V 以下时,IHYS 电流将消失。这一额外的电流有助于实现可调输入电压 UVLO 迟滞。可以使用方程式 2 和方程式 3 来计算 RENT 和 RENB,从而获得所需的 UVLO 迟滞电压。
图 6-3 由使能分压器实施的系统 UVLO

其中,VSTART 是启用 LMR14030 所需的电压阈值,VSTOP 是禁用器件所需的电压阈值。