ZHCSYW1F December   2005  – June 2025 LM4674

PRODUCTION DATA  

  1.   1
  2. 特性
  3. 应用
  4. 主要规格
  5. 说明
  6. 引脚配置和功能
  7. 规格
    1. 6.1 绝对最大额定值
    2. 6.2 运行额定值
    3. 6.3 电气特性 VDD = 3.6V
    4. 6.4 典型性能特性
  8. 方框图
  9. 应用信息
    1. 8.1  通用放大器功能
    2. 8.2  差分放大器说明
    3. 8.3  功率耗散和效率
    4. 8.4  关断功能
    5. 8.5  单端音频放大器配置
    6. 8.6  音频放大器电源旁路/滤波
    7. 8.7  音频放大器输入电容器选择
    8. 8.8  音频放大器增益设置
    9. 8.9  输出滤波器考虑事项
    10. 8.10 布局指南
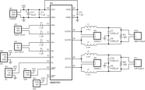
    11. 8.11 LM4674TL 演示板原理图
    12. 8.12 LM4674TL 演示板布局
    13. 8.13 LM4674SQ 演示板原理图
    14. 8.14 LM4674SQ 演示板布局
    15. 8.15 商标
  10. 典型应用
  11. 10开发支持
    1. 10.1 第三方产品免责声明
    2. 10.2 器件命名规则样板文件
  12. 11接收文档更新通知
  13. 12静电放电警告
  14. 13术语表
  15. 14修订历史记录
  16. 15机械、封装和可订购信息

封装选项

机械数据 (封装 | 引脚)
散热焊盘机械数据 (封装 | 引脚)
订购信息

LM4674TL 演示板原理图

LM4674 LM4674TL 演示板原理图图 8-4 LM4674TL 演示板原理图