ZHCSIW2C July   2000  – October 2018 LF198-N , LF298 , LF398-N

PRODUCTION DATA.  

  1. 特性
  2. 应用
  3. 说明
    1.     Device Images
      1.      典型连接
      2.      采集时间
  4. 修订历史记录
  5. Pin Configuration and Functions
    1.     Pin Functions
  6. Specifications
    1. 6.1 Absolute Maximum Ratings
    2. 6.2 Recommended Operating Conditions
    3. 6.3 Thermal Information
    4. 6.4 Electrical Characteristics, LF198-N and LF298
    5. 6.5 Electrical Characteristics, LF198A-N
    6. 6.6 Electrical Characteristics, LF398-N
    7. 6.7 Electrical Characteristics, LF398A-N (OBSOLETE)
    8. 6.8 Typical Characteristics
  7. Parameter Measurement Information
    1. 7.1 TTL and CMOS 3 V ≤ VLOGIC (Hi State) ≤ 7 V
    2. 7.2 CMOS 7 V ≤ VLOGIC (Hi State) ≤ 15 V
    3. 7.3 Operational Amplifier Drive
  8. Detailed Description
    1. 8.1 Overview
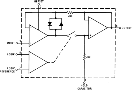
    2. 8.2 Functional Block Diagram
    3. 8.3 Feature Description
    4. 8.4 Device Functional Modes
  9. Application and Implementation
    1. 9.1 Application Information
      1. 9.1.1 Hold Capacitor
      2. 9.1.2 DC and AC Zeroing
      3. 9.1.3 Logic Rise Time
      4. 9.1.4 Sampling Dynamic Signals
      5. 9.1.5 Digital Feedthrough
    2. 9.2 Typical Applications
      1. 9.2.1  X1000 Sample and Hold
        1. 9.2.1.1 Design Requirements
        2. 9.2.1.2 Detailed Design Procedure
        3. 9.2.1.3 Application Curves
      2. 9.2.2  Sample and Difference Circuit
      3. 9.2.3  Ramp Generator With Variable Reset Level
      4. 9.2.4  Integrator With Programmable Reset Level
      5. 9.2.5  Output Holds at Average of Sampled Input
      6. 9.2.6  Increased Slew Current
      7. 9.2.7  Reset Stabilized Amplifier
      8. 9.2.8  Fast Acquisition, Low Droop Sample and Hold
      9. 9.2.9  Synchronous Correlator for Recovering Signals Below Noise Level
      10. 9.2.10 2-Channel Switch
      11. 9.2.11 DC and AC Zeroing
      12. 9.2.12 Staircase Generator
      13. 9.2.13 Differential Hold
      14. 9.2.14 Capacitor Hysteresis Compensation
  10. 10Power Supply Recommendations
  11. 11Layout
    1. 11.1 Layout Guidelines
    2. 11.2 Layout Example
  12. 12器件和文档支持
    1. 12.1 器件支持
      1. 12.1.1 器件命名规则
    2. 12.2 相关链接
    3. 12.3 社区资源
    4. 12.4 商标
    5. 12.5 静电放电警告
    6. 12.6 术语表
  13. 13机械、封装和可订购信息

封装选项

机械数据 (封装 | 引脚)
散热焊盘机械数据 (封装 | 引脚)
订购信息

Functional Block Diagram

LF198-N LF298 LF398-N LF198A-N LF398A-N functional_diagram_snosbi3_a.gif