ZHCSNF0B May   2018  – October 2021 ISOW1412 , ISOW1432

PRODMIX  

  1. 特性
  2. 应用
  3. 说明
  4. Revision History
  5. 说明(续)
  6. Device Comparison Table
  7. Pin Configuration and Functions
  8. Specifications
    1. 8.1  Absolute Maximum Ratings
    2. 8.2  Recommended Operating Conditions
    3. 8.3  Thermal Information
    4. 8.4  Power Ratings
    5. 8.5  Insulation Specifications
    6. 8.6  Safety-Related Certifications
    7. 8.7  Safety Limiting Values
    8. 8.8  Electrical Characteristics
    9. 8.9  Supply Current Characteristics at VISOOUT = 3.3 V
    10. 8.10 Supply Current Characteristics at  VISOOUT = 5 V
    11. 8.11 Switching Characteristics at VISOOUT = 3.3 V
    12. 8.12 Switching Characteristics at VISOOUT = 5 V
    13. 8.13 Insulation Characteristics Curves
    14. 8.14 Typical Characteristics
  9. Parameter Measurement Information
  10. 10Detailed Description
    1. 10.1 Overview
    2. 10.2 Power Isolation
    3. 10.3 Signal Isolation
    4. 10.4 RS-485
    5. 10.5 Functional Block Diagram
    6. 10.6 Feature Description
      1. 10.6.1 Power-Up and Power-Down Behavior
      2. 10.6.2 Protection Features
      3. 10.6.3 Failsafe Receiver
      4. 10.6.4 Glitch-Free Power Up and Power Down
    7. 10.7 Device Functional Modes
    8. 10.8 Device I/O Schematics
  11. 11Application and Implementation
    1. 11.1 Application Information
    2. 11.2 Typical Application
      1. 11.2.1 Design Requirements
      2. 11.2.2 Detailed Design Procedure
        1. 11.2.2.1 Data Rate, Bus Length and Bus Loading
        2. 11.2.2.2 Stub Length
        3. 11.2.2.3 Insulation Lifetime
  12. 12Power Supply Recommendations
  13. 13Layout
    1. 13.1 Layout Guidelines
    2. 13.2 Layout Example
  14. 14Device and Documentation Support
    1. 14.1 Documentation Support
      1. 14.1.1 Related Documentation
    2. 14.2 Receiving Notification of Documentation Updates
    3. 14.3 支持资源
    4. 14.4 Trademarks
    5. 14.5 Electrostatic Discharge Caution
    6. 14.6 术语表
  15. 15Mechanical, Packaging, and Orderable Information

封装选项

机械数据 (封装 | 引脚)
散热焊盘机械数据 (封装 | 引脚)
订购信息

Application Information

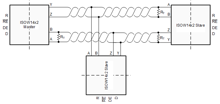
The ISOW14x2 devices are designed for bidirectional data transfer on multipoint RS-485 networks. An RS-485 bus has multiple transceivers that connect in parallel to a bus cable. Both cable ends are terminated with a termination resistor, RT, to remove line reflections. The value of RT matches the characteristic impedance, Z0, of the cable. This method, known as parallel termination, lets higher data rates be used over a longer cable length.

Full-duplex implementation shown in Figure 9-1 requires two signal pairs (four wires). Full-duplex implementation lets each node to transmit data on one pair while simultaneously receiving data on the other pair.

GUID-0C113276-CF27-4706-9624-304B25467392-low.gifFigure 11-1 Typical RS-485 network with Full-duplex Isolated transceivers

Figure 9-2 below, shows ISOW14x2 devices used in half duplex configuration. Driver outputs Y and Z are shorted to A and B respectively. This reduces overall cabling requirements. Also DE/RE are shorted to each other, and at a time, any node acts as either a driver or a receiver. Split termination is also shown in this configuration which helps to boost network immunity in noisy environments by providing common-mode noise filtering and also reduces radiated emissions by providing low impedance path to earth to the bus common mode excursions.

GUID-1E680F39-EF21-40DC-87CF-B1BC0057583B-low.gifFigure 11-2 Typical RS-485 Network With Half-Duplex Isolated Transceivers