ZHCSN92H January   2020  – May 2022 ISO6720-Q1 , ISO6721-Q1 , ISO6721R-Q1

PRODUCTION DATA  

  1. 特性
  2. 应用
  3. 说明
  4. Revision History
  5. 说明(接续)
  6. Pin Configuration and Functions
  7. Specifications
    1. 7.1  Absolute Maximum Ratings
    2. 7.2  ESD Ratings
    3. 7.3  Recommended Operating Conditions
    4. 7.4  Thermal Information
    5. 7.5  Power Ratings
    6.     Insulation Specifications
    7. 7.6  Safety-Related Certifications
    8. 7.7  Safety Limiting Values
    9.     Electrical Characteristics—5-V Supply
    10. 7.8  Supply Current Characteristics—5-V Supply
    11. 7.9  Electrical Characteristics—3.3-V Supply
    12. 7.10 Supply Current Characteristics—3.3-V Supply
    13. 7.11 Electrical Characteristics—2.5-V Supply 
    14. 7.12 Supply Current Characteristics—2.5-V Supply
    15.     Electrical Characteristics—1.8-V Supply
    16. 7.13 Supply Current Characteristics—1.8-V Supply
    17. 7.14 Switching Characteristics—5-V Supply
    18. 7.15 Switching Characteristics—3.3-V Supply
    19. 7.16 Switching Characteristics—2.5-V Supply
    20. 7.17 Switching Characteristics—1.8-V Supply
    21. 7.18 Insulation Characteristics Curves
    22. 7.19 Typical Characteristics
  8. Parameter Measurement Information
  9. Detailed Description
    1. 9.1 Overview
    2. 9.2 Functional Block Diagram
    3. 9.3 Feature Description
      1. 9.3.1 Electromagnetic Compatibility (EMC) Considerations
    4. 9.4 Device Functional Modes
      1. 9.4.1 Device I/O Schematics
  10. 10Application and Implementation
    1. 10.1 Application Information
    2. 10.2 Typical Application
      1. 10.2.1 Design Requirements
      2. 10.2.2 Detailed Design Procedure
      3. 10.2.3 Application Curve
    3. 10.3 Insulation Lifetime
  11. 11Power Supply Recommendations
  12. 12Layout
    1. 12.1 Layout Guidelines
      1. 12.1.1 PCB Material
    2. 12.2 Layout Example
  13. 13Device and Documentation Support
    1. 13.1 Device Support
      1. 13.1.1 Development Support
    2. 13.2 Documentation Support
      1. 13.2.1 Related Documentation
    3. 13.3 Receiving Notification of Documentation Updates
    4. 13.4 支持资源
    5. 13.5 Trademarks
    6. 13.6 Electrostatic Discharge Caution
    7. 13.7 术语表
  14. 14Mechanical, Packaging, and Orderable Information
    1. 14.1 Package Option Addendum
    2. 14.2 Tape and Reel Information

封装选项

机械数据 (封装 | 引脚)
散热焊盘机械数据 (封装 | 引脚)
订购信息

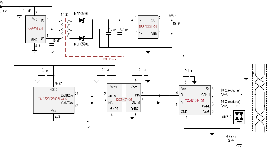
Typical Application

For automotive applications, the ISO672x-Q1 device can also be used with Texas Instruments' Piccolo™ microcontroller, CAN transceiver, transformer driver, and voltage regulator to create an isolated CAN interface.

GUID-20201216-CA0I-G1K2-L53X-NVGCVJD1G4K9-low.gif Figure 10-1 Typical Isolated CAN Application Circuit