ZHCSI90E December   2017  – October 2019 ISO1042

PRODUCTION DATA.  

  1. 特性
  2. 应用
  3. 说明
    1.     703A I2C
  4. 修订历史记录
  5. Pin Configuration and Functions
    1.     Pin Functions—16 Pins
    2.     Pin Functions—8 Pins
  6. Specifications
    1. 6.1  Absolute Maximum Ratings
    2. 6.2  ESD Ratings
    3. 6.3  Transient Immunity
    4. 6.4  Recommended Operating Conditions
    5. 6.5  Thermal Information
    6. 6.6  Power Ratings
    7. 6.7  Insulation Specifications
    8. 6.8  Safety-Related Certifications
    9. 6.9  Safety Limiting Values
    10. 6.10 Electrical Characteristics - DC Specification
    11. 6.11 Switching Characteristics
    12. 6.12 Insulation Characteristics Curves
    13. 6.13 Typical Characteristics
  7. Parameter Measurement Information
    1. 7.1 Test Circuits
  8. Detailed Description
    1. 8.1 Overview
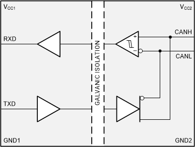
    2. 8.2 Functional Block Diagram
    3. 8.3 Feature Description
      1. 8.3.1 CAN Bus States
      2. 8.3.2 Digital Inputs and Outputs: TXD (Input) and RXD (Output)
      3. 8.3.3 Protection Features
        1. 8.3.3.1 TXD Dominant Timeout (DTO)
        2. 8.3.3.2 Thermal Shutdown (TSD)
        3. 8.3.3.3 Undervoltage Lockout and Default State
        4. 8.3.3.4 Floating Pins
        5. 8.3.3.5 Unpowered Device
        6. 8.3.3.6 CAN Bus Short Circuit Current Limiting
    4. 8.4 Device Functional Modes
  9. Application and Implementation
    1. 9.1 Application Information
    2. 9.2 Typical Application
      1. 9.2.1 Design Requirements
      2. 9.2.2 Detailed Design Procedure
        1. 9.2.2.1 Bus Loading, Length and Number of Nodes
        2. 9.2.2.2 CAN Termination
      3. 9.2.3 Application Curve
    3. 9.3 DeviceNet Application
  10. 10Power Supply Recommendations
  11. 11Layout
    1. 11.1 Layout Guidelines
      1. 11.1.1 PCB Material
    2. 11.2 Layout Example
  12. 12器件和文档支持
    1. 12.1 文档支持
      1. 12.1.1 相关文档
    2. 12.2 接收文档更新通知
    3. 12.3 社区资源
    4. 12.4 商标
    5. 12.5 静电放电警告
    6. 12.6 Glossary
  13. 13机械、封装和可订购信息

封装选项

请参考 PDF 数据表获取器件具体的封装图。

机械数据 (封装 | 引脚)
  • DWV|8
  • DW|16
散热焊盘机械数据 (封装 | 引脚)
订购信息

Functional Block Diagram

ISO1042 iso1042-functional-block-diagram.gif