ZHCSFN6F March   2007  – June 2021 INA203 , INA204 , INA205

PRODUCTION DATA  

  1. 特性
  2. 应用
  3. 说明
  4. Revision History
  5. Pin Configuration and Functions
  6. Specifications
    1. 6.1 Absolute Maximum Ratings
    2. 6.2 ESD Ratings
    3. 6.3 Recommended Operating Conditions
    4. 6.4 Thermal Information
    5. 6.5 Electrical Characteristics: Current-Shunt Monitor
    6. 6.6 Electrical Characteristics: Comparator
    7. 6.7 Electrical Characteristics: Reference
    8. 6.8 Electrical Characteristics: General
    9. 6.9 Typical Characteristics
  7. Detailed Description
    1. 7.1 Overview
    2. 7.2 Functional Block Diagrams
    3. 7.3 Feature Description
      1. 7.3.1 Basic Connections
      2. 7.3.2 Selecting RSHUNT
      3. 7.3.3 Comparator
      4. 7.3.4 Comparator Delay (14-Pin Version Only)
      5. 7.3.5 Comparator Maximum Input Voltage Range
    4. 7.4 Device Functional Modes
      1. 7.4.1 Input Filtering
      2. 7.4.2 Accuracy Variations as a Result Of VSENSE and Common-Mode Voltage
        1. 7.4.2.1 Normal Case 1: VSENSE ≥ 20 mV, VCM ≥ VS
        2. 7.4.2.2 Normal Case 2: VSENSE ≥ 20 mV, VCM < VS
        3. 7.4.2.3 Low VSENSE Case 1
        4. 7.4.2.4 Low VSENSE Case 2: VSENSE < 20 mV, 0 V ≤ VCM ≤ VS
      3. 7.4.3 Transient Protection
      4. 7.4.4 Output Voltage Range
      5. 7.4.5 Reference
  8. Application and Implementation
    1. 8.1 Application Information
    2. 8.2 Typical Application
      1. 8.2.1 Design Requirements
      2. 8.2.2 Detailed Design Procedure
      3. 8.2.3 Application Curves
  9. Power Supply Recommendations
  10. 10Layout
    1. 10.1 Layout Guidelines
    2. 10.2 Layout Example
  11. 11Device and Documentation Support
    1. 11.1 Related Links
    2. 11.2 接收文档更新通知
    3. 11.3 支持资源
    4. 11.4 Trademarks
    5. 11.5 Electrostatic Discharge Caution
    6. 11.6 术语表
  12. 12Mechanical, Packaging, and Orderable Information

封装选项

请参考 PDF 数据表获取器件具体的封装图。

机械数据 (封装 | 引脚)
  • D|14
  • DGS|10
  • PW|14
散热焊盘机械数据 (封装 | 引脚)
订购信息

Comparator Maximum Input Voltage Range

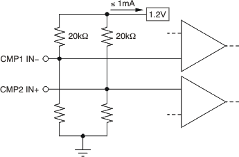
The maximum voltage at the comparator input for normal operation is up to (Vs) – 1.5 V. There are special considerations when overdriving the reference inputs (pins 3 and 6). Driving either or both inputs high enough to drive 1 mA back into the reference introduces errors into the reference. Figure 7-6 shows the basic input structure. A general guideline is to limit the voltage on both inputs to a total of 20 V. The exact limit depends on the available voltage and whether either or both inputs are subject to the large voltage. When making this determination, consider the 20 kΩ from each input back to the comparator. Figure 7-7 shows the maximum input voltage that avoids creating a reference error when driving both inputs (an equivalent resistance back into the reference of 10 kΩ).

GUID-3C8F477C-000D-4636-8283-9D7CCDE92B53-low.gifFigure 7-6 Limit Current Into Reference ≤ 1 mA
GUID-7DAAA4F5-F472-48A2-9D6D-BA6C995B53D1-low.gifFigure 7-7 Overdriving Comparator Inputs Without Generating a Reference Error
GUID-AD7E7C04-188E-4B3E-B82E-6110DD28645C-low.gifFigure 7-8 Polyswitch Warning and Fault Detection Circuit
GUID-B551AED9-F449-40CA-89C1-FB339EE58C6F-low.gifFigure 7-9 Lead-Acid Battery Protection Circuit