ZHCSOG2C june   2021  – december 2022 HDC3020 , HDC3021 , HDC3022

PRODUCTION DATA  

  1. 特性
  2. 应用
  3. 说明
  4. 修订历史记录
  5. 器件比较
  6. 引脚配置和功能
  7. 规格
    1. 7.1 绝对最大额定值
    2. 7.2 ESD 等级
    3. 7.3 建议运行条件
    4. 7.4 热性能信息
    5. 7.5 电气特性
    6. 7.6 I2C 接口时序
    7. 7.7 时序图
    8. 7.8 典型特性
  8. 详细说明
    1. 8.1 概述
    2. 8.2 功能方框图
    3. 8.3 特性说明
      1. 8.3.1  工厂原装聚酰亚胺胶带
      2. 8.3.2  工厂原装 IP67 保护套
      3. 8.3.3  测量相对湿度和温度
      4. 8.3.4  偏移误差校正:精度恢复
      5. 8.3.5  相对湿度和温度传感器具有 NIST 可追溯性
      6. 8.3.6  测量模式:按需触发与自动测量
      7. 8.3.7  加热器
      8. 8.3.8  可对中断进行编程的警报输出
      9. 8.3.9  校验和计算
      10. 8.3.10 相对湿度和温度结果的偏移可编程
    4. 8.4 器件功能模式
      1. 8.4.1 睡眠模式与测量模式
    5. 8.5 编程
      1. 8.5.1 I2C 接口
      2. 8.5.2 I2C 串行总线地址配置
      3. 8.5.3 I2C 写入 - 发送器件命令
      4. 8.5.4 I2C 读取 - 检索单一数据结果
      5. 8.5.5 I2C 读取 - 检索多个数据结果
      6. 8.5.6 I2C 重复启动 - 发送命令并检索数据结果
      7. 8.5.7 命令表和详细说明
        1. 8.5.7.1 复位
          1. 8.5.7.1.1 软复位
          2. 8.5.7.1.2 I2C 通用广播复位
        2. 8.5.7.2 按需触发
        3. 8.5.7.3 自动测量模式
          1. 8.5.7.3.1 自动测量模式:启用和配置测量间隔时间
          2. 8.5.7.3.2 自动测量模式:测量读数
          3. 8.5.7.3.3 自动测量模式:退出
          4. 8.5.7.3.4 自动测量模式:测量历史读数
          5. 8.5.7.3.5 覆盖默认的器件上电和器件复位状态
        4. 8.5.7.4 警报输出配置
          1. 8.5.7.4.1 警报输出:跟踪环境中的温度和相对湿度
          2. 8.5.7.4.2 警报输出:指示环境阈值和默认阈值
          3. 8.5.7.4.3 警报输出:环境阈值的计算和编程步骤
          4. 8.5.7.4.4 警报输出:停用环境跟踪功能
          5. 8.5.7.4.5 警报输出:将阈值传输至非易失性存储器
        5. 8.5.7.5 可编程测量偏移
          1. 8.5.7.5.1 指示偏移值和出厂默认值
          2. 8.5.7.5.2 出厂默认偏移值
          3. 8.5.7.5.3 计算相对湿度偏移值
          4. 8.5.7.5.4 计算温度偏移值
          5. 8.5.7.5.5 写入偏移值
          6. 8.5.7.5.6 验证编程偏移值
        6. 8.5.7.6 状态寄存器
        7. 8.5.7.7 加热器:启用和禁用
        8. 8.5.7.8 加热器:配置加热器电流大小
        9. 8.5.7.9 读取 NIST ID/序列号
  9. 应用和实现
    1. 9.1 应用信息
    2. 9.2 典型应用
      1. 9.2.1 设计要求
      2. 9.2.2 详细设计过程
      3. 9.2.3 应用曲线
    3. 9.3 电源相关建议
    4. 9.4 布局
      1. 9.4.1 布局指南
      2. 9.4.2 布局示例
      3. 9.4.3 存储和 PCB 组装
        1. 9.4.3.1 储存和处理
        2. 9.4.3.2 回流焊
        3. 9.4.3.3 返工
        4. 9.4.3.4 暴露于高温和高湿度条件下
        5. 9.4.3.5 烘烤/再水合程序
  10. 10器件和文档支持
    1. 10.1 文档支持
      1. 10.1.1 相关文档
    2. 10.2 接收文档更新通知
    3. 10.3 支持资源
    4. 10.4 商标
    5. 10.5 静电放电警告
    6. 10.6 术语表
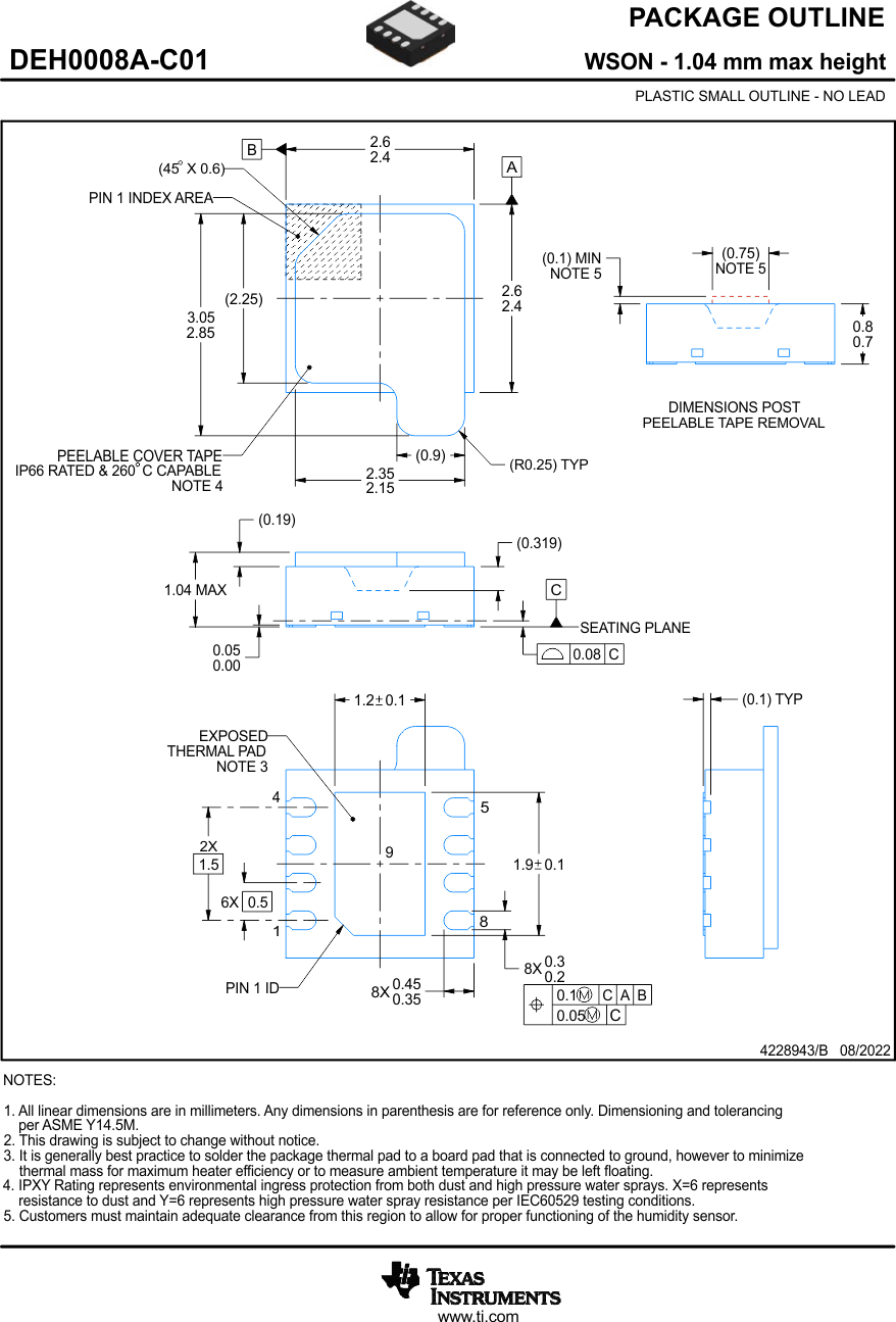
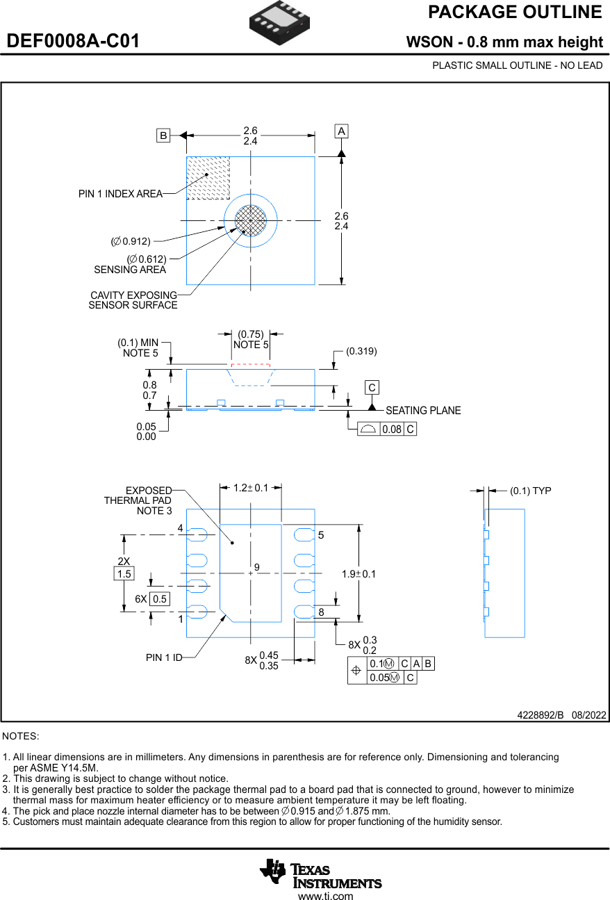
  11. 11机械、封装和可订购信息

封装选项

机械数据 (封装 | 引脚)
  • DEF|8
散热焊盘机械数据 (封装 | 引脚)
订购信息

机械、封装和可订购信息

下述页面包含机械、封装和订购信息。这些信息是指定器件可用的最新数据。数据如有变更,恕不另行通知,且不会对此文档进行修订。有关此数据表的浏览器版本,请查阅左侧的导航栏。

GUID-20220715-SS0I-P1RV-VQFW-VB2HTW9GLV3W-low.gif
GUID-20220715-SS0I-Q4RD-GQW8-2SXTF9FM00KM-low.gif
GUID-20220715-SS0I-XJM3-SWCB-VX92JGM93XVG-low.gif
GUID-20220727-SS0I-MKZD-XLQT-JSQ6XFTGMCNJ-low.gif
GUID-20220727-SS0I-NJ8B-C0LT-6S5RNBVLMM2H-low.gif
GUID-20220727-SS0I-NP08-P321-BZNSFXW0B2KR-low.gif
GUID-20220727-SS0I-DTJP-RDCT-CN6S30RCPKDC-low.gif
GUID-20220727-SS0I-ZCZM-L0DW-GHGMH3XVRH5D-low.gif
GUID-20220727-SS0I-B7K7-JWTW-QDBV3DXF2VC3-low.gif