ZHCSI52G August   2016  – March 2019 DRA780 , DRA781 , DRA782 , DRA783 , DRA785 , DRA786 , DRA787 , DRA788

PRODUCTION DATA.  

  1. 1器件概述
    1. 1.1 特性
    2. 1.2 应用
    3. 1.3 说明
    4. 1.4 功能框图
  2. 2修订历史记录
  3. 3Device Comparison
    1. 3.1 Related Products
  4. 4Terminal Configuration and Functions
    1. 4.1 Pin Diagram
    2. 4.2 Pin Attributes
    3. 4.3 Signal Descriptions
      1. 4.3.1  VIP
      2. 4.3.2  DSS
      3. 4.3.3  SD_DAC
      4. 4.3.4  ADC
      5. 4.3.5  Camera Control
      6. 4.3.6  CPI
      7. 4.3.7  CSI2
      8. 4.3.8  EMIF
      9. 4.3.9  GPMC
      10. 4.3.10 Timers
      11. 4.3.11 I2C
      12. 4.3.12 UART
      13. 4.3.13 McSPI
      14. 4.3.14 QSPI
      15. 4.3.15 McASP
      16. 4.3.16 DCAN and MCAN
      17. 4.3.17 GMAC_SW
      18. 4.3.18 SDIO Controller
      19. 4.3.19 GPIO
      20. 4.3.20 ePWM
      21. 4.3.21 ATL
      22. 4.3.22 Test Interfaces
      23. 4.3.23 System and Miscellaneous
        1. 4.3.23.1 Sysboot
        2. 4.3.23.2 Power, Reset and Clock Management (PRCM)
        3. 4.3.23.3 Enhanced Direct Memory Access (EDMA)
        4. 4.3.23.4 Interrupt Controllers (INTC)
      24. 4.3.24 Power Supplies
    4. 4.4 Pin Multiplexing
    5. 4.5 Connections for Unused Pins
  5. 5Specifications
    1. 5.1 Absolute Maximum Ratings
    2. 5.2 ESD Ratings
    3. 5.3 Power on Hour (POH) Limits
    4. 5.4 Recommended Operating Conditions
    5. 5.5 Operating Performance Points
      1. 5.5.1 AVS Requirements
      2. 5.5.2 Voltage And Core Clock Specifications
      3. 5.5.3 Maximum Supported Frequency
    6. 5.6 Power Consumption Summary
    7. 5.7 Electrical Characteristics
      1. Table 5-6  LVCMOS DDR DC Electrical Characteristics
      2. Table 5-7  Dual Voltage LVCMOS I2C DC Electrical Characteristics
      3. Table 5-8  IQ1833 Buffers DC Electrical Characteristics
      4. Table 5-9  IHHV1833 Buffers DC Electrical Characteristics
      5. Table 5-10 LVCMOS Analog OSC Buffers DC Electrical Characteristics
      6. Table 5-11 Dual Voltage LVCMOS DC Electrical Characteristics
      7. Table 5-12 Analog-to-Digital ADC Subsystem Electrical Specifications
    8. 5.8 Thermal Characteristics
      1. 5.8.1 Package Thermal Characteristics
    9. 5.9 Timing Requirements and Switching Characteristics
      1. 5.9.1 Timing Parameters and Information
        1. 5.9.1.1 Parameter Information
          1. 5.9.1.1.1 1.8 V and 3.3 V Signal Transition Levels
          2. 5.9.1.1.2 1.8 V and 3.3 V Signal Transition Rates
          3. 5.9.1.1.3 Timing Parameters and Board Routing Analysis
      2. 5.9.2 Interface Clock Specifications
        1. 5.9.2.1 Interface Clock Terminology
        2. 5.9.2.2 Interface Clock Frequency
      3. 5.9.3 Power Supply Sequences
      4. 5.9.4 Clock Specifications
        1. 5.9.4.1 Input Clocks / Oscillators
          1. 5.9.4.1.1 OSC0 External Crystal
          2. 5.9.4.1.2 OSC0 Input Clock
          3. 5.9.4.1.3 Auxiliary Oscillator OSC1 Input Clock
            1. 5.9.4.1.3.1 OSC1 External Crystal
            2. 5.9.4.1.3.2 OSC1 Input Clock
          4. 5.9.4.1.4 RC On-die Oscillator Clock
        2. 5.9.4.2 Output Clocks
        3. 5.9.4.3 DPLLs, DLLs
          1. 5.9.4.3.1 DPLL Characteristics
          2. 5.9.4.3.2 DLL Characteristics
            1. 5.9.4.3.2.1 DPLL and DLL Noise Isolation
      5. 5.9.5 Recommended Clock and Control Signal Transition Behavior
      6. 5.9.6 Peripherals
        1. 5.9.6.1  Timing Test Conditions
        2. 5.9.6.2  VIP
        3. 5.9.6.3  DSS
        4. 5.9.6.4  EMIF
        5. 5.9.6.5  GPMC
          1. 5.9.6.5.1 GPMC/NOR Flash Interface Synchronous Timing
          2. 5.9.6.5.2 GPMC/NOR Flash Interface Asynchronous Timing
          3. 5.9.6.5.3 GPMC/NAND Flash Interface Asynchronous Timing
        6. 5.9.6.6  GP Timers
          1. 5.9.6.6.1 GP Timer Features
        7. 5.9.6.7  I2C
          1. Table 5-39 Timing Requirements for I2C Input Timings
          2. Table 5-40 Switching Characteristics Over Recommended Operating Conditions for I2C Output Timings
        8. 5.9.6.8  UART
          1. Table 5-41 Timing Requirements for UART
          2. Table 5-42 Switching Characteristics Over Recommended Operating Conditions for UART
        9. 5.9.6.9  McSPI
        10. 5.9.6.10 QSPI
        11. 5.9.6.11 McASP
          1. Table 5-50 Timing Requirements for McASP1
          2. Table 5-51 Timing Requirements for McASP2
          3. Table 5-52 Timing Requirements for McASP3
          4. Table 5-53 Switching Characteristics Over Recommended Operating Conditions for McASP1
          5. Table 5-54 Switching Characteristics Over Recommended Operating Conditions for McASP2
          6. Table 5-55 Switching Characteristics Over Recommended Operating Conditions for McASP3
        12. 5.9.6.12 DCAN and MCAN
          1. 5.9.6.12.1 DCAN
          2. 5.9.6.12.2 MCAN
          3. Table 5-58 Timing Requirements for CAN Receive
          4. Table 5-59 Switching Characteristics Over Recommended Operating Conditions for CAN Transmit
        13. 5.9.6.13 GMAC_SW
          1. 5.9.6.13.1 GMAC MDIO Interface Timings
          2. 5.9.6.13.2 GMAC RGMII Timings
            1. Table 5-63 Timing Requirements for rgmiin_rxc - RGMIIn Operation
            2. Table 5-64 Timing Requirements for GMAC RGMIIn Input Receive for 10/100/1000 Mbps
            3. Table 5-65 Switching Characteristics Over Recommended Operating Conditions for rgmiin_txctl - RGMIIn Operation for 10/100/1000 Mbit/s
            4. Table 5-66 Switching Characteristics for GMAC RGMIIn Output Transmit for 10/100/1000 Mbps
        14. 5.9.6.14 SDIO Controller
          1. 5.9.6.14.1 MMC, SD Default Speed
          2. 5.9.6.14.2 MMC, SD High Speed
          3. 5.9.6.14.3 MMC, SD and SDIO SDR12 Mode
          4. 5.9.6.14.4 MMC, SD SDR25 Mode
        15. 5.9.6.15 GPIO
        16. 5.9.6.16 ATL
          1. 5.9.6.16.1 ATL Electrical Data/Timing
            1. Table 5-77 Switching Characteristics Over Recommended Operating Conditions for ATL_CLKOUTx
      7. 5.9.7 Emulation and Debug Subsystem
        1. 5.9.7.1 JTAG Electrical Data/Timing
          1. Table 5-78 Timing Requirements for IEEE 1149.1 JTAG
          2. Table 5-79 Switching Characteristics Over Recommended Operating Conditions for IEEE 1149.1 JTAG
          3. Table 5-80 Timing Requirements for IEEE 1149.1 JTAG With RTCK
          4. Table 5-81 Switching Characteristics Over Recommended Operating Conditions for IEEE 1149.1 JTAG With RTCK
        2. 5.9.7.2 Trace Port Interface Unit (TPIU)
          1. 5.9.7.2.1 TPIU PLL DDR Mode
  6. 6Detailed Description
    1. 6.1  Description
    2. 6.2  Functional Block Diagram
    3. 6.3  DSP Subsystem
    4. 6.4  IPU
    5. 6.5  EVE
    6. 6.6  Memory Subsystem
      1. 6.6.1 EMIF
      2. 6.6.2 GPMC
      3. 6.6.3 ELM
      4. 6.6.4 OCMC
    7. 6.7  Interprocessor Communication
      1. 6.7.1 Mailbox
      2. 6.7.2 Spinlock
    8. 6.8  Interrupt Controller
    9. 6.9  EDMA
    10. 6.10 Peripherals
      1. 6.10.1  VIP
      2. 6.10.2  DSS
      3. 6.10.3  ATL
      4. 6.10.4  ADC
      5. 6.10.5  Timers
        1. 6.10.5.1 General-Purpose Timers
        2. 6.10.5.2 32-kHz Synchronized Timer (COUNTER_32K)
      6. 6.10.6  I2C
      7. 6.10.7  UART
        1. 6.10.7.1 UART Features
      8. 6.10.8  McSPI
      9. 6.10.9  QSPI
      10. 6.10.10 McASP
      11. 6.10.11 DCAN
      12. 6.10.12 MCAN
      13. 6.10.13 GMAC_SW
      14. 6.10.14 SDIO
      15. 6.10.15 GPIO
      16. 6.10.16 ePWM
      17. 6.10.17 eCAP
      18. 6.10.18 eQEP
    11. 6.11 On-Chip Debug
  7. 7Applications, Implementation, and Layout
    1. 7.1 Introduction
      1. 7.1.1 Initial Requirements and Guidelines
    2. 7.2 Power Optimizations
      1. 7.2.1 Step 1: PCB Stack-up
      2. 7.2.2 Step 2: Physical Placement
      3. 7.2.3 Step 3: Static Analysis
        1. 7.2.3.1 PDN Resistance and IR Drop
      4. 7.2.4 Step 4: Frequency Analysis
      5. 7.2.5 System ESD Generic Guidelines
        1. 7.2.5.1 System ESD Generic PCB Guideline
        2. 7.2.5.2 Miscellaneous EMC Guidelines to Mitigate ESD Immunity
        3. 7.2.5.3 ESD Protection System Design Consideration
      6. 7.2.6 EMI / EMC Issues Prevention
        1. 7.2.6.1 Signal Bandwidth
        2. 7.2.6.2 Signal Routing
          1. 7.2.6.2.1 Signal Routing—Sensitive Signals and Shielding
          2. 7.2.6.2.2 Signal Routing—Outer Layer Routing
        3. 7.2.6.3 Ground Guidelines
          1. 7.2.6.3.1 PCB Outer Layers
          2. 7.2.6.3.2 Metallic Frames
          3. 7.2.6.3.3 Connectors
          4. 7.2.6.3.4 Guard Ring on PCB Edges
          5. 7.2.6.3.5 Analog and Digital Ground
    3. 7.3 Core Power Domains
      1. 7.3.1 General Constraints and Theory
      2. 7.3.2 Voltage Decoupling
      3. 7.3.3 Static PDN Analysis
      4. 7.3.4 Dynamic PDN Analysis
      5. 7.3.5 Power Supply Mapping
      6. 7.3.6 DPLL Voltage Requirement
      7. 7.3.7 Loss of Input Power Event
      8. 7.3.8 Example PCB Design
        1. 7.3.8.1 Example Stack-up
        2. 7.3.8.2 vdd_dspeve Example Analysis
    4. 7.4 Single-Ended Interfaces
      1. 7.4.1 General Routing Guidelines
      2. 7.4.2 QSPI Board Design and Layout Guidelines
        1. 7.4.2.1 If QSPI is operated in Mode 0 (POL=0, PHA=0):
        2. 7.4.2.2 If QSPI is operated in Mode 3 (POL=1, PHA=1):
    5. 7.5 Differential Interfaces
      1. 7.5.1 General Routing Guidelines
    6. 7.6 Clock Routing Guidelines
      1. 7.6.1 Oscillator Ground Connection
    7. 7.7 DDR2 Board Design and Layout Guidelines
      1. 7.7.1 DDR2 General Board Layout Guidelines
      2. 7.7.2 DDR2 Board Design and Layout Guidelines
        1. 7.7.2.1 Board Designs
        2. 7.7.2.2 DDR2 Interface
          1. 7.7.2.2.1  DDR2 Interface Schematic
          2. 7.7.2.2.2  Compatible JEDEC DDR2 Devices
          3. 7.7.2.2.3  PCB Stackup
          4. 7.7.2.2.4  Placement
          5. 7.7.2.2.5  DDR2 Keepout Region
          6. 7.7.2.2.6  Bulk Bypass Capacitors
          7. 7.7.2.2.7  High-Speed Bypass Capacitors
          8. 7.7.2.2.8  Net Classes
          9. 7.7.2.2.9  DDR2 Signal Termination
          10. 7.7.2.2.10 VREF Routing
        3. 7.7.2.3 DDR2 CK and ADDR_CTRL Routing
    8. 7.8 DDR3 Board Design and Layout Guidelines
      1. 7.8.1 DDR3 General Board Layout Guidelines
      2. 7.8.2 DDR3 Board Design and Layout Guidelines
        1. 7.8.2.1  Board Designs
        2. 7.8.2.2  DDR3 Device Combinations
        3. 7.8.2.3  DDR3 Interface Schematic
          1. 7.8.2.3.1 32-Bit DDR3 Interface
          2. 7.8.2.3.2 16-Bit DDR3 Interface
        4. 7.8.2.4  Compatible JEDEC DDR3 Devices
        5. 7.8.2.5  PCB Stackup
        6. 7.8.2.6  Placement
        7. 7.8.2.7  DDR3 Keepout Region
        8. 7.8.2.8  Bulk Bypass Capacitors
        9. 7.8.2.9  High-Speed Bypass Capacitors
          1. 7.8.2.9.1 Return Current Bypass Capacitors
        10. 7.8.2.10 Net Classes
        11. 7.8.2.11 DDR3 Signal Termination
        12. 7.8.2.12 VTT
        13. 7.8.2.13 CK and ADDR_CTRL Topologies and Routing Definition
          1. 7.8.2.13.1 Three DDR3 Devices
            1. 7.8.2.13.1.1 CK and ADDR_CTRL Topologies, Three DDR3 Devices
            2. 7.8.2.13.1.2 CK and ADDR_CTRL Routing, Three DDR3 Devices
          2. 7.8.2.13.2 Two DDR3 Devices
            1. 7.8.2.13.2.1 CK and ADDR_CTRL Topologies, Two DDR3 Devices
            2. 7.8.2.13.2.2 CK and ADDR_CTRL Routing, Two DDR3 Devices
          3. 7.8.2.13.3 One DDR3 Device
            1. 7.8.2.13.3.1 CK and ADDR_CTRL Topologies, One DDR3 Device
            2. 7.8.2.13.3.2 CK and ADDR/CTRL Routing, One DDR3 Device
        14. 7.8.2.14 Data Topologies and Routing Definition
          1. 7.8.2.14.1 DQS and DQ/DM Topologies, Any Number of Allowed DDR3 Devices
          2. 7.8.2.14.2 DQS and DQ/DM Routing, Any Number of Allowed DDR3 Devices
        15. 7.8.2.15 Routing Specification
          1. 7.8.2.15.1 CK and ADDR_CTRL Routing Specification
          2. 7.8.2.15.2 DQS and DQ Routing Specification
    9. 7.9 CVIDEO/SD-DAC Guidelines and Electrical Data/Timing
  8. 8Device and Documentation Support
    1. 8.1 Device Nomenclature
      1. 8.1.1 Standard Package Symbolization
      2. 8.1.2 Device Naming Convention
    2. 8.2 Tools and Software
    3. 8.3 Documentation Support
    4. 8.4 Related Links
    5. 8.5 Community Resources
    6. 8.6 商标
    7. 8.7 静电放电警告
    8. 8.8 Export Control Notice
    9. 8.9 Glossary
  9. 9Mechanical, Packaging, and Orderable Information
    1. 9.1 Packaging Information

封装选项

请参考 PDF 数据表获取器件具体的封装图。

机械数据 (封装 | 引脚)
  • ABF|367
散热焊盘机械数据 (封装 | 引脚)
订购信息

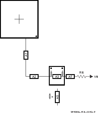
CK and ADDR_CTRL Routing, Two DDR3 Devices

Figure 7-43 shows the CK routing for two DDR3 devices placed on the same side of the PCB. Figure 7-44 shows the corresponding ADDR_CTRL routing.

DRA780 DRA781 DRA782 DRA783 DRA784 DRA785 DRA786 DRA787 DRA788 SPRS91v_PCB_DDR3_14.gifFigure 7-43 CK Routing for Two Single-Side DDR3 Devices
DRA780 DRA781 DRA782 DRA783 DRA784 DRA785 DRA786 DRA787 DRA788 SPRS91v_PCB_DDR3_15.gifFigure 7-44 ADDR_CTRL Routing for Two Single-Side DDR3 Devices

To save PCB space, the two DDR3 memories may be mounted as a mirrored pair at a cost of increased routing and assembly complexity. Figure 7-45 and Figure 7-46 show the routing for CK and ADDR_CTRL, respectively, for two DDR3 devices mirrored in a single-pair configuration.

DRA780 DRA781 DRA782 DRA783 DRA784 DRA785 DRA786 DRA787 DRA788 SPRS91v_PCB_DDR3_16.gifFigure 7-45 CK Routing for Two Mirrored DDR3 Devices
DRA780 DRA781 DRA782 DRA783 DRA784 DRA785 DRA786 DRA787 DRA788 SPRS91v_PCB_DDR3_17.gifFigure 7-46 ADDR_CTRL Routing for Two Mirrored DDR3 Devices