ZHCSLG8E August 2020 – August 2024 DLPC230S-Q1 , DLPC231S-Q1
PRODUCTION DATA
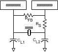
The DLPC23xS-Q1 requires an external reference clock to feed its internal PLL. A crystal or oscillator can supply this reference. The recommended crystal configurations and reference clock frequencies are listed in Table 8-2, with additional required discrete components shown in Figure 8-12 and defined in Table 8-2.
