ZHCSZ68A September   2025  – November 2025 DLP78TUV

PRODUCTION DATA  

  1.   1
  2. 特性
  3. 应用
  4. 说明
  5. 引脚配置和功能
  6. 规格
    1. 5.1  绝对最大额定值
    2. 5.2  存储条件
    3. 5.3  ESD 等级
    4. 5.4  建议运行条件
    5.     11
    6. 5.5  热性能信息
    7. 5.6  电气特性
    8. 5.7  时序要求
    9.     15
    10. 5.8  系统安装接口负载
    11.     17
    12. 5.9  微镜阵列物理特性
    13.     19
    14. 5.10 微镜阵列光学特性
    15.     21
    16. 5.11 窗口特性
    17. 5.12 芯片组元件使用规格
  7. 详细说明
    1. 6.1 概述
    2. 6.2 功能方框图
    3. 6.3 特性说明
      1. 6.3.1 电源接口
      2. 6.3.2 时序
    4. 6.4 器件功能模式
    5. 6.5 光学接口和系统图像质量注意事项
      1. 6.5.1 数字光圈和杂散光控制
      2. 6.5.2 光瞳匹配
      3. 6.5.3 照明溢出
    6. 6.6 微镜阵列温度计算
    7. 6.7 微镜功率密度计算
    8. 6.8 窗口孔隙照明溢出计算
    9. 6.9 微镜着陆打开/着陆关闭占空比
      1. 6.9.1 微镜着陆开/着陆关占空比的定义
      2. 6.9.2 DMD 的着陆占空比和使用寿命
      3. 6.9.3 着陆占空比和运行 DMD 温度
      4. 6.9.4 估算产品或应用的长期平均着陆占空比
  8. 应用和实施
    1. 7.1 应用信息
    2. 7.2 典型应用
      1. 7.2.1 设计要求
      2. 7.2.2 详细设计过程
      3. 7.2.3 应用曲线
    3. 7.3 温度传感器二极管
    4. 7.4 电源相关建议
      1. 7.4.1 DMD 电源要求
      2. 7.4.2 DMD 电源上电过程
      3. 7.4.3 DMD 电源断电过程
    5. 7.5 布局
      1. 7.5.1 布局指南
      2. 7.5.2 布局示例
        1. 7.5.2.1
        2. 7.5.2.2 阻抗要求
        3. 7.5.2.3 布线宽度、间距
          1. 7.5.2.3.1 电压信号
  9. 器件和文档支持
    1. 8.1 第三方产品免责声明
    2. 8.2 器件支持
      1. 8.2.1 器件命名规则
    3. 8.3 器件标识
    4. 8.4 文档支持
      1. 8.4.1 相关文档
    5. 8.5 接收文档更新通知
    6. 8.6 支持资源
    7. 8.7 商标
    8. 8.8 静电放电警告
    9. 8.9 术语表
  10. 修订历史记录
  11. 10机械、封装和可订购信息

封装选项

机械数据 (封装 | 引脚)
散热焊盘机械数据 (封装 | 引脚)
订购信息

DLP78TUV SCP 时序参数图 5-3 SCP 时序参数
DLP78TUV SCP 上升和下降时间图 5-4 SCP 上升和下降时间
DLP78TUV LVDS 波形参数图 5-5 LVDS 波形参数
DLP78TUV LVDS 上升和下降时间图 5-6 LVDS 上升和下降时间
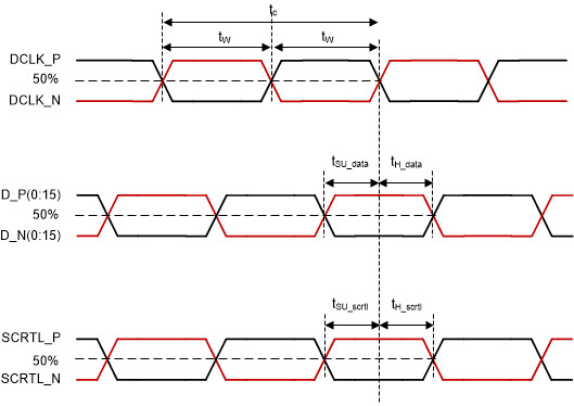
DLP78TUV LVDS 时序参数图 5-7 LVDS 时序参数
DLP78TUV LVDS 偏斜参数图 5-8 LVDS 偏斜参数