ZHCSIG0G April   2016  – May 2019 DLP5531-Q1

PRODUCTION DATA.  

  1. 特性
  2. 应用
  3. 说明
    1.     Device Images
      1.      DLP5531-Q1 DLP芯片组系统方框图
  4. 修订历史记录
  5. Pin Configuration and Functions
    1.     Pin Functions – Connector Pins
    2.     Pin Functions – Test Pads
  6. Specifications
    1. 6.1  Absolute Maximum Ratings
    2. 6.2  Storage Conditions
    3. 6.3  ESD Ratings
    4. 6.4  Recommended Operating Conditions
    5. 6.5  Thermal Information
    6. 6.6  Electrical Characteristics
    7. 6.7  Timing Requirements
    8. 6.8  Switching Characteristics
    9. 6.9  System Mounting Interface Loads
    10. 6.10 Physical Characteristics of the Micromirror Array
    11. 6.11 Micromirror Array Optical Characteristics
    12. 6.12 Window Characteristics
    13. 6.13 Chipset Component Usage Specification
  7. Detailed Description
    1. 7.1 Overview
    2. 7.2 Functional Block Diagram
    3. 7.3 Feature Description
      1. 7.3.1 Sub-LVDS Data Interface
      2. 7.3.2 Low Speed Interface for Control
      3. 7.3.3 DMD Voltage Supplies
      4. 7.3.4 Asynchronous Reset
      5. 7.3.5 Temperature Sensing Diode
        1. 7.3.5.1 Temperature Sense Diode Theory
    4. 7.4 System Optical Considerations
      1. 7.4.1 Numerical Aperture and Stray Light Control
      2. 7.4.2 Pupil Match
      3. 7.4.3 Illumination Overfill
    5. 7.5 DMD Image Performance Specification
    6. 7.6 Micromirror Array Temperature Calculation
      1. 7.6.1 Temperature Rise Through the Package for Heatsink Design
      2. 7.6.2 Monitoring Array Temperature Using the Temperature Sense Diode
    7. 7.7 Micromirror Landed-On/Landed-Off Duty Cycle
      1. 7.7.1 Definition of Micromirror Landed-On/Landed-Off Duty Cycle
  8. Application and Implementation
    1. 8.1 Application Information
    2. 8.2 Typical Application
      1. 8.2.1 Application Overview
      2. 8.2.2 Reference Design
      3. 8.2.3 Application Mission Profile Consideration
  9. Power Supply Recommendations
    1. 9.1 Power Supply Power-Up Procedure
    2. 9.2 Power Supply Power-Down Procedure
    3. 9.3 Power Supply Sequencing Requirements
  10. 10Layout
    1. 10.1 Layout Guidelines
  11. 11器件和文档支持
    1. 11.1 器件支持
      1. 11.1.1 器件命名规则
      2. 11.1.2 器件标记
    2. 11.2 相关链接
    3. 11.3 社区资源
    4. 11.4 商标
    5. 11.5 静电放电警告
    6. 11.6 DMD 处理
    7. 11.7 Glossary
  12. 12机械、封装和可订购信息

封装选项

请参考 PDF 数据表获取器件具体的封装图。

机械数据 (封装 | 引脚)
  • FYK|149
散热焊盘机械数据 (封装 | 引脚)
订购信息

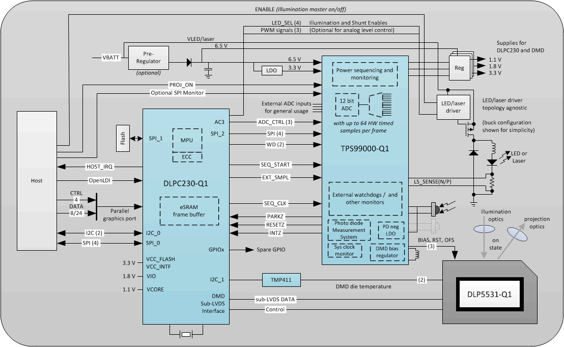
Typical Application

The chipset consists of three components—the DLP5531-Q1 automotive DMD, the DLPC230-Q1, and the TPS99000-Q1. The DMD is a light modulator consisting of tiny mirrors that are used to form and project images. The DLPC230-Q1 is a controller for the DMD; it formats incoming video and controls the timing of the DMD illumination sources and the DMD in order to display the incoming video. The TPS99000-Q1 is a high performance voltage regulator for the DMD and a management IC for the entire chipset. In conjunction, the DLPC230-Q1 and the TPS99000-Q1 can be used for system-level monitoring, diagnostics, and failure detection features. Figure 21 is a system level block diagram with these devices in the DLP headlight module configuration and displays the primary features and functions of each device.

DLP5531-Q1 system_figure_headlight_LPS054.gifFigure 21. Headlight System Block Diagram